GM Service Manual Online
For 1990-2009 cars only
Makes
🢒
Chevrolet
🢒
2004
🢒
Aveo
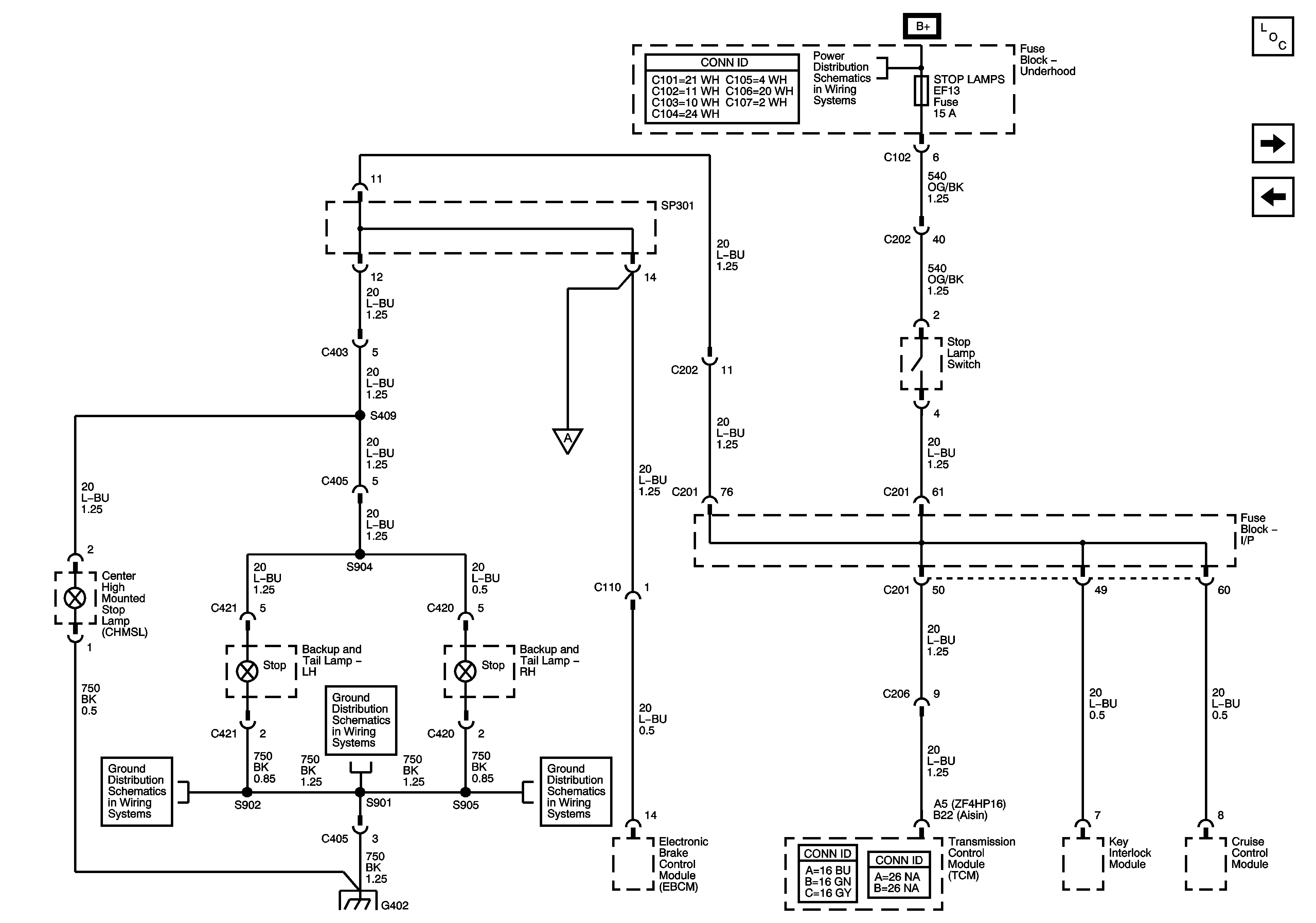
🢒 Stop Lamps (Hatchback)
Stop Lamps (Hatchback)
Stop Lamps (Hatchback)
Master Electrical Component List
Stop Lamps (Hatchback)
Stop Lamps (Notchback)
Underhood Fuse Block - IP FUSE, DR/LOCK and STOP LAMPS Fuses
Stop Lamps (Hatchback)
G402 - Hatchback Tailgate
G402 - Hatchback Tailgate
G402 - Hatchback Tailgate