GM Service Manual Online
For 1990-2009 cars only
Makes
🢒
Chevrolet
🢒
2004
🢒
Aveo
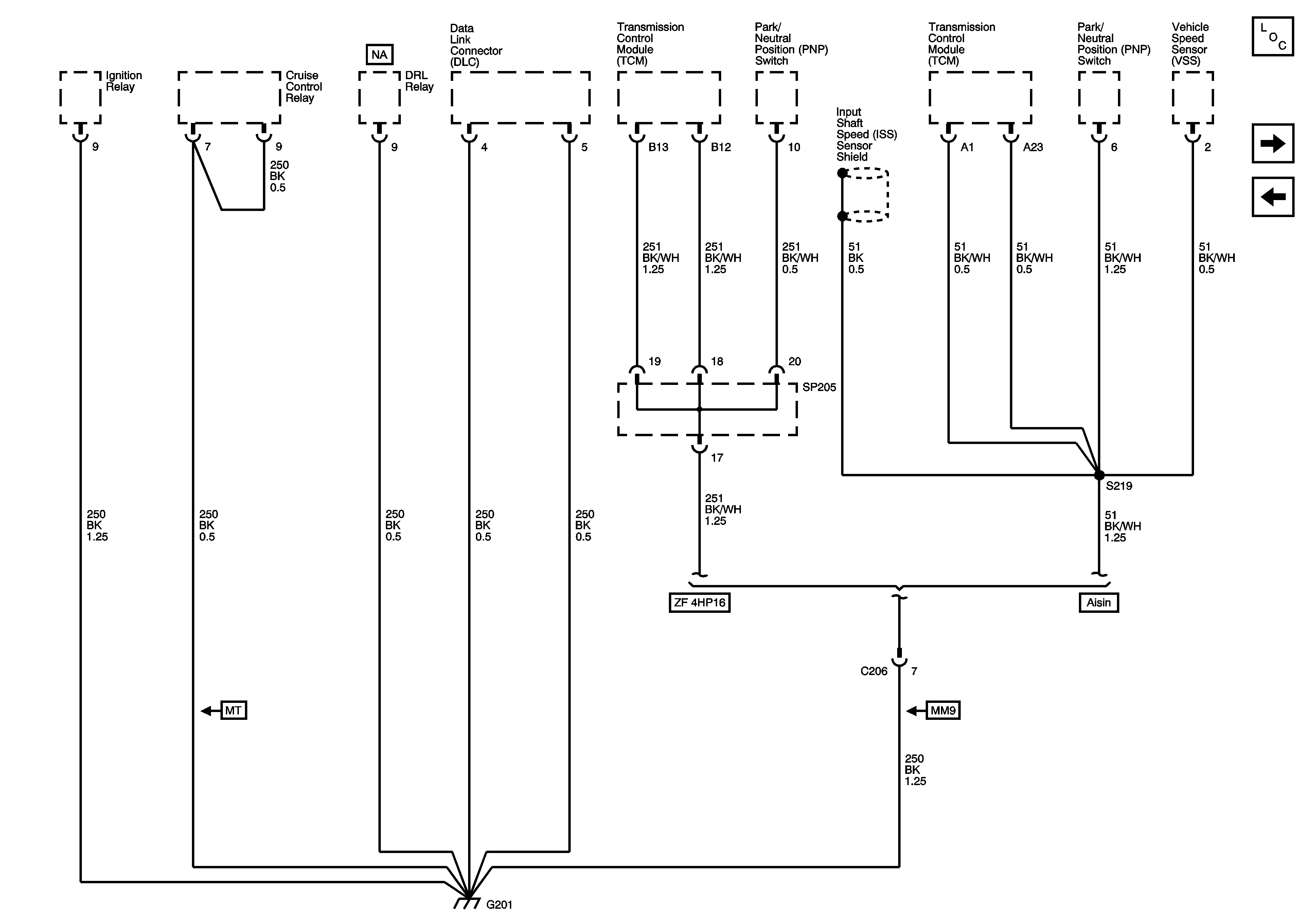
🢒 G201
G201
G201
Master Electrical Component List
G203
G106, G107