GM Service Manual Online
For 1990-2009 cars only
Makes
🢒
Chevrolet
🢒
2004
🢒
Aveo
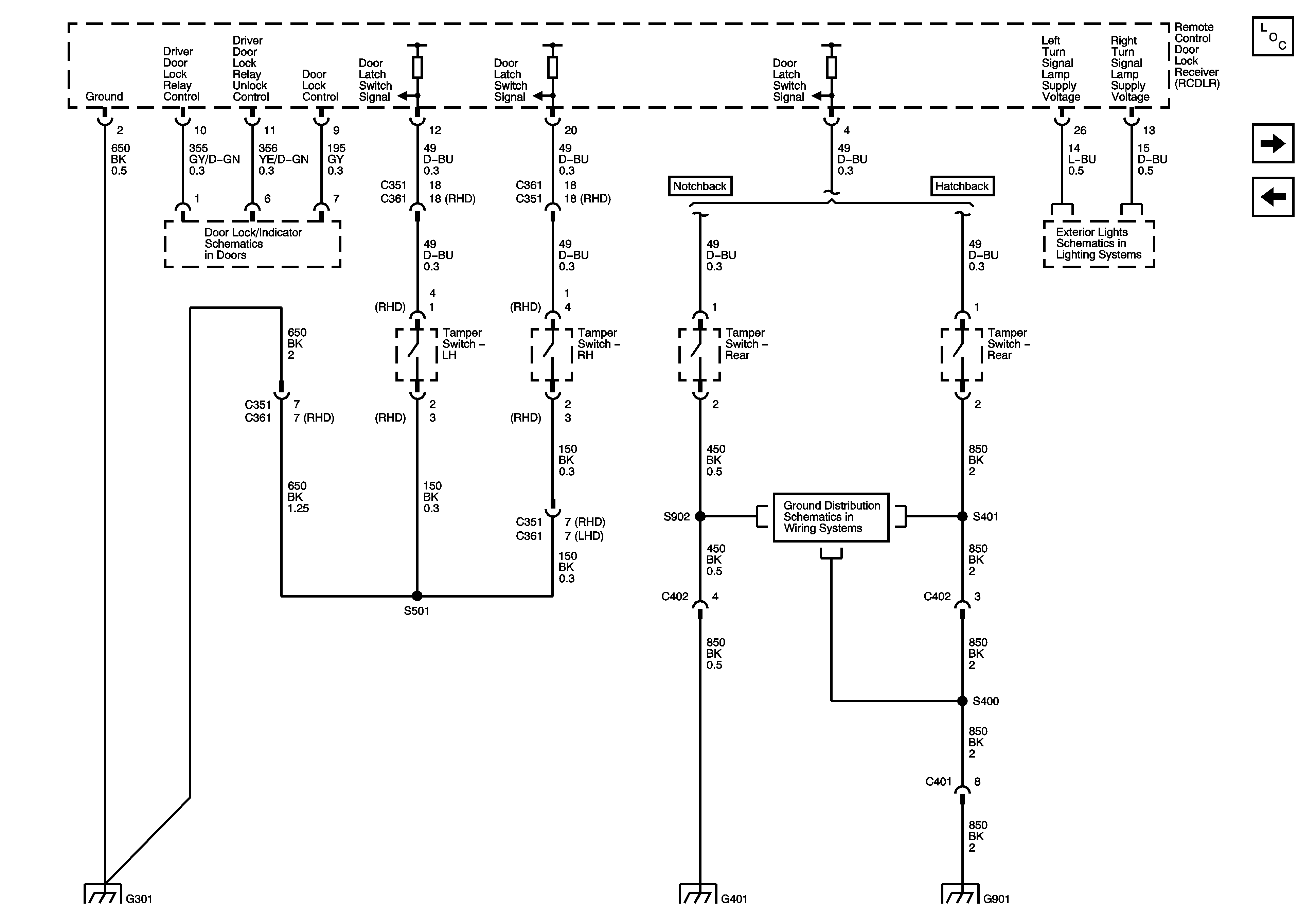
🢒 Door Latches and Ajar Switches
Door Latches and Ajar Switches
Door Latches and Ajar Switches
Master Electrical Component List
Vehicle Theft Deterrent (Immobilizer)
Content Theft Deterrent and Remote Keyless Entry Power and Ground
Power Door Locks
G401 Notchback
Turn Hazzard Lamps