GM Service Manual Online
For 1990-2009 cars only
Figure 1:

Underhood Fuse Block - Battery Feeds


Object Number: 1257871  Size: FS
Master Electrical Component List
Underhood Fuse Block - ABS, BLOWER, HORN, SUNROOF, DEFOG Fuses
Figure 2:

Underhood Fuse Block - ABS, BLOWER, HORN, SUNROOF, DEFOG Fuses


Object Number: 1257873  Size: FS
Master Electrical Component List
Underhood Fuse Block - POWER WINDOW, COOLING FAN LOW Relay, and MAIN RELAY (1.2L) and FUEL PUMP Fuses
Underhood Fuse Block - Battery Feeds
Underhood Fuse Block - Battery Feeds
Figure 3:

Underhood Fuse Block - POWER WINDOW, COOLING FAN LOW Relay, MAIN Relay (1.2L), and FUEL PUMP Fuses


Object Number: 1375076  Size: FS
Master Electrical Component List
Underhood Fuse Block - ILLUM LAMP, ILLUM RH and LH Fuses
Underhood Fuse Block - ABS, BLOWER, HORN, SUNROOF, DEFOG Fuses
Underhood Fuse Block - Battery Feeds
Figure 4:

Underhood Fuse Block - ILLUM LAMP, ILLUM RH and LH Fuses


Object Number: 1257876  Size: FS
Master Electrical Component List
Underhood Fuse Block - FRONT FOG and ROOM LAMP Fuses
Underhood Fuse Block - POWER WINDOW, COOLING FAN LOW Relay, and MAIN RELAY (1.2L) and FUEL PUMP Fuses
Underhood Fuse Block - Battery Feeds
Underhood Fuse Block - FRONT FOG and ROOM LAMP Fuses
Figure 5:

Underhood Fuse Block - FRONT FOG and ROOM LAMP Fuses


Object Number: 1257877  Size: FS
Master Electrical Component List
Underhood Fuse Block - A/C COMP, HEADLAMP, H/L LOW RH. H/L LOW LH, H/L HI LH, H/L HI RH Fuses
Underhood Fuse Block - ILLUM LAMP, ILLUM RH and LH Fuses
Underhood Fuse Block - ILLUM LAMP, ILLUM RH and LH Fuses
Underhood Fuse Block - Battery Feeds
Figure 6:

Underhood Fuse Block - A/C COMP, HEADLAMP, H/L LOW RH, H/L LOW LH, H/L HI LH, H/L HI RH Fuses


Object Number: 1257878  Size: FS
Master Electrical Component List
Underhood Fuse Block - I/P Fuses, I/P Fuse Block - HORN, STOPLAMP, METER HAZARD, DOOR LOCK RKE, ECM, TCM, and CLOCK AUDIO Fuses
Underhood Fuse Block - FRONT FOG and ROOM LAMP Fuses
Underhood Fuse Block - Battery Feeds
Figure 7:

Underhood Fuse Block - I/P Fuses, I/P Fuse Block - HORN, STOP LAMP, METER HAZARD, DOOR LOCK RKE, ECM, TCM, and CLOCK AUDIO Fuses


Object Number: 1629811  Size: FS
Master Electrical Component List
Underhood Fuse Block - IGN 1 Fuse, Ignition Switch, I/P Fuse Block - CIGAR JACK, AUDIO CLOCK, METER CLOCK, TSIG, BACKUP LAMP, and AIR BAG Fuses
Underhood Fuse Block - A/C COMP, HEADLAMP, H/L LOW RH. H/L LOW LH, H/L HI LH, H/L HI RH Fuses
Underhood Fuse Block - Battery Feeds
Figure 8:

Underhood Fuse Block - IGN 1 Fuse, Ignition Switch, I/P Fuse Block - CIGAR JACK, AUDIO CLOCK, METER CLOCK, TSIG, BACKUP LAMP, and AIR BAG Fuses


Object Number: 1629835  Size: FS
Master Electrical Component List
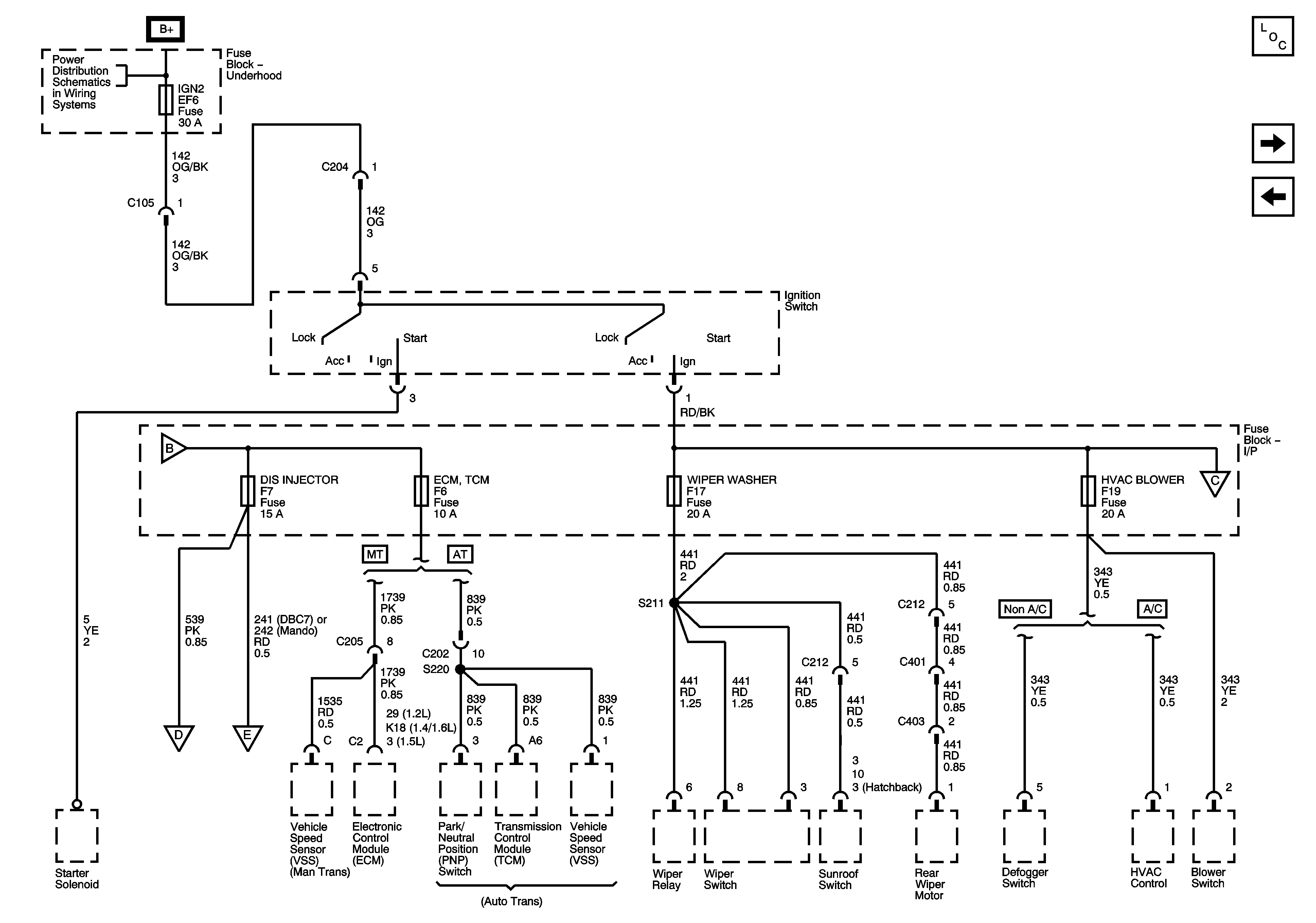
Underhood Fuse Block - IGN 2 Fuse, Ignition Switch, I/P Fuse Block - DIS INJECTOR, ECM TCM, WIPER WASHER, and HVAC BLOWER Fuses
Underhood Fuse Block - I/P Fuses, I/P Fuse Block - HORN, STOPLAMP, METER HAZARD, DOOR LOCK RKE, ECM, TCM, and CLOCK AUDIO Fuses
Underhood Fuse Block - IGN 2 Fuse, Ignition Switch, I/P Fuse Block - DIS INJECTOR, ECM TCM, WIPER WASHER, and HVAC BLOWER Fuses
Underhood Fuse Block - Battery Feeds
Figure 9:

Underhood Fuse Block - IGN 2 Fuse, Ignition Switch, I/P Fuse Block - DIS INJECTOR, ECM TCM, WIPER WASHER, and HVAC BLOWER Fuses


Object Number: 1629842  Size: FS
Master Electrical Component List
Instrument Panel Fuse Block - DIS INJECTOR Fuse
Underhood Fuse Block - IGN 1 Fuse, Ignition Switch, I/P Fuse Block - CIGAR JACK, AUDIO CLOCK, METER CLOCK, TSIG, BACKUP LAMP, and AIR BAG Fuses
Underhood Fuse Block - IGN 1 Fuse, Ignition Switch, I/P Fuse Block - CIGAR JACK, AUDIO CLOCK, METER CLOCK, TSIG, BACKUP LAMP, and AIR BAG Fuses
Instrument Panel Fuse Block - DIS INJECTOR Fuse
Instrument Panel Fuse Block - ABS, ENGINE Fuse
Underhood Fuse Block - Battery Feeds
Figure 10:

Instrument Panel Fuse Block - DIS INJECTOR Fuse


Object Number: 1629885  Size: FS
Master Electrical Component List
Instrument Panel Fuse Block - ABS, ENGINE Fuse
Underhood Fuse Block - IGN 2 Fuse, Ignition Switch, I/P Fuse Block - DIS INJECTOR, ECM TCM, WIPER WASHER, and HVAC BLOWER Fuses
Underhood Fuse Block - IGN 2 Fuse, Ignition Switch, I/P Fuse Block - DIS INJECTOR, ECM TCM, WIPER WASHER, and HVAC BLOWER Fuses
Underhood Fuse Block - IGN 2 Fuse, Ignition Switch, I/P Fuse Block - DIS INJECTOR, ECM TCM, WIPER WASHER, and HVAC BLOWER Fuses
Figure 11:

Instrument Panel Fuse Block - ABS, ENGINE Fuse


Object Number: 1257883  Size: FS
Master Electrical Component List
Instrument Panel Fuse Block - DIS INJECTOR Fuse
Underhood Fuse Block - IGN 2 Fuse, Ignition Switch, I/P Fuse Block - DIS INJECTOR, ECM TCM, WIPER WASHER, and HVAC BLOWER Fuses