GM Service Manual Online
For 1990-2009 cars only
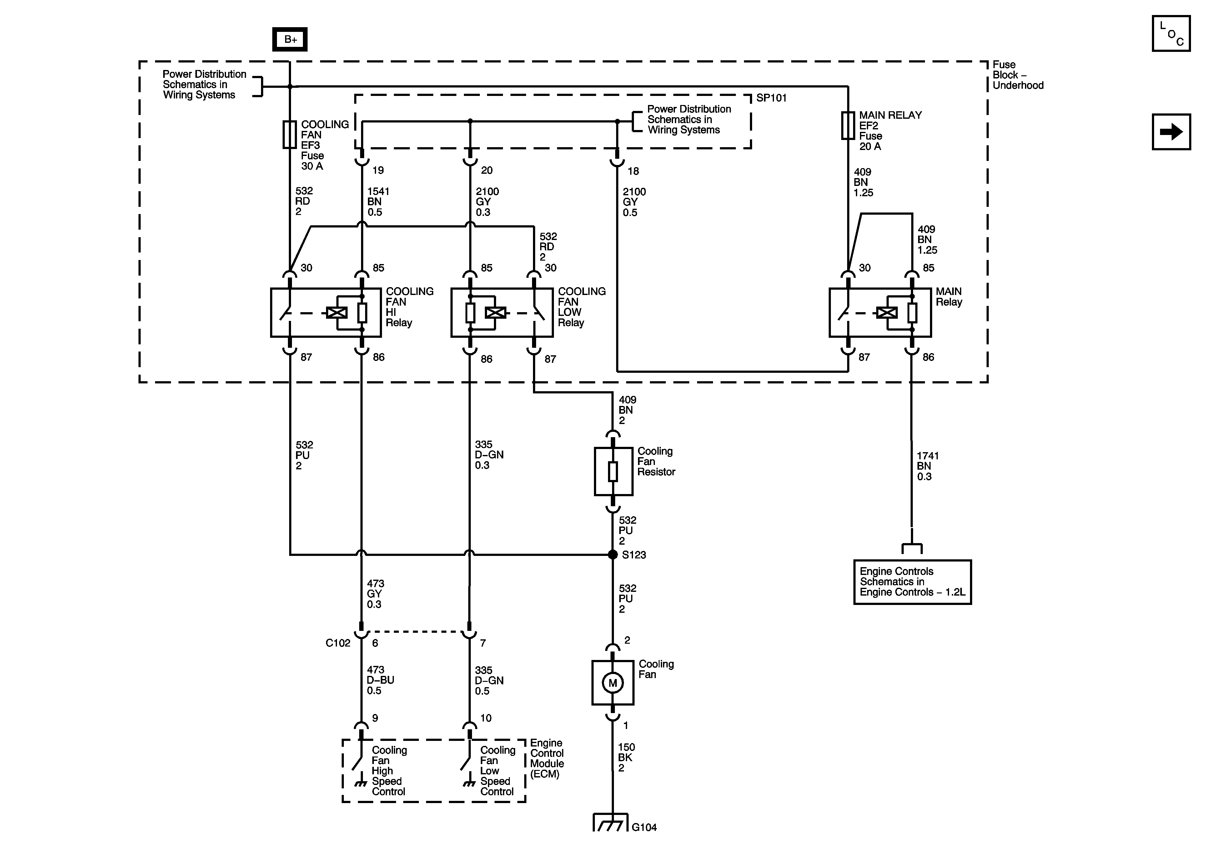
Figure 1:

1.2L


Object Number: 1291853  Size: FS
Master Electrical Component List
Single Cooling Fan - 1.4L SOHC, 1.5L
Underhood Fuse Block - POWER WINDOW, COOLING FAN LOW Relay, and MAIN RELAY (1.2L) and FUEL PUMP Fuses
Underhood Fuse Block - POWER WINDOW, COOLING FAN LOW Relay, and MAIN RELAY (1.2L) and FUEL PUMP Fuses
Module Power, Ground, Serial Data, and MIL
G104
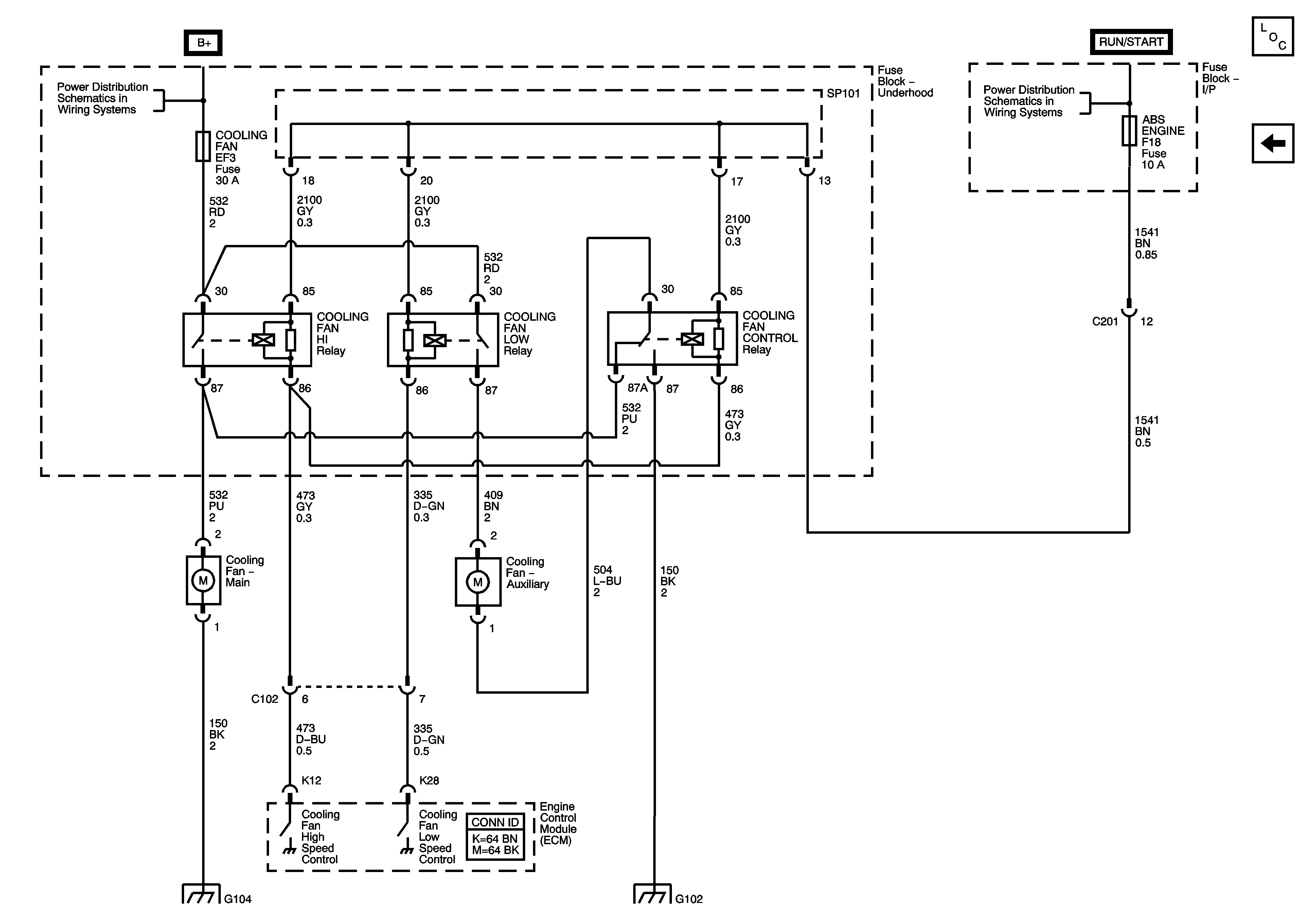
Figure 2:

1.4L SOHC and 1.5L


Object Number: 1291867  Size: FS
Master Electrical Component List
Dual Cooling Fan - 1.4L DOHC, 1.6L
Single Cooling Fan (1.2L)
Underhood Fuse Block - POWER WINDOW, COOLING FAN LOW Relay, and MAIN RELAY (1.2L) and FUEL PUMP Fuses
Underhood Fuse Block - POWER WINDOW, COOLING FAN LOW Relay, and MAIN RELAY (1.2L) and FUEL PUMP Fuses
Instrument Panel Fuse Block - ABS, ENGINE Fuse
G104
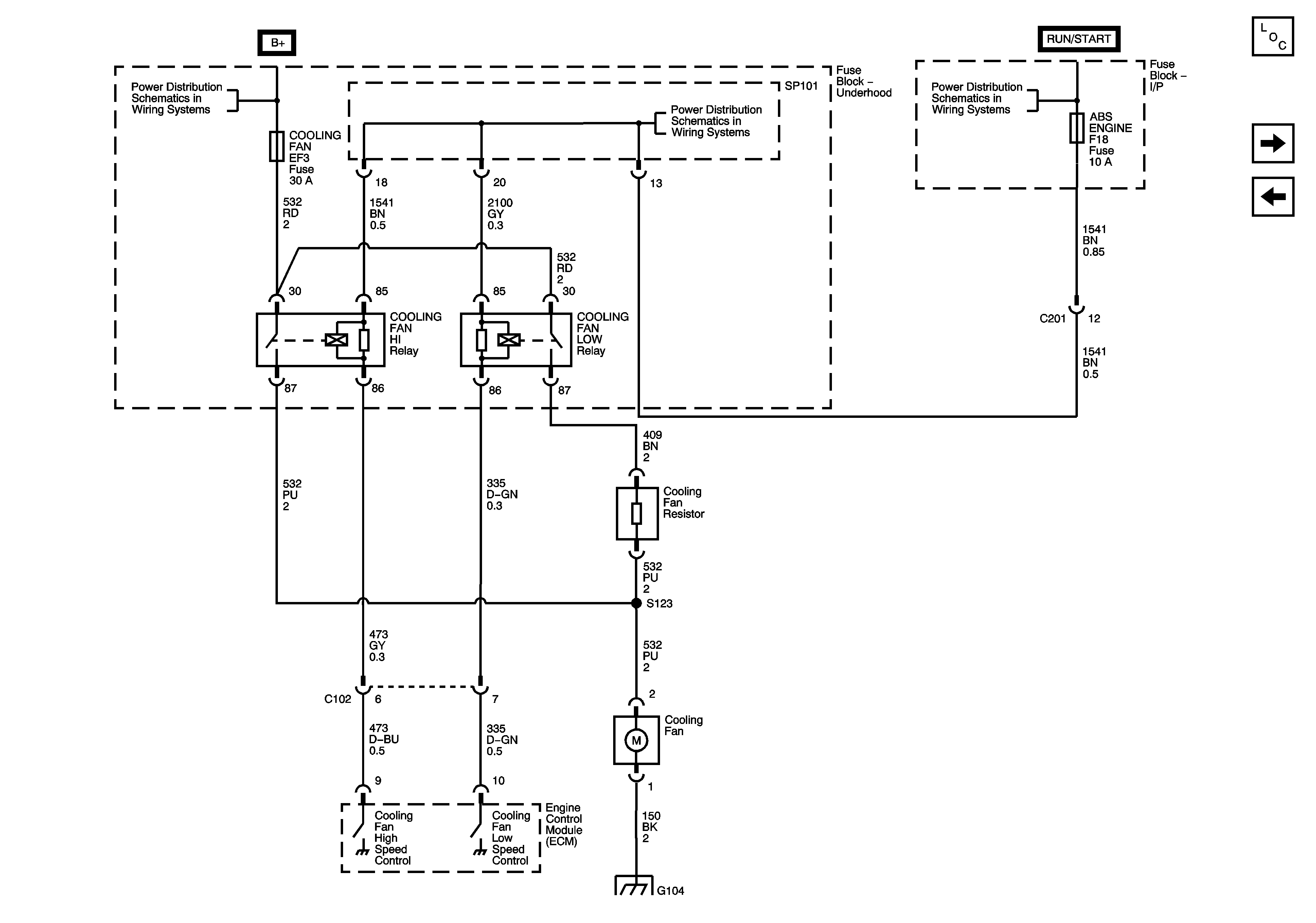
Figure 3:

1.4L DOHC and 1.6L


Object Number: 1257885  Size: FS
Master Electrical Component List
Single Cooling Fan - 1.4L SOHC, 1.5L
Underhood Fuse Block - POWER WINDOW, COOLING FAN LOW Relay, and MAIN RELAY (1.2L) and FUEL PUMP Fuses
Instrument Panel Fuse Block - ABS, ENGINE Fuse
G104
G102