GM Service Manual Online
For 1990-2009 cars only
Makes
🢒
Chevrolet
🢒
2005
🢒
Aveo
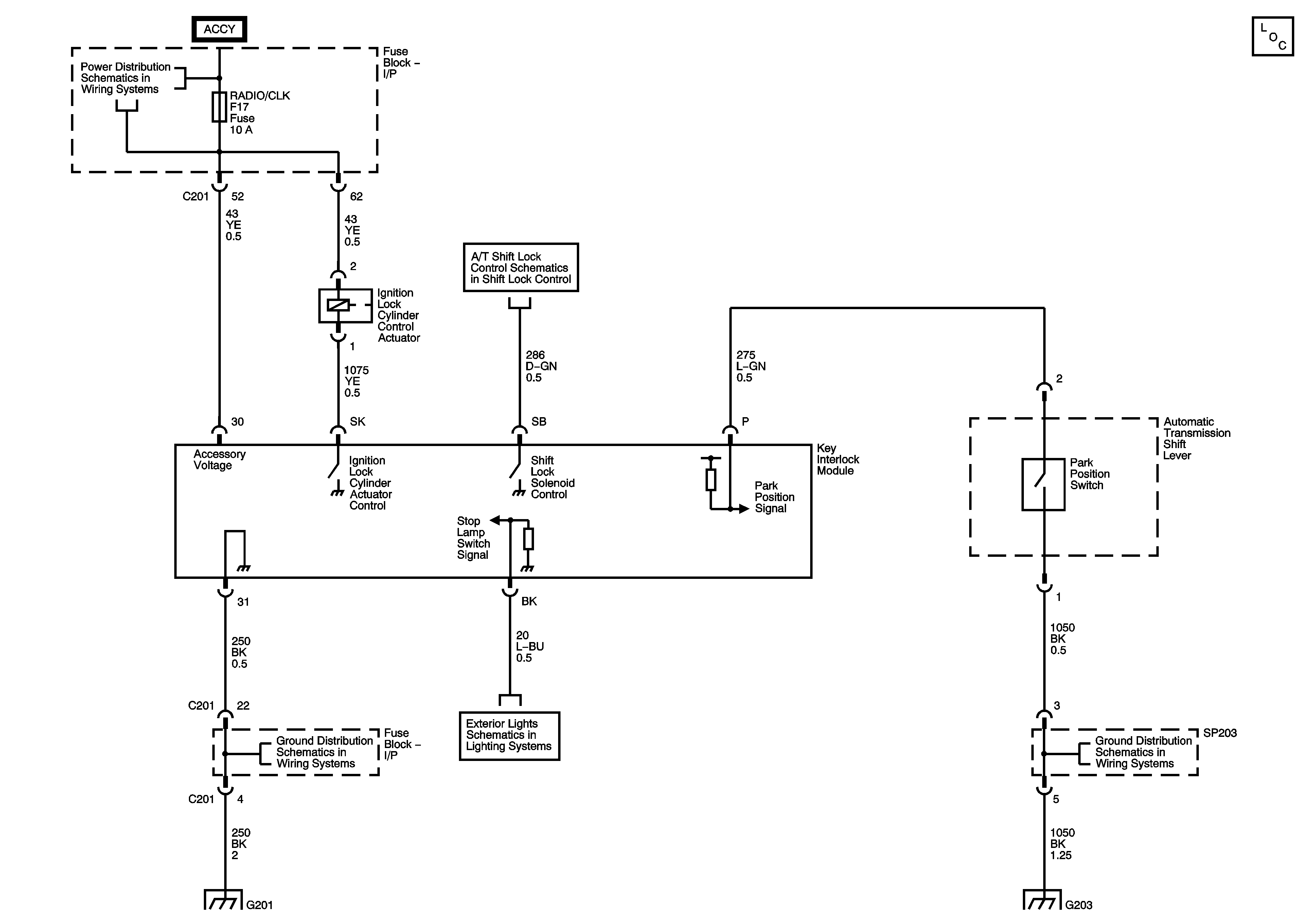
🢒 Ignition Lock
Ignition Lock
Ignition Lock
Master Electrical Component List
I/P Fuse Block - RADIO/CLK, AUX LTR, and LTR Fuses
Shift Lock Control - w/ Ignition Lock Cylinder Control Actuator
Stop Lamps (Notchback)
G201
G203