GM Service Manual Online
For 1990-2009 cars only
Makes
🢒
Chevrolet
🢒
2005
🢒
Aveo
🢒 Power Door Locks
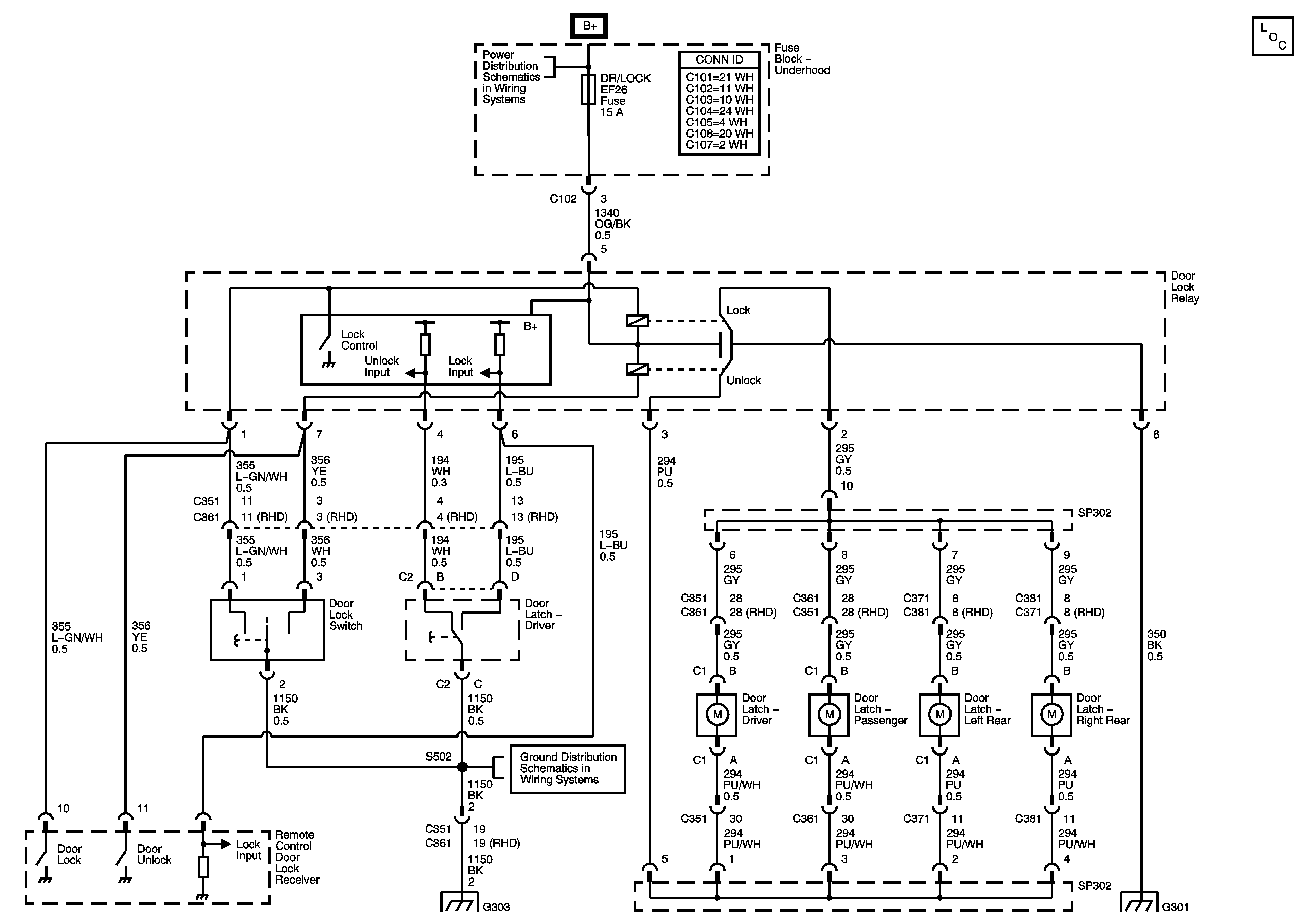
Power Door Locks
Power Door Locks
Master Electrical Component List
Underhood Fuse Block - IP FUSE, DR/LOCK and STOP LAMPS Fuses
G303 - Hatchback, Notchback LHD