GM Service Manual Online
For 1990-2009 cars only
Makes
🢒
Chevrolet
🢒
2005
🢒
Aveo
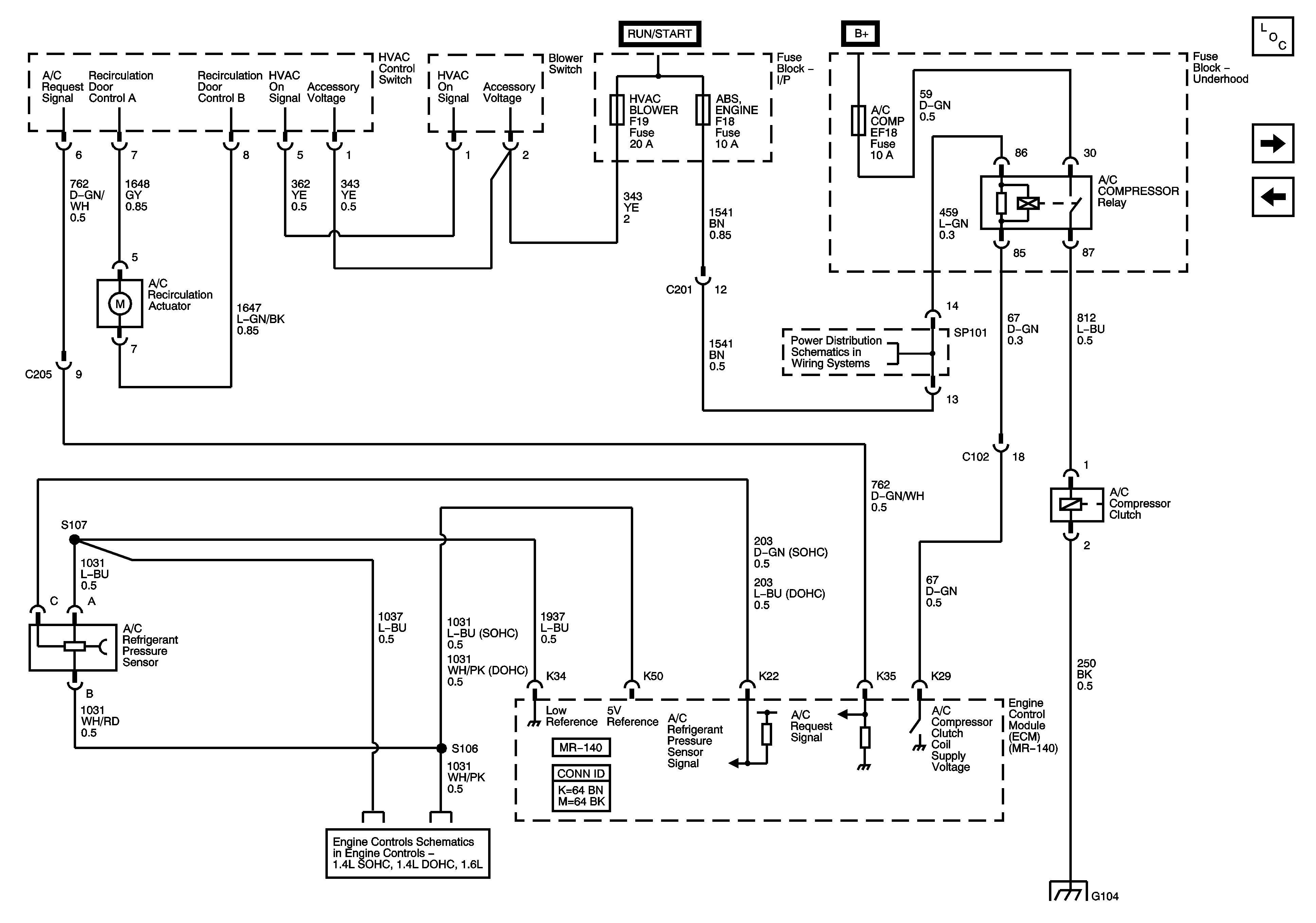
🢒 Compressor Controls (MR-140)
Compressor Controls (MR-140)
Compressor Controls - MR-140
Master Electrical Component List
Compressor Controls (HV-240)
Compressor Controls (Sirius D4)
Instrument Panel Fuse Block - ABS, ENGINE Fuse
Controlled/Monitored Subsystem References
Fuel Controls - Fuel Pump Controls and Fuel Injectors
Fuel Controls - EVAP Controls
G104