GM Service Manual Online
For 1990-2009 cars only
Makes
🢒
Chevrolet
🢒
2005
🢒
Aveo
🢒 Gages - 1.2L
Gages - 1.2L
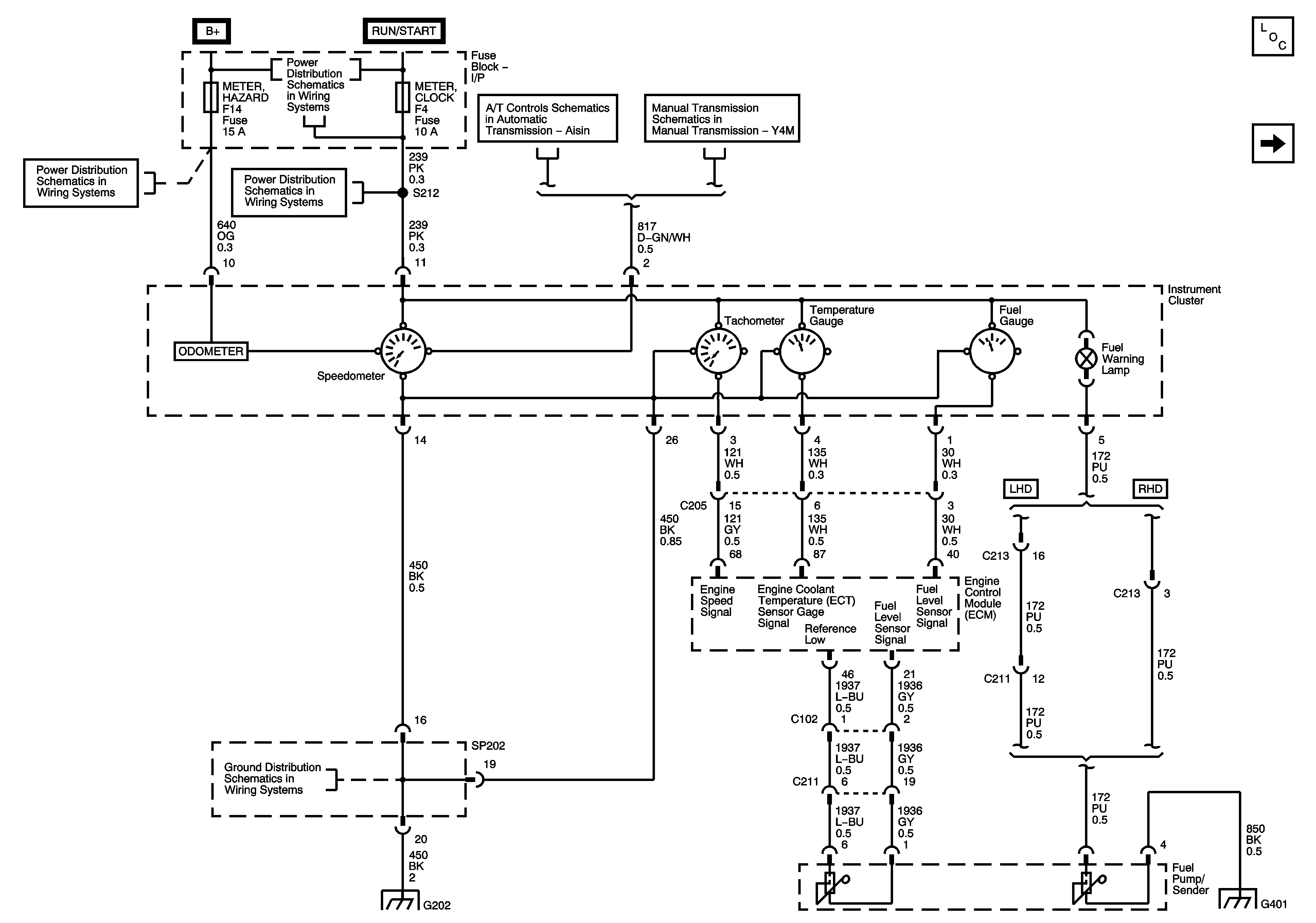
Instrument Panel Gages - 1.2L
Master Electrical Component List
Instrument Panel Gages (1.4L/1.6L)
Underhood Fuse Block - IGN 1 Fuse, Ignition Switch, I/P Fuse Block - CIGAR JACK, AUDIO CLOCK, METER CLOCK, TSIG, BACKUP LAMP, and AIR BAG Fuses
Underhood Fuse Block - IGN 1 Fuse, Ignition Switch, I/P Fuse Block - CIGAR JACK, AUDIO CLOCK, METER CLOCK, TSIG, BACKUP LAMP, and AIR BAG Fuses
Module Power, Ground, Malfunction Indicator Lamp (MIF), Hold Lamp and Serial Data
Manual Transmission
Underhood Fuse Block - IGN 1 Fuse, Ignition Switch, I/P Fuse Block - CIGAR JACK, AUDIO CLOCK, METER CLOCK, TSIG, BACKUP LAMP, and AIR BAG Fuses
G201, G202 - 3 of 3
G201, G202 - 3 of 3