GM Service Manual Online
For 1990-2009 cars only
Makes
🢒
Chevrolet
🢒
2005
🢒
Aveo
🢒 Headlamps
Headlamps
Master Electrical Component List
Underhood Fuse Block - Battery Feeds
Underhood Fuse Block - Battery Feeds
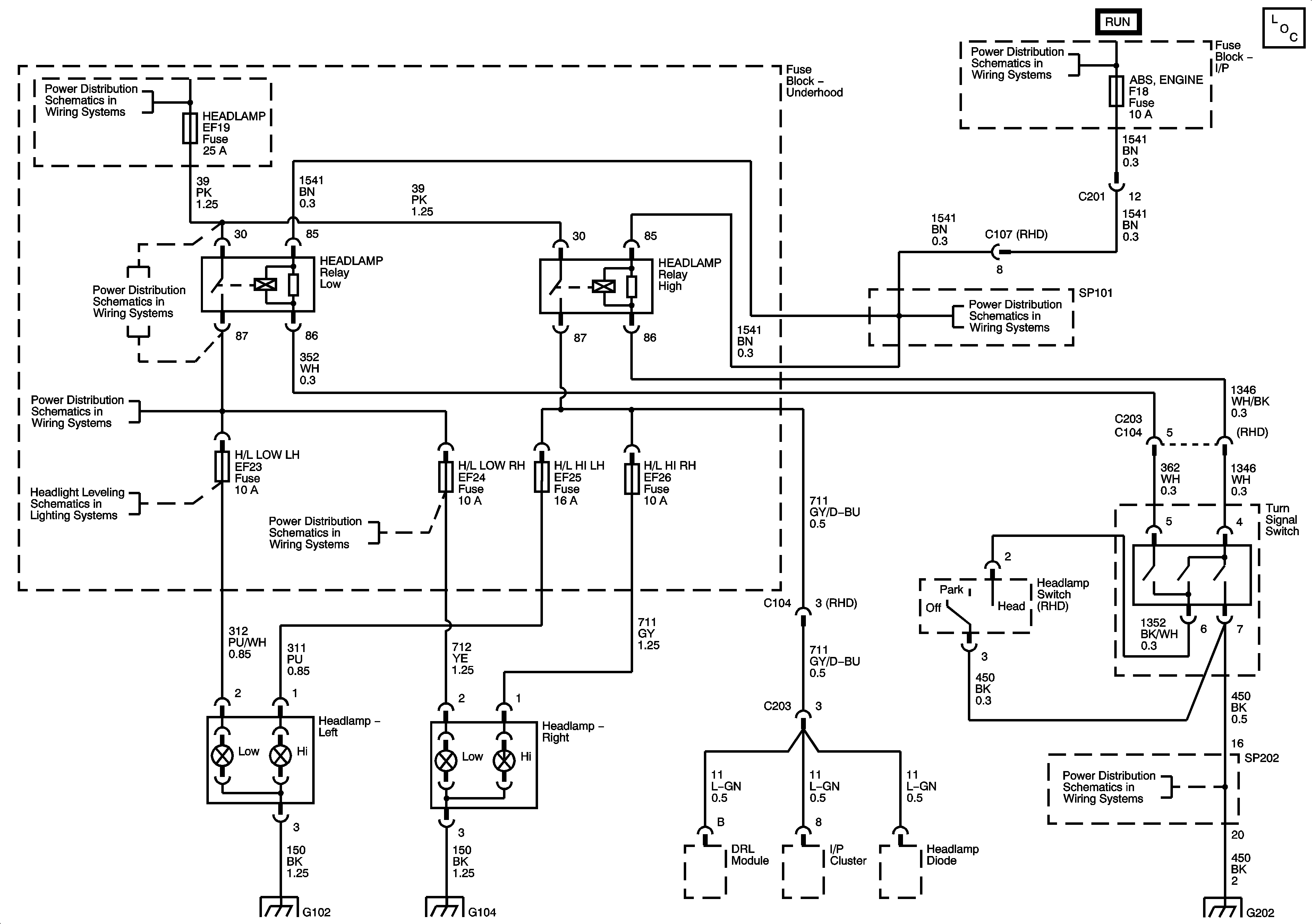
Underhood Fuse Block - A/C COMP, HEADLAMP, H/L LOW RH. H/L LOW LH, H/L HI LH, H/L HI RH Fuses
Underhood Fuse Block - ILLUM LAMP, ILLUM RH and LH Fuses
Underhood Fuse Block - Battery Feeds
Headlamp Leveling
Underhood Fuse Block - A/C COMP, HEADLAMP, H/L LOW RH. H/L LOW LH, H/L HI LH, H/L HI RH Fuses
G201, G202 - 3 of 3
G101, G102 and G105
G104
G201, G202 - 3 of 3