GM Service Manual Online
For 1990-2009 cars only
Makes
🢒
Chevrolet
🢒
2005
🢒
Aveo
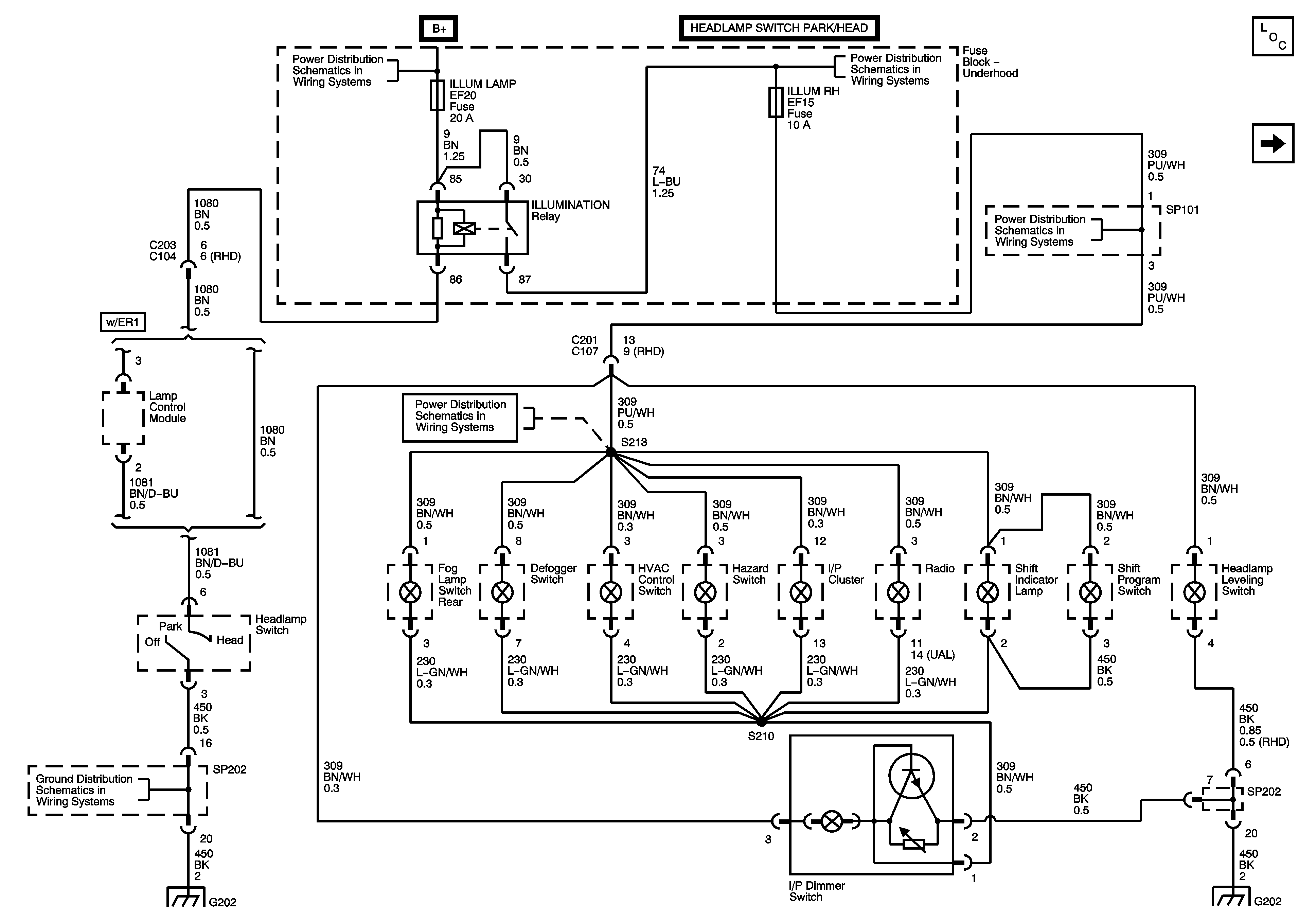
🢒 Interior Lights I/P w/Dimmer
Interior Lights I/P w/Dimmer
Interior Lights I/P w/Dimmer
Master Electrical Component List
Interior Lights I/P w/o Dimmer
Underhood Fuse Block - ILLUM LAMP, ILLUM RH and LH Fuses
Underhood Fuse Block - ILLUM LAMP, ILLUM RH and LH Fuses
Underhood Fuse Block - ILLUM LAMP, ILLUM RH and LH Fuses
Underhood Fuse Block - ILLUM LAMP, ILLUM RH and LH Fuses
G202 - 1 of 3
G202 - 1 of 3
G202 - 1 of 3