GM Service Manual Online
For 1990-2009 cars only
Makes
🢒
Chevrolet
🢒
2007
🢒
Aveo
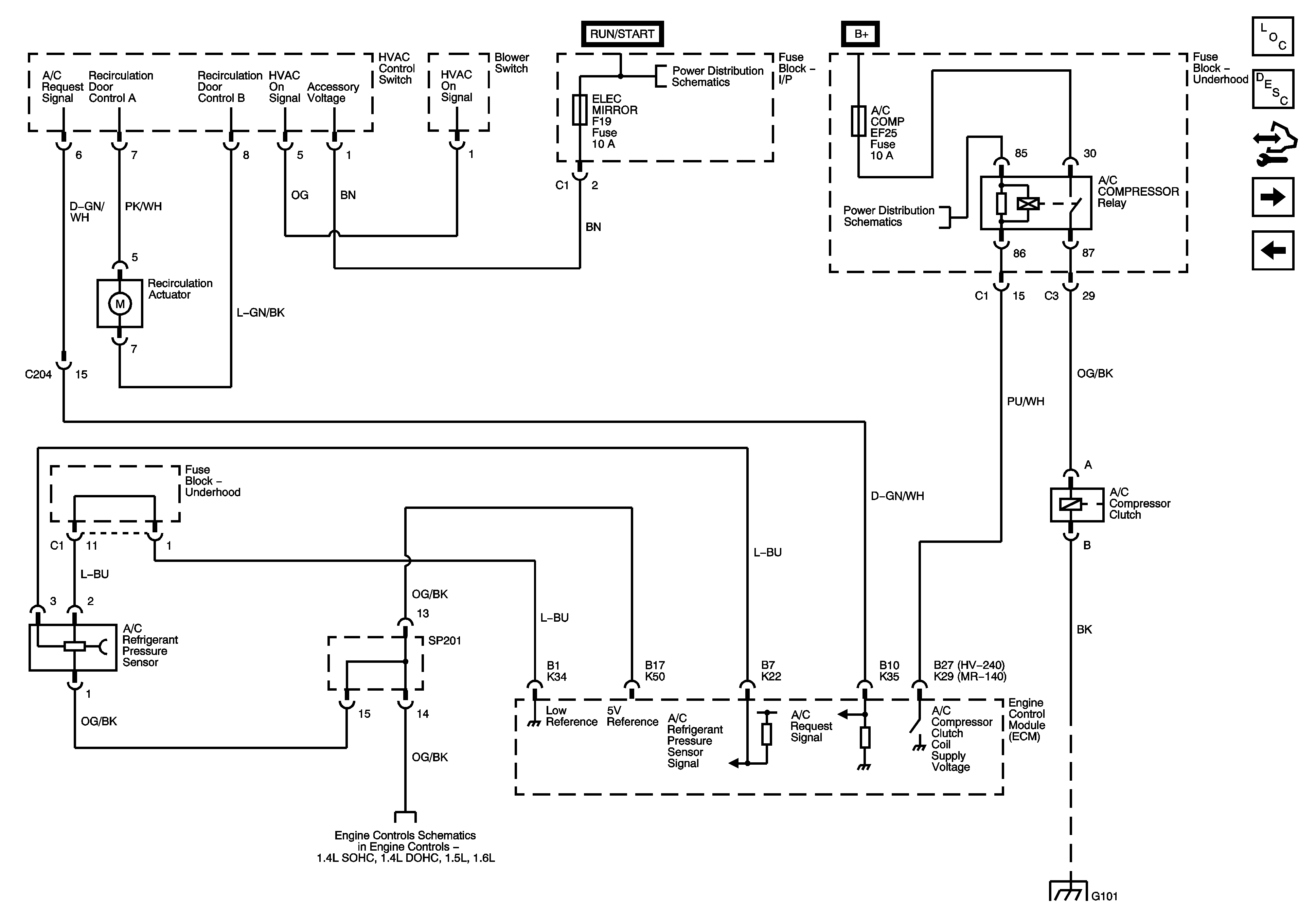
🢒 Compressor Controls
Compressor Controls
Compressor Controls
Master Electrical Component List Notchback
Control Module References
Compressor Controls Sirius D42
Blower Controls
ACC/IG 1 Fuse, Ignition Switch, B/UP LAMP, ELEC MIRROR Fuses
ABS, HAZARD, ECU, FUEL PUMP Fuses
TP, ECT, IAT, Knock Sensors
G101, G103, G104