GM Service Manual Online
For 1990-2009 cars only
Makes
🢒
Chevrolet
🢒
2007
🢒
Aveo
🢒 Charging System
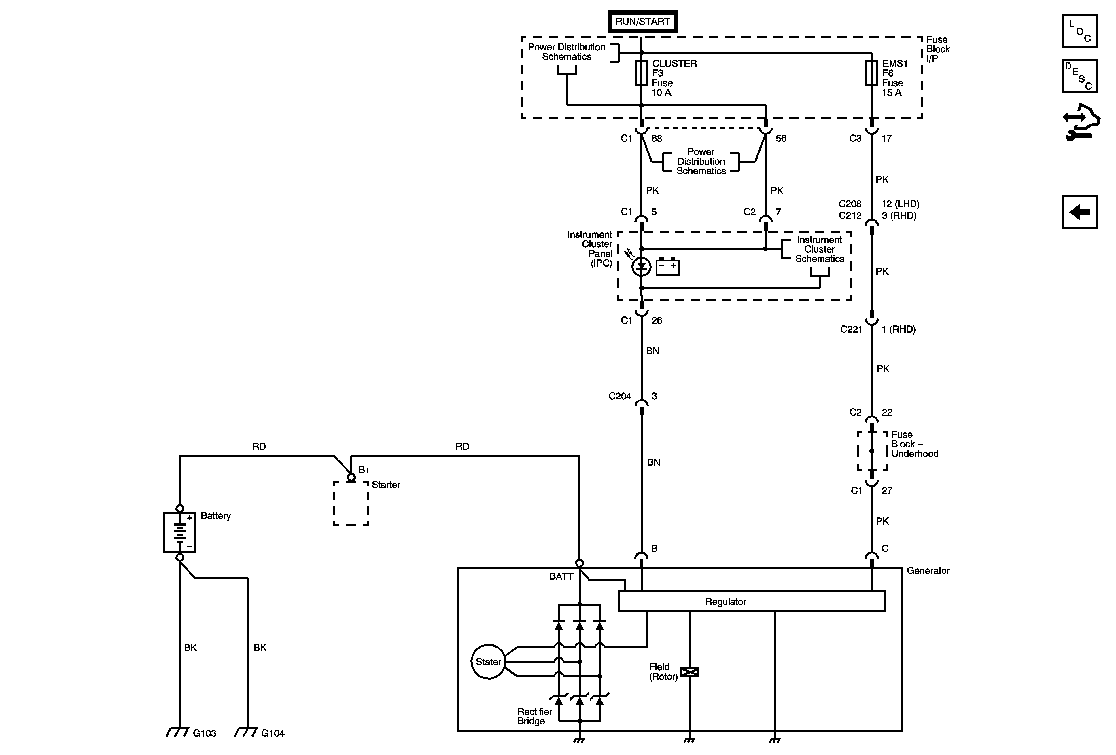
Charging System
Charging System
Master Electrical Component List Notchback
Charging System Description and Operation
Control Module References
Starting System
IGN 2/ST Fuse, Ignition Switch, CIGAR, AUDIO/CLOCK, CLUSTER, T/SIG Fuses
IGN 2/ST Fuse, Ignition Switch, CIGAR, AUDIO/CLOCK, CLUSTER, T/SIG Fuses
Charge, Brake, MIL, Seat Belt, Air Bag, Oil Pressure, HOLD, ABS, Door Open Indicators
G101, G103, G104