GM Service Manual Online
For 1990-2009 cars only
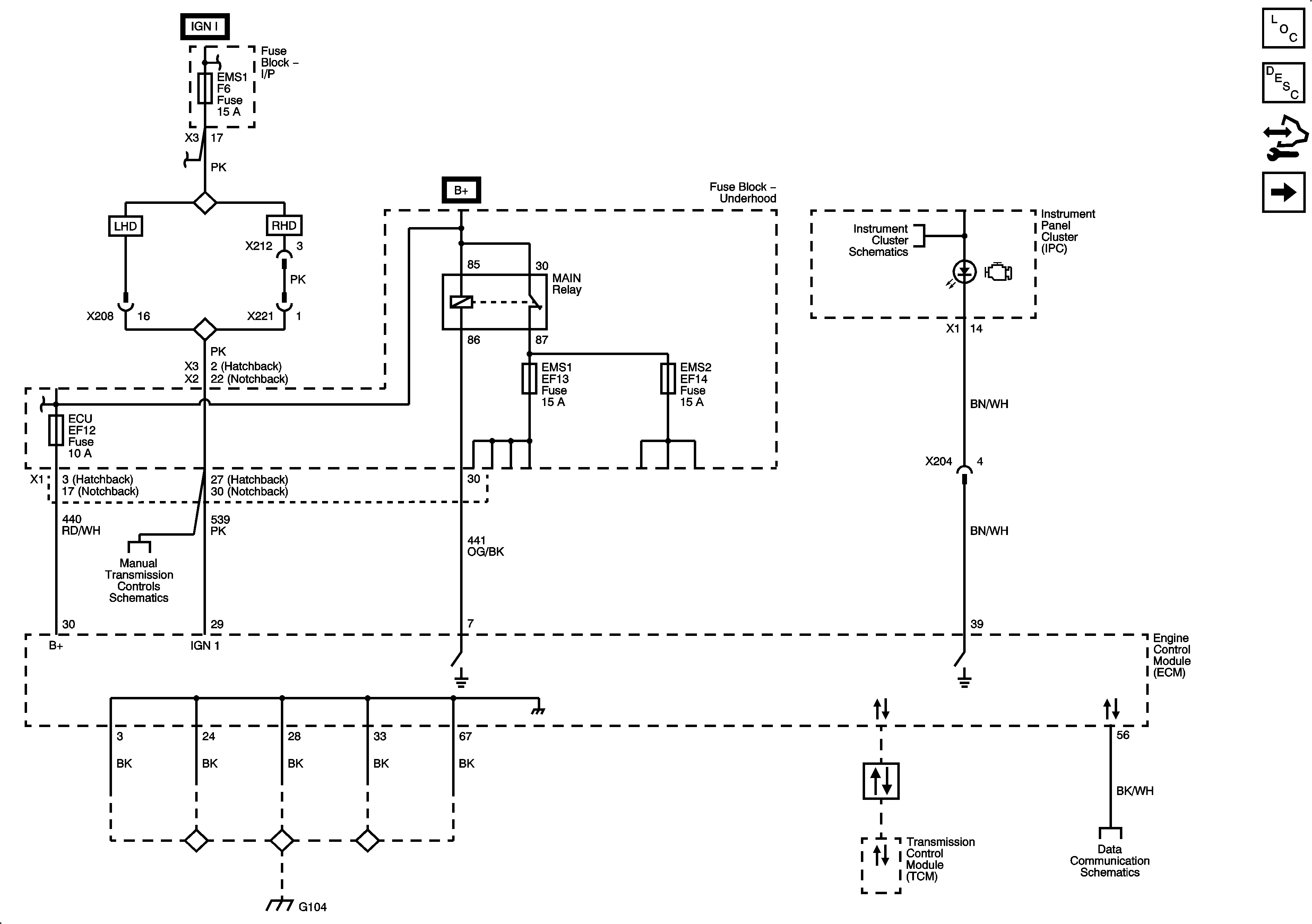
Figure 1:

Power, Ground, MIL, Serial Data


Object Number: 2040092  Size: FS
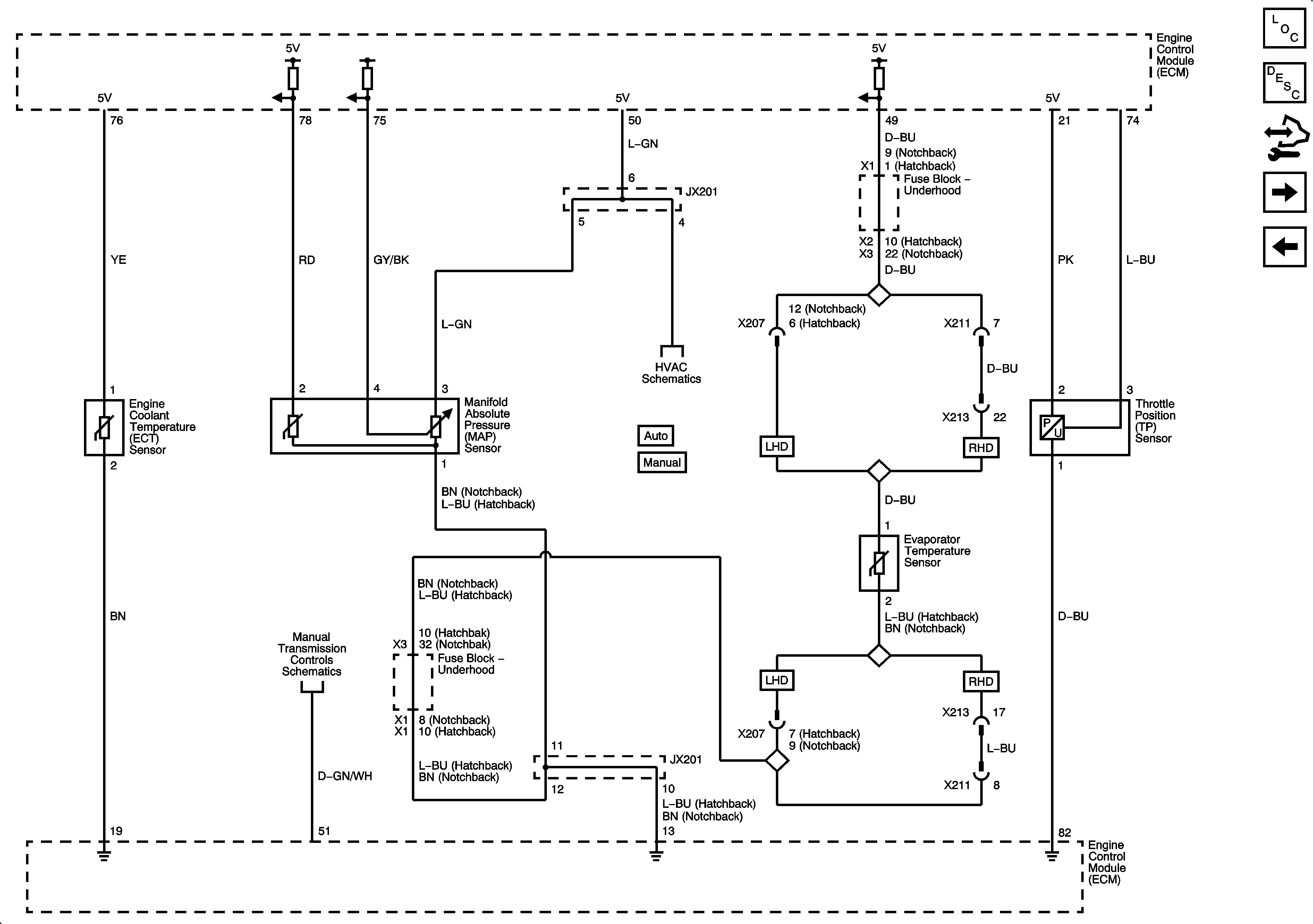
Figure 2:

Engine Data Sensors - Pressure and Temperature, VSS


Object Number: 2040093  Size: FS
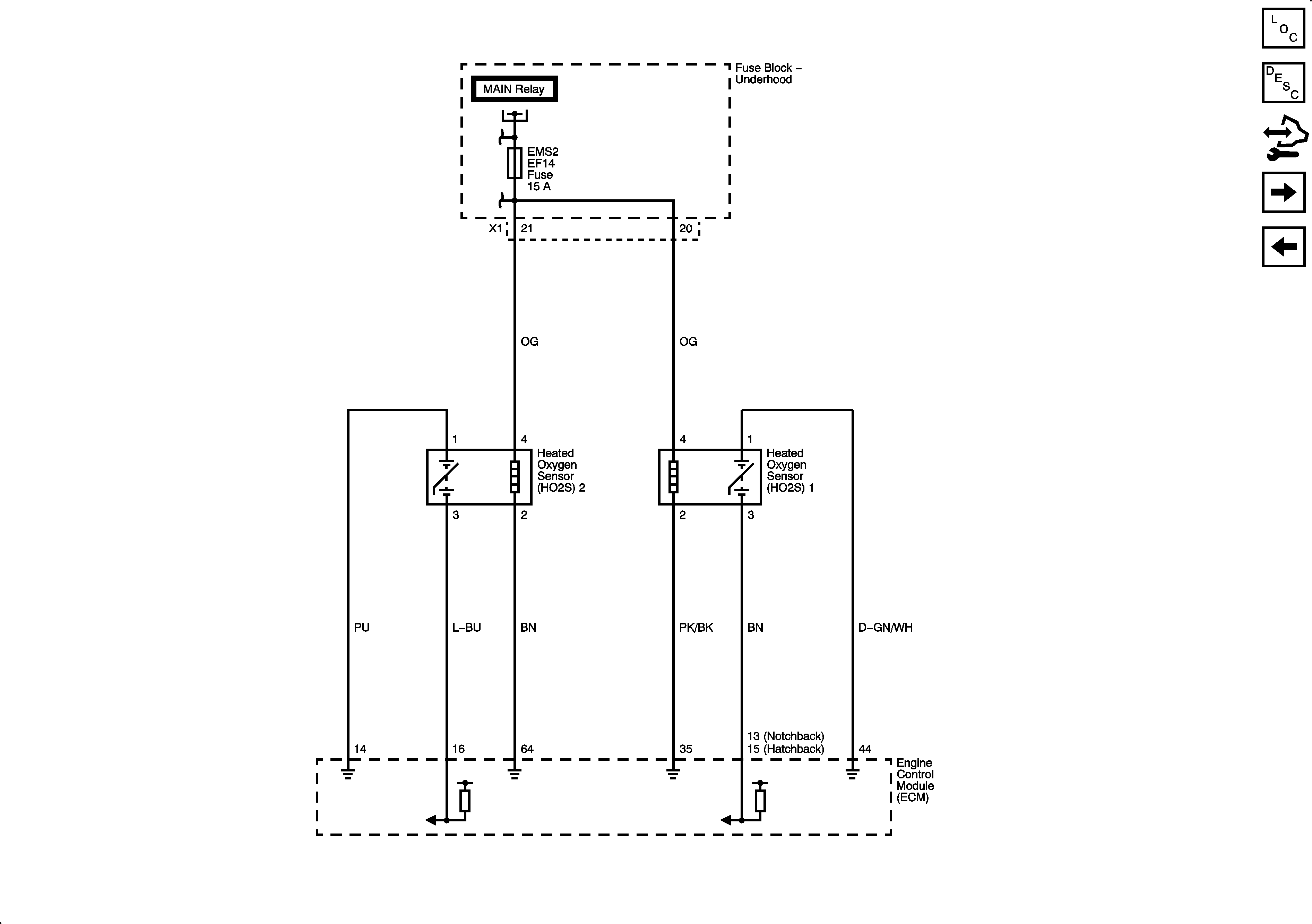
Figure 3:

Engine Data Sensors - Oxygen Sensors


Object Number: 2040095  Size: FS
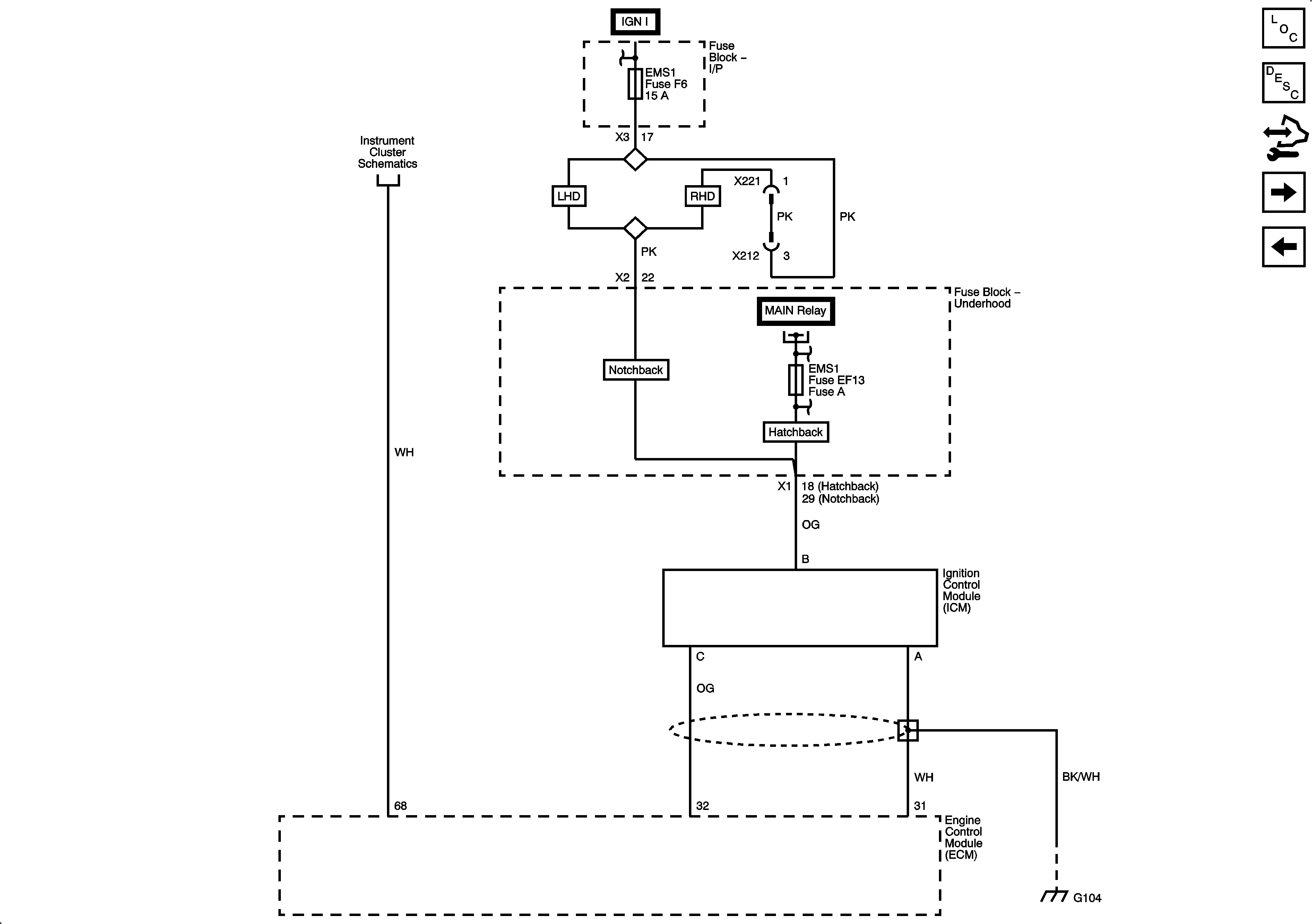
Figure 4:

Ignition Controls - Ignition System


Object Number: 2040094  Size: FS
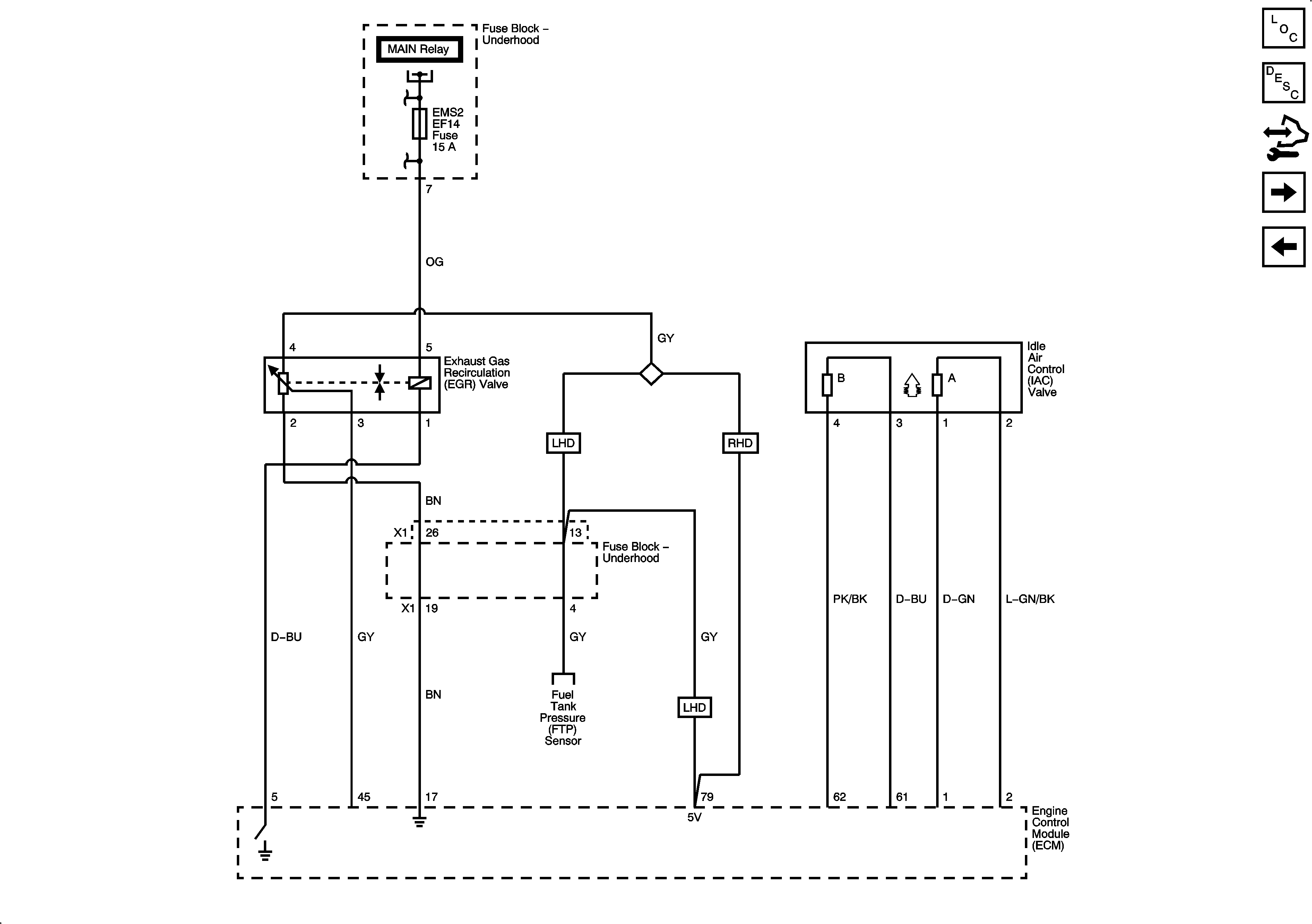
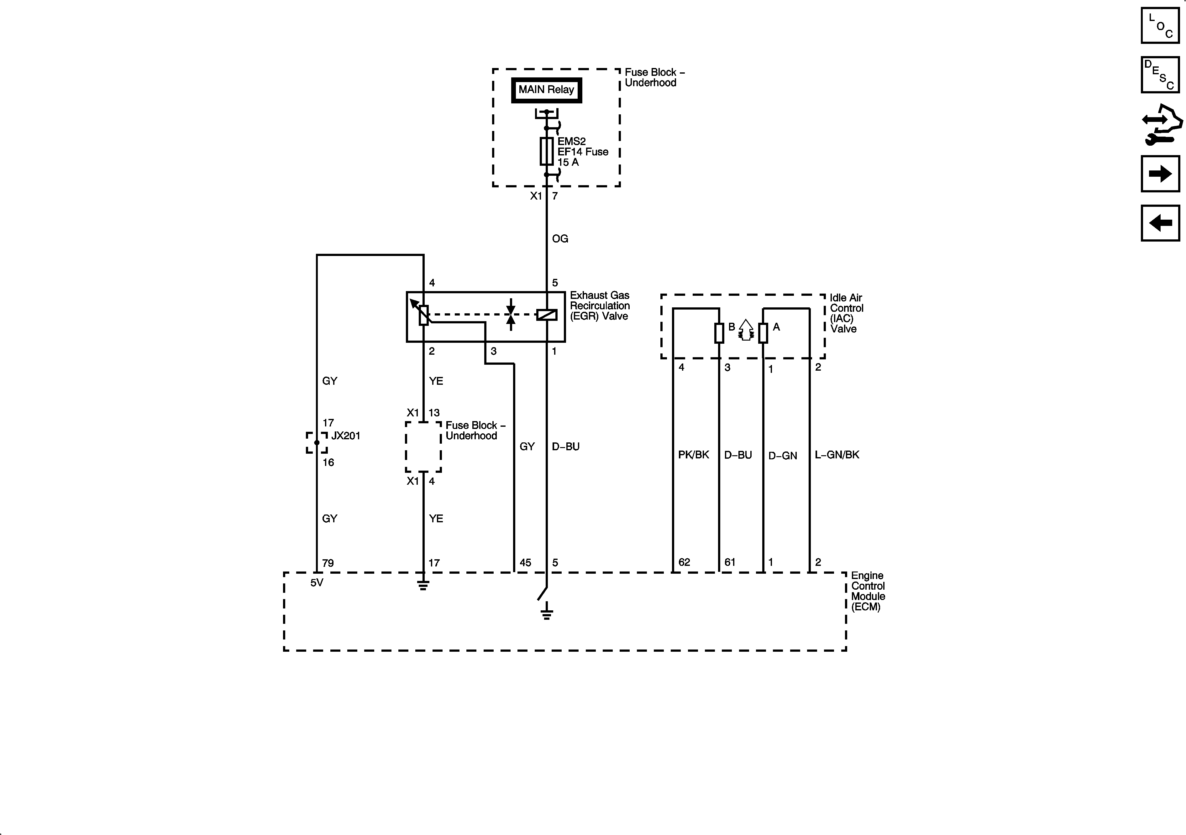
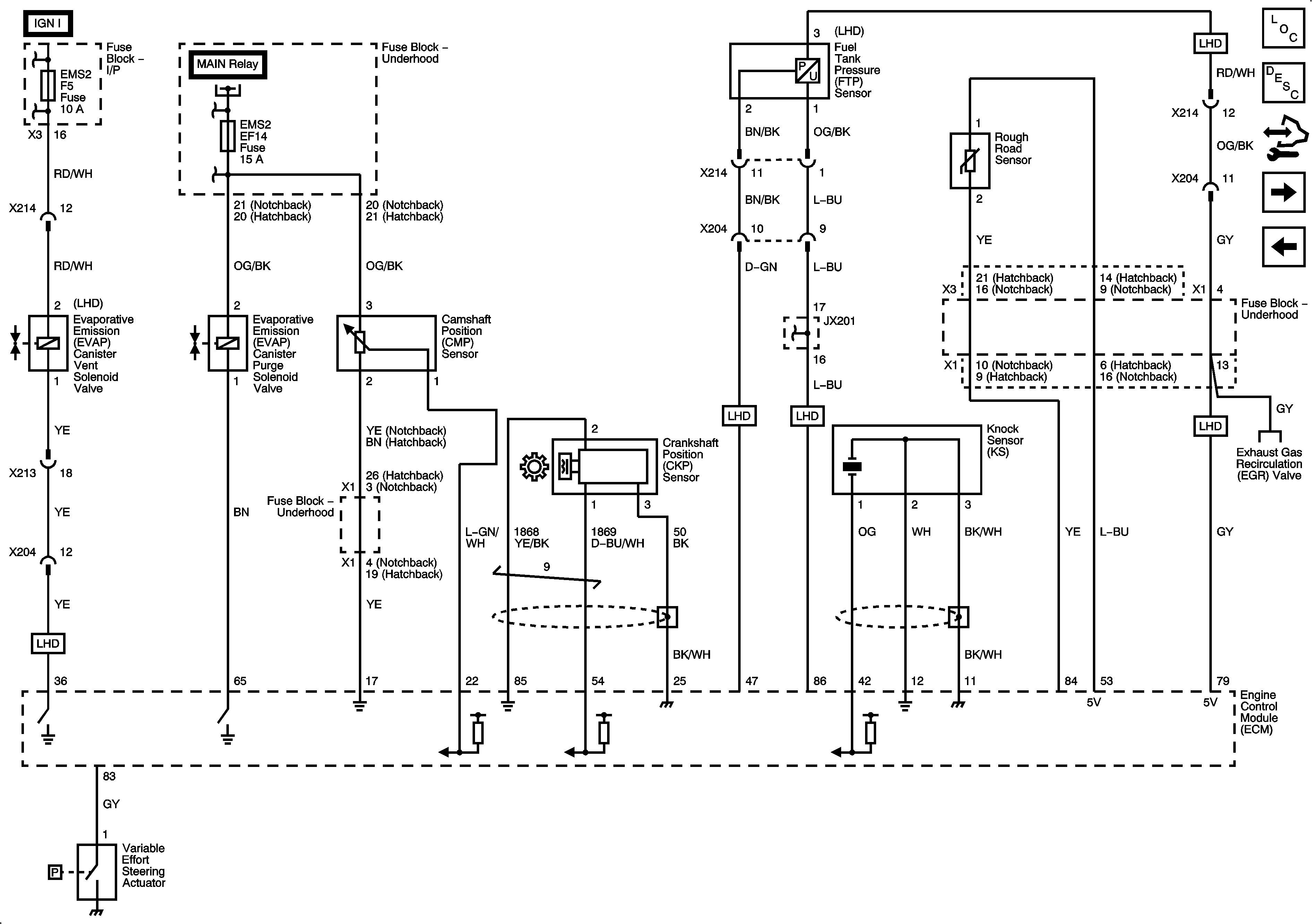
Figure 5:

Ignition Controls Sensors, EVAP Controls, Rough Road Sensor, Power Steering Pressure Switch


Object Number: 2040096  Size: FS
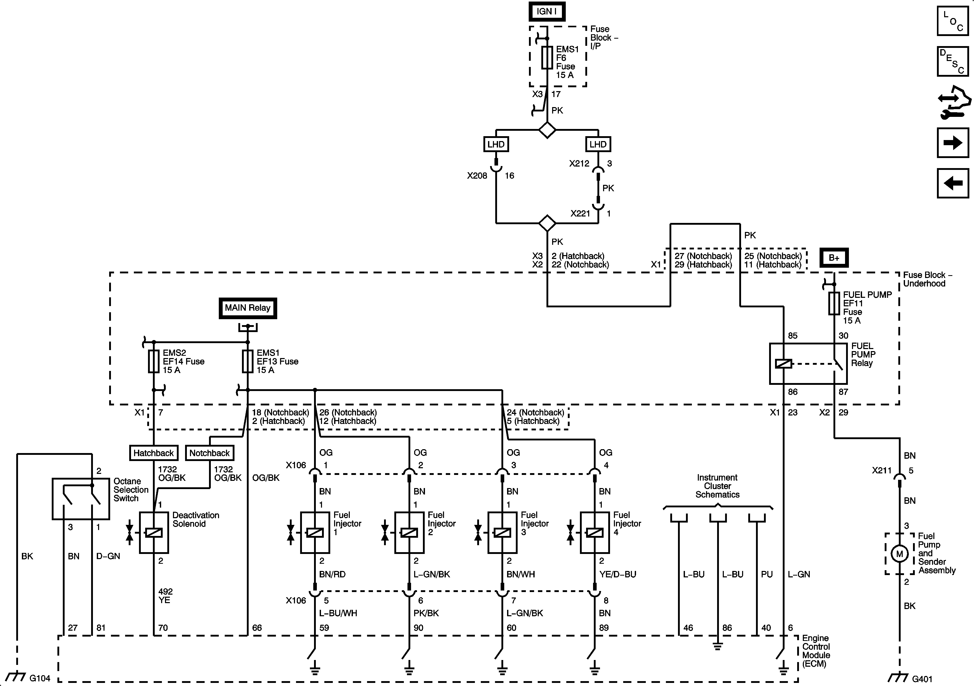
Figure 6:

Fuel Pump Controls and Injectors, Octane Selection Switch


Object Number: 2040097  Size: FS
Figure 7:

Device Controls (Hatchback)


Object Number: 2040100  Size: FS
Figure 8:

Device Controls (Notchback)


Object Number: 2040392  Size: FS
Figure 9:

Controlled/Monitored Subsystem References


Object Number: 2040101  Size: FS