GM Service Manual Online
For 1990-2009 cars only
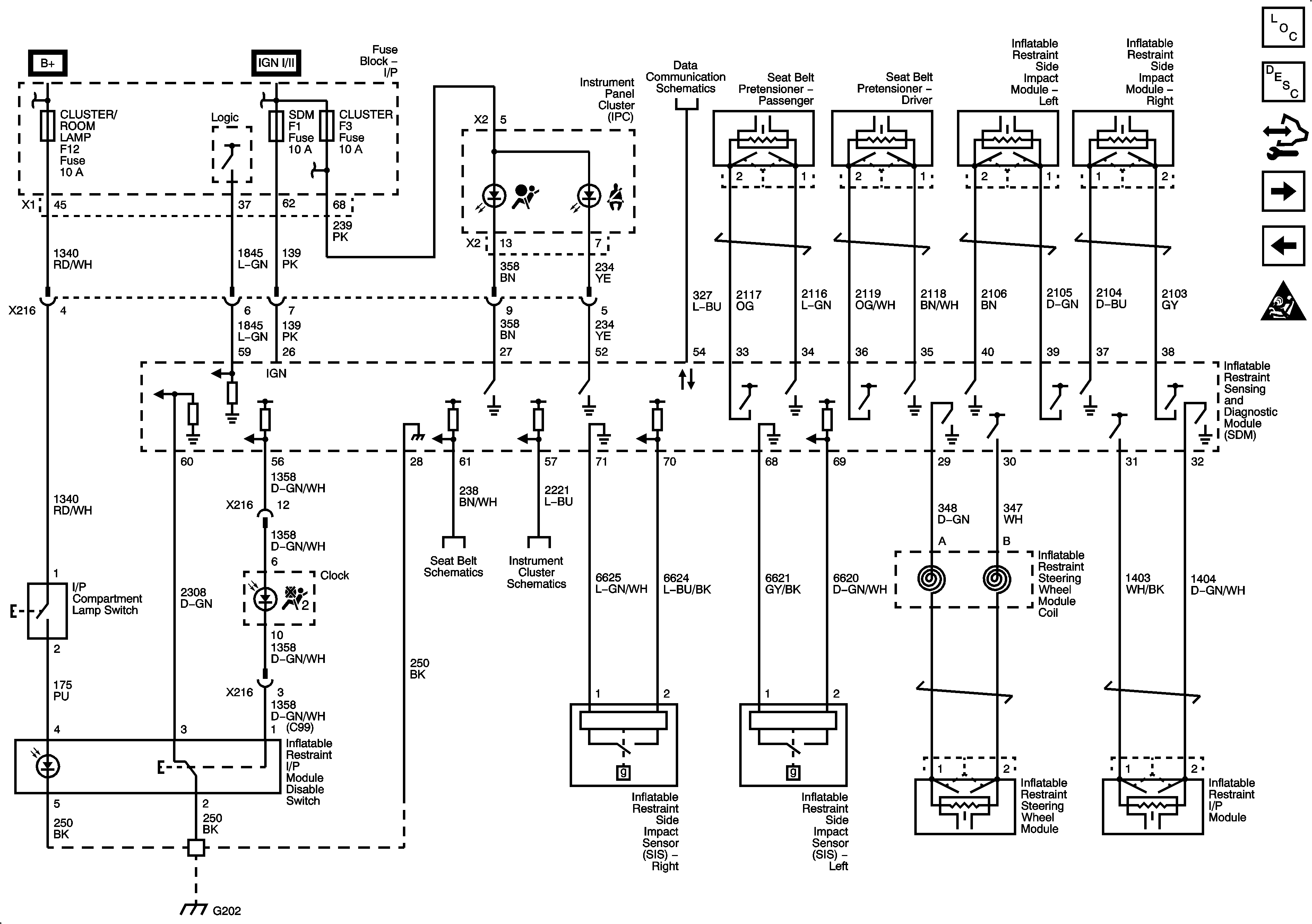
Figure 1:

Left Hand Drive without WHB


Object Number: 2146811  Size: FS
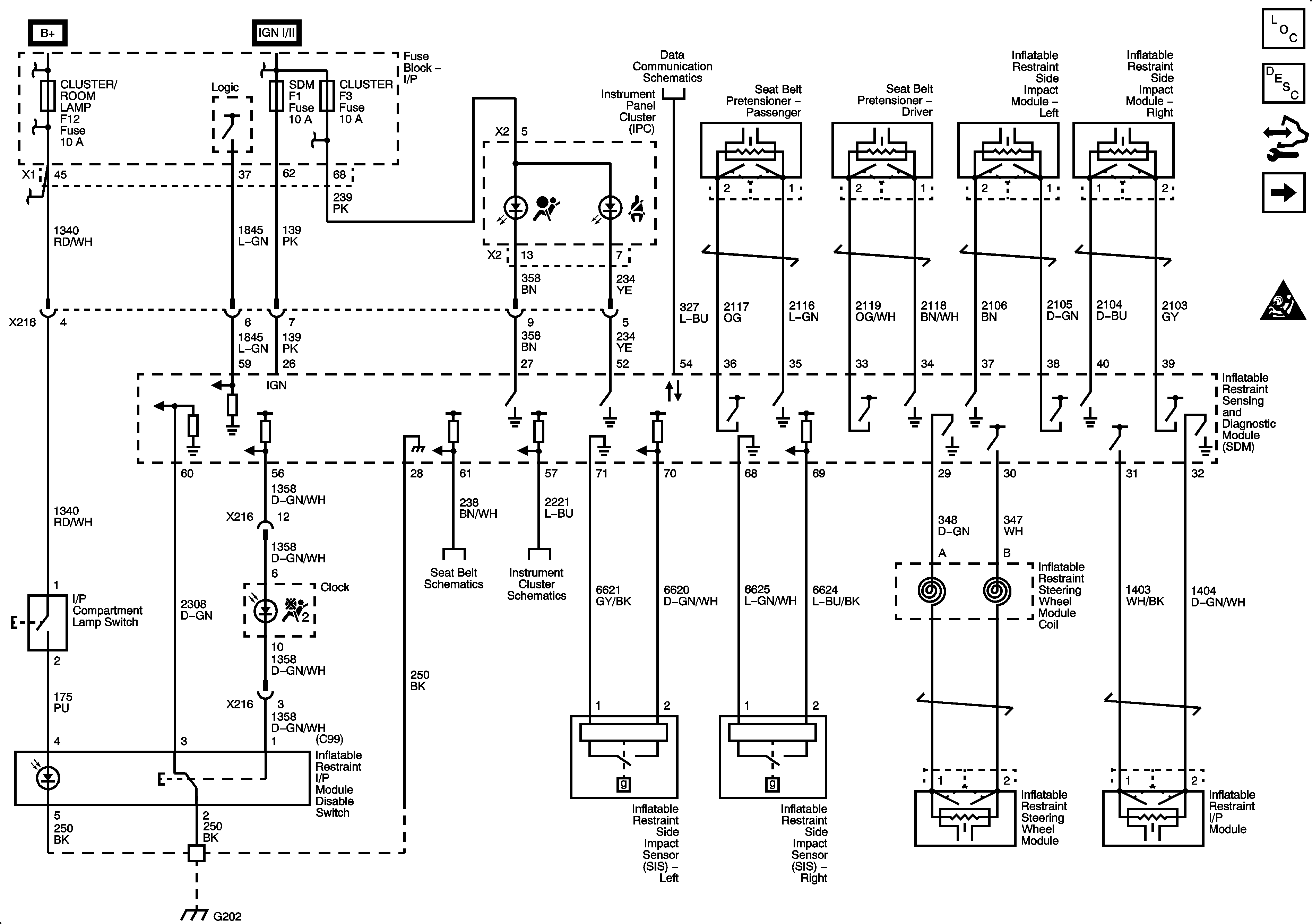
Figure 2:

Right Hand Drive


Object Number: 2146815  Size: FS
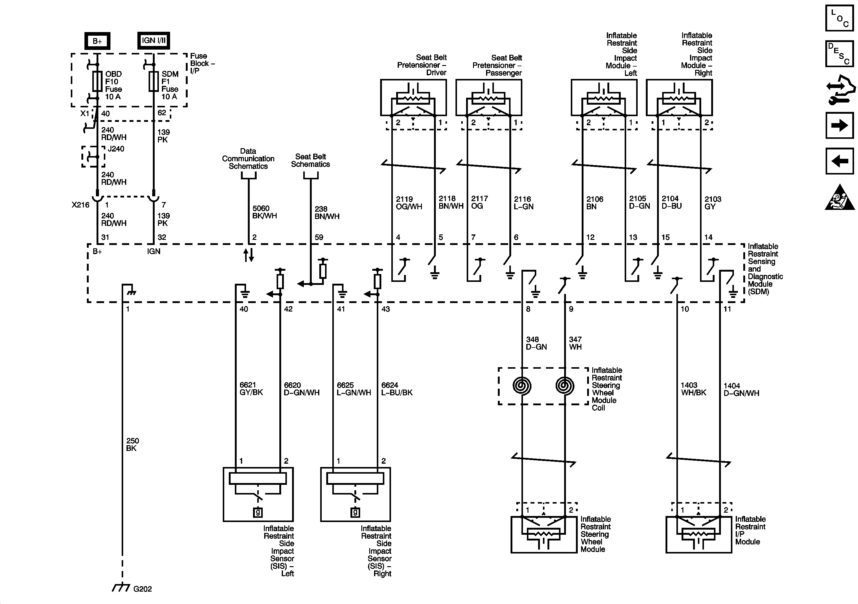
Figure 3:

WHB without C98


Object Number: 2158987  Size: FS
Figure 4:

WHB with C98


Object Number: 2158989  Size: FS