GM Service Manual Online
For 1990-2009 cars only

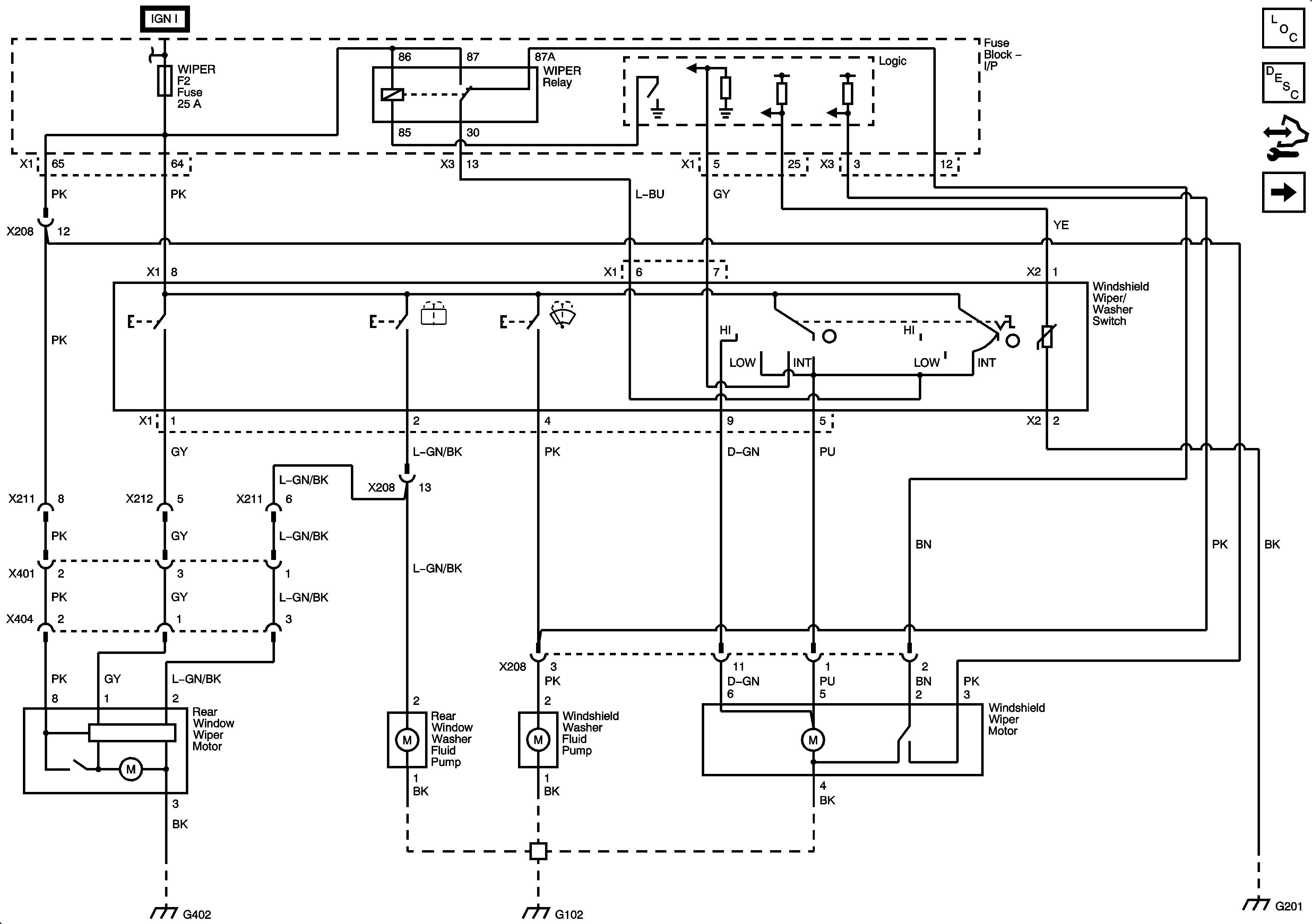
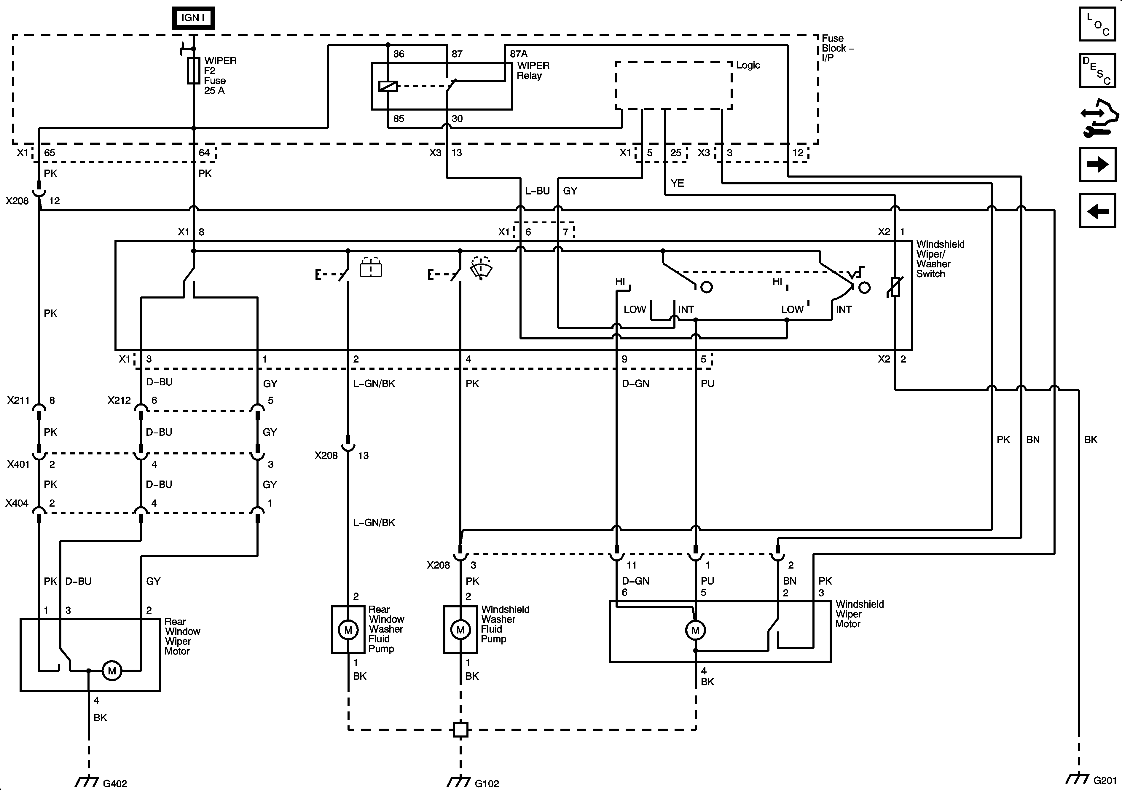
Wiper/Washer Schematics Hatchback

Figure 1:

Hatchback (LHD) w/CD4


Object Number: 2056510  Size: FS
Figure 2:

Hatchback (LHD) w/o CD4


Object Number: 2056516  Size: FS
Figure 3:

Hatchback (RHD) w/CD4


Object Number: 2056497  Size: FS
Figure 4:

Hatchback (RHD) w/o CD4


Object Number: 2056509  Size: FS

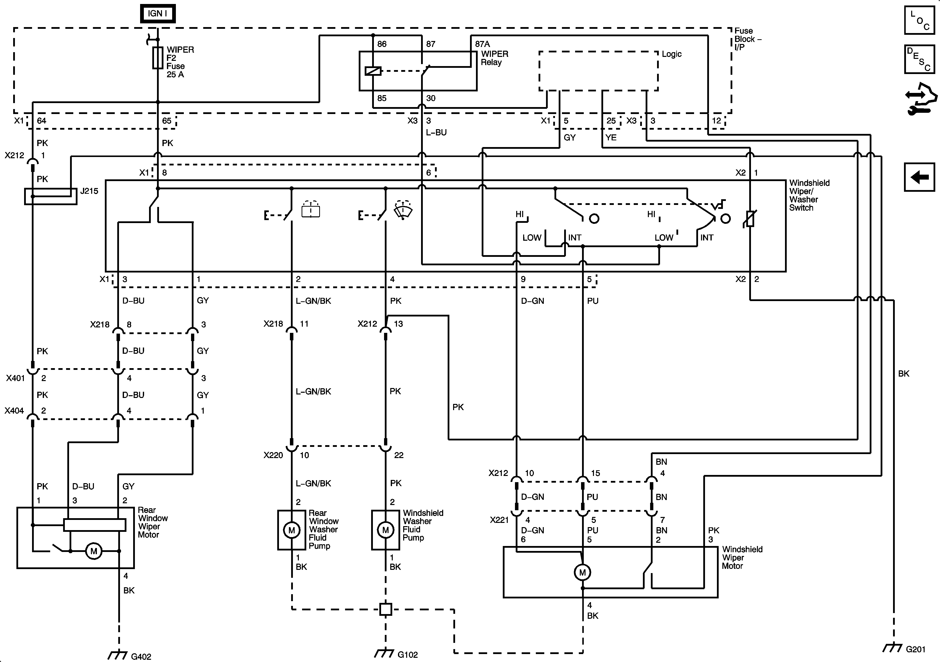
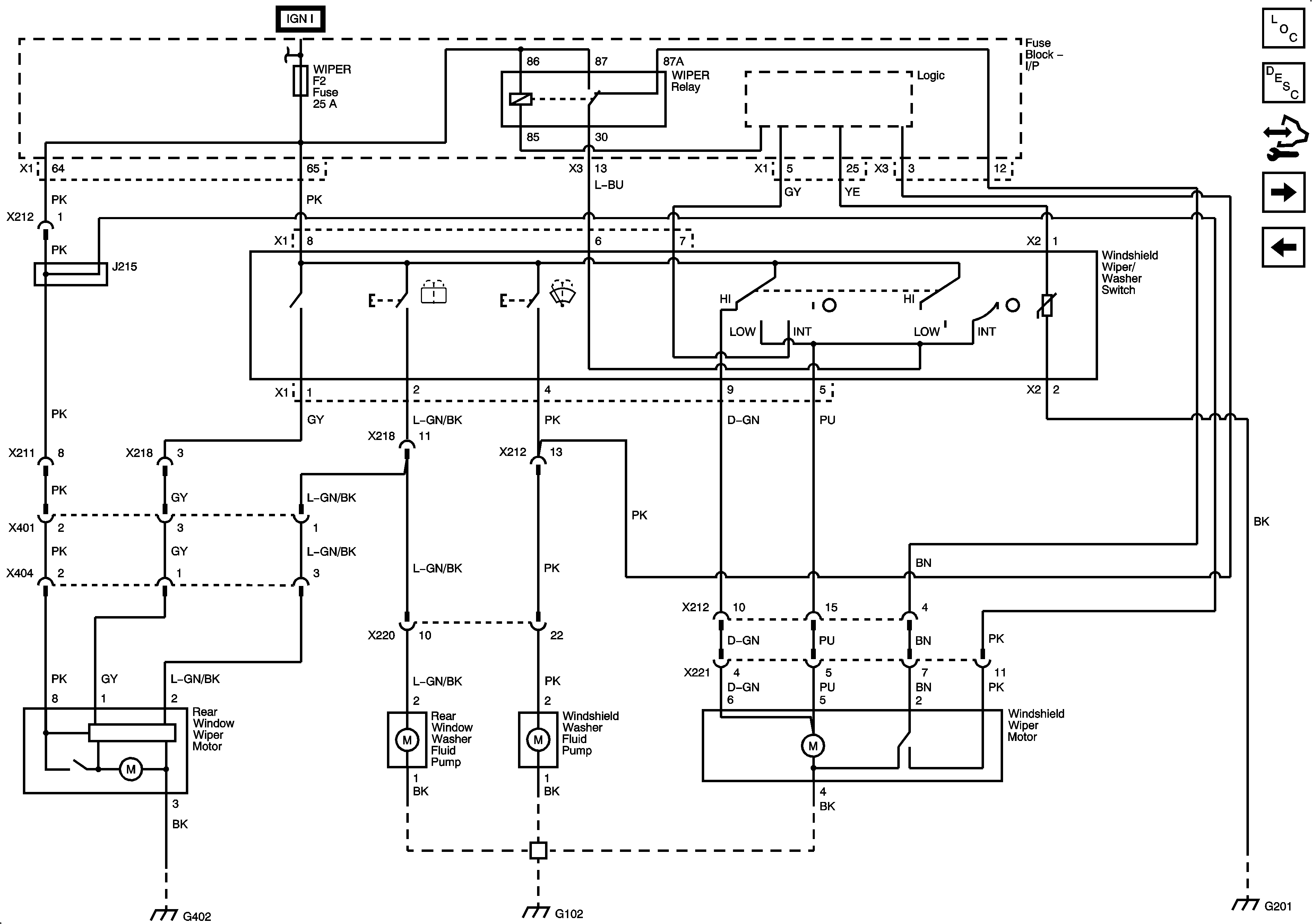
Wiper/Washer Schematics Notchback

Figure 1:
Object Number: 2108147  Size: FS
Master Electrical Component List
Wiper/Washer System Description and Operation
Control Module References
Figure 2:
Object Number: 2108147  Size: FS
Master Electrical Component List
Wiper/Washer System Description and Operation
Control Module References