GM Service Manual Online
For 1990-2009 cars only
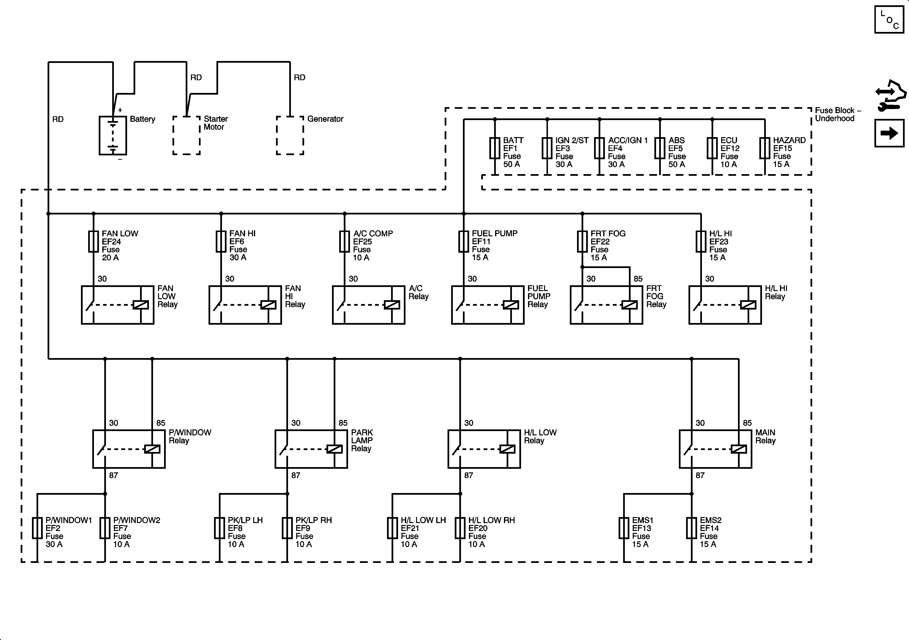
Figure 1:

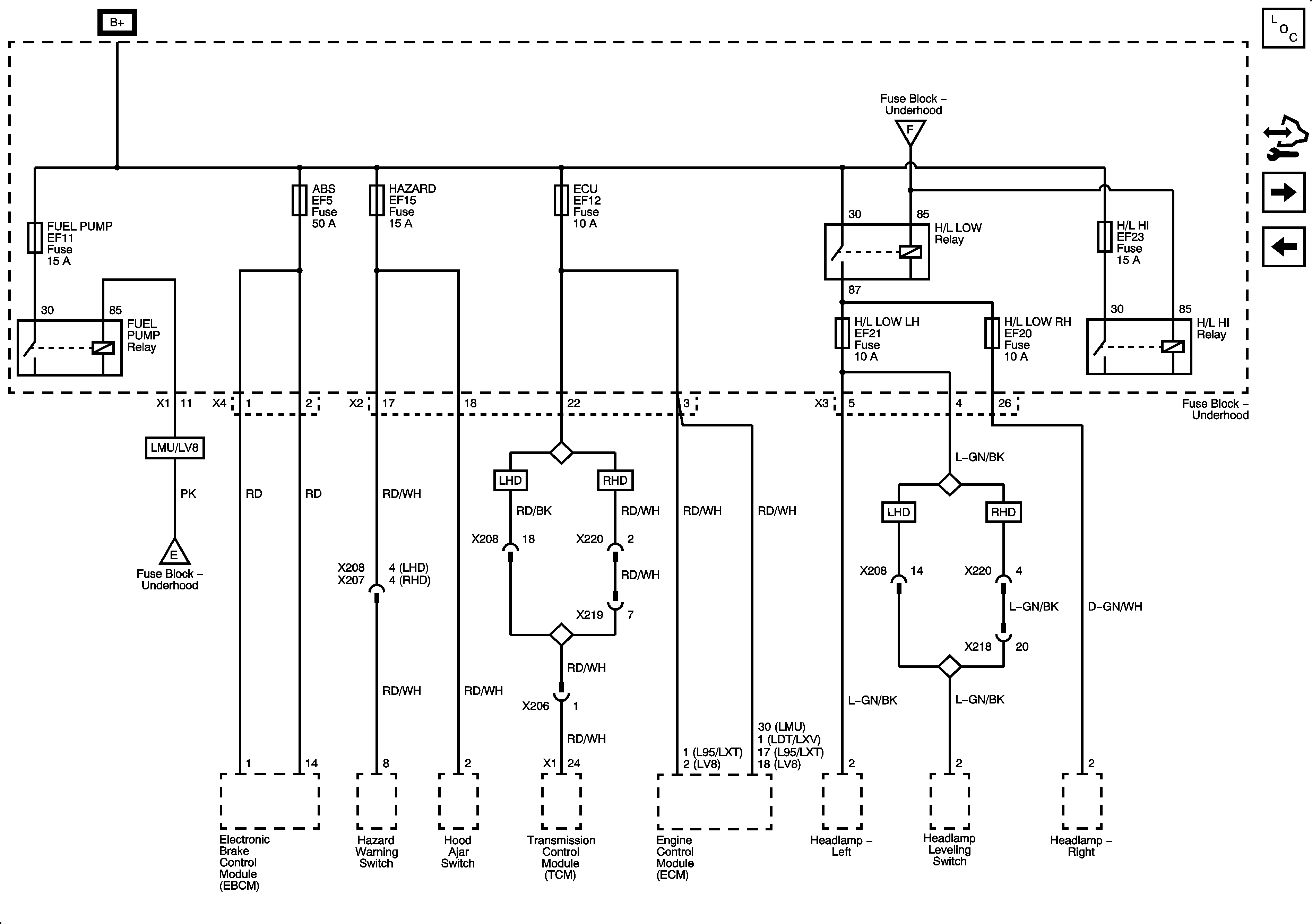
Fuse Block - Underhood B+ Bus


Object Number: 2090414  Size: FS
Master Electrical Component List
Control Module References
Fuses EF5, EF11, EF15, EF20, EF21, EF23, Relays
Figure 2:

Fuse Block - Underhood EF4, EF 8, EF11, EF12 and EF21 Fuses


Object Number: 2090419  Size: FS
Master Electrical Component List
Control Module References
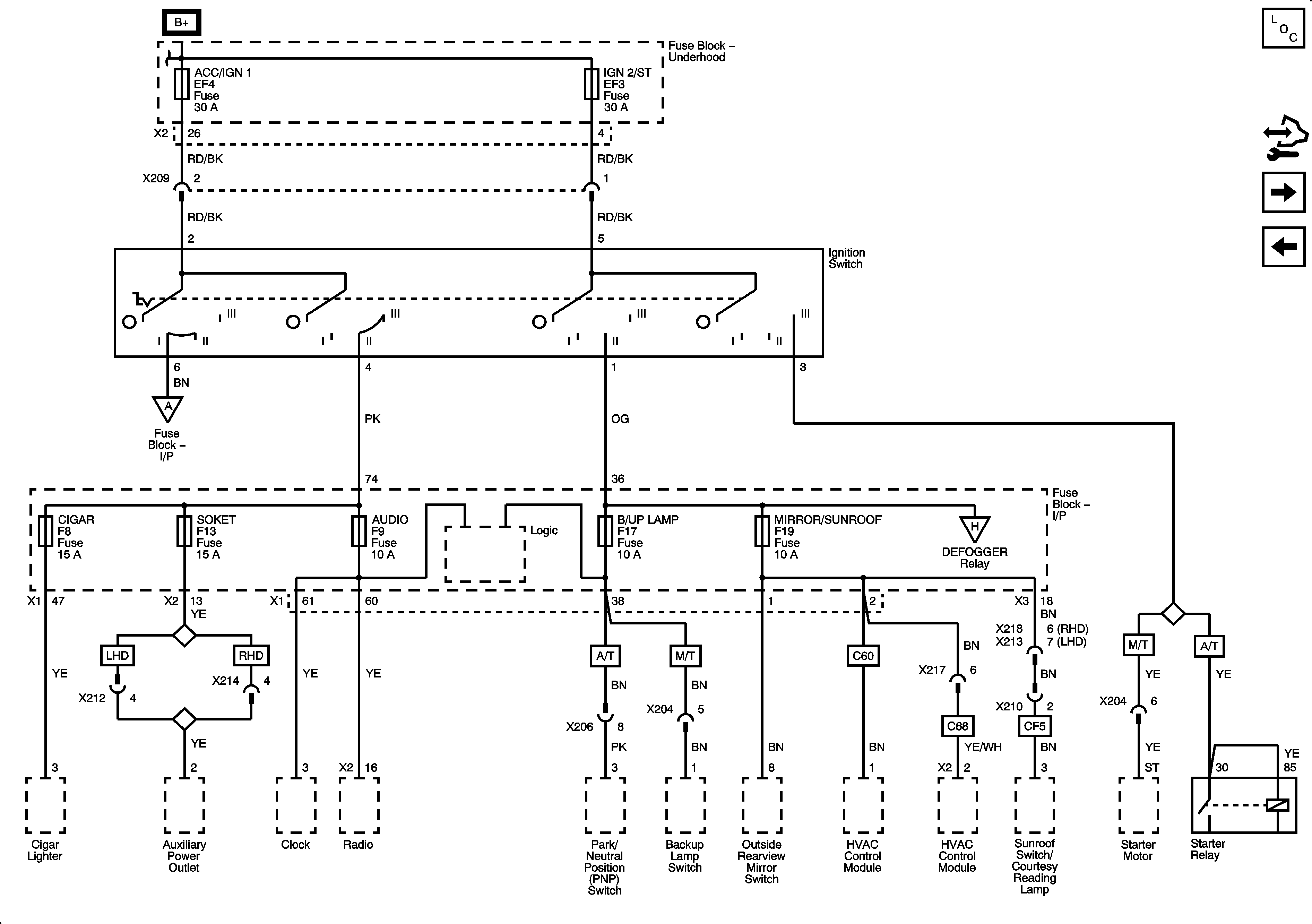
Fuses EF13, EF14, MAIN Relay
Battery Feed
Figure 3:

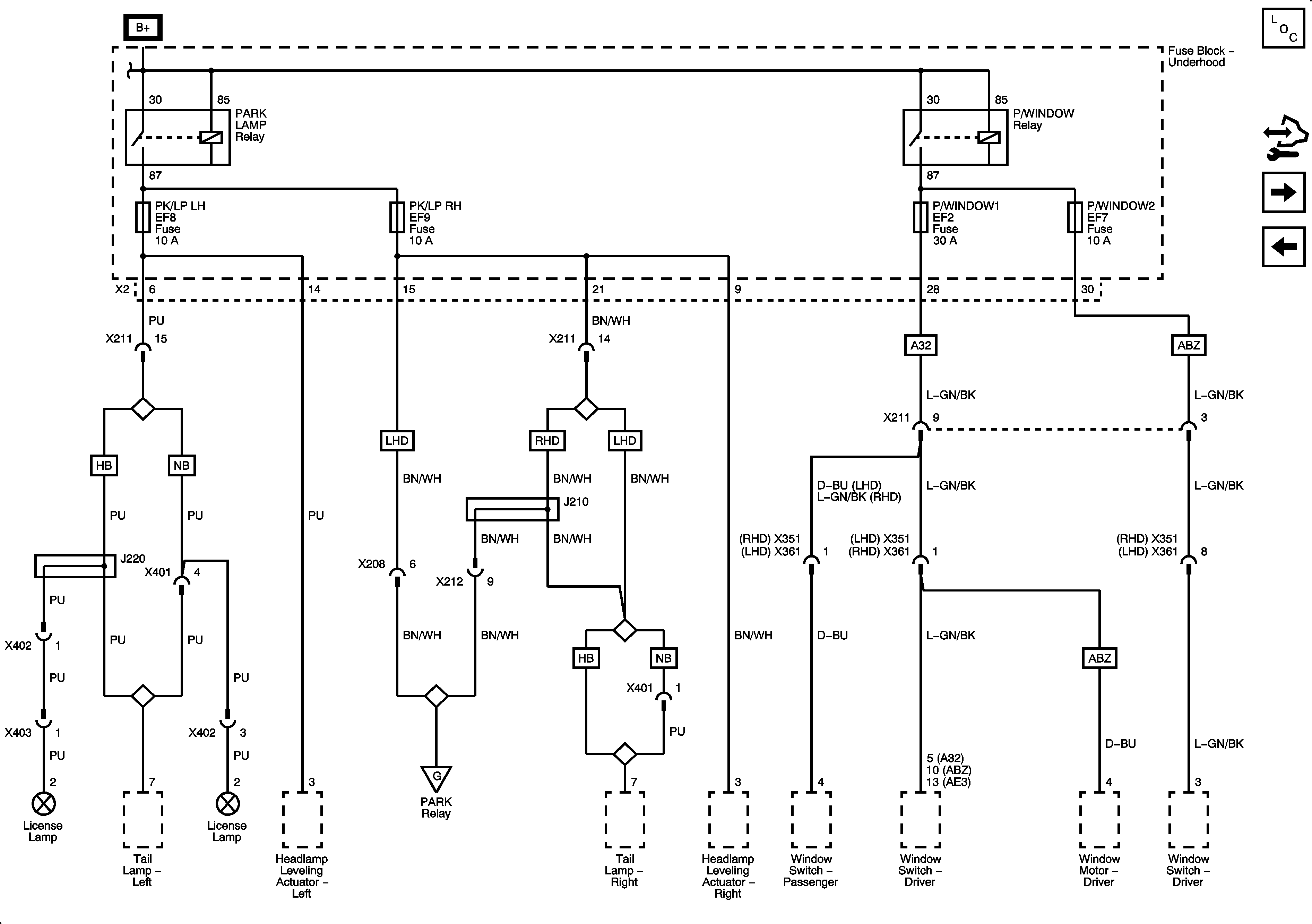
Fuse Block - Underhood EF13 and EF17 Fuses


Object Number: 2090424  Size: FS
Master Electrical Component List
Control Module References
Fuses EF2, EF7, EF8, F9, PARK LAMP Relay, P/WINDOW Relay
Fuses EF5, EF11, EF15, EF20, EF21, EF23, Relays
Figure 4:

Fuse Block - Underhood EF9 and EF22 Fuses


Object Number: 2090432  Size: FS
Master Electrical Component List
Control Module References
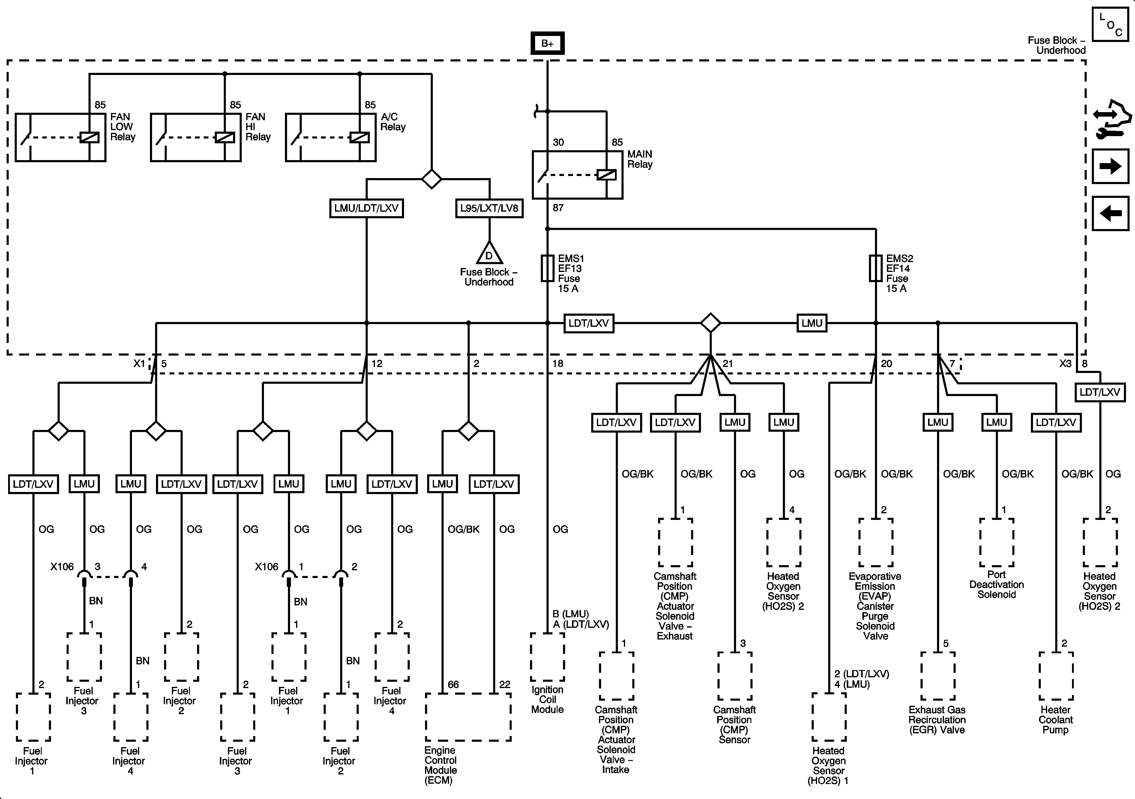
Fuses EF1, F7, F12, F16, F21
Fuses EF13, EF14, MAIN Relay
Figure 5:

Fuse Block - Underhood EF14, EF15, EF20 Fuses and ILLUM LAMPS Relay


Object Number: 2090445  Size: FS
Master Electrical Component List
Control Module References
Fuses EF1, EF9, F10, F11, F14, F15, F18, DEFOGGER Relay
Fuses EF2, EF7, EF8, F9, PARK LAMP Relay, P/WINDOW Relay
Figure 6:

Fuse Block - Underhood EF18, EF19, EF23, EF24, EF25, EF26 Fuses, A/C CMPRSR, HEAD LAMPS LOW and HEAD LAMPS HI Relays


Object Number: 2090456  Size: FS
Master Electrical Component List
Control Module References
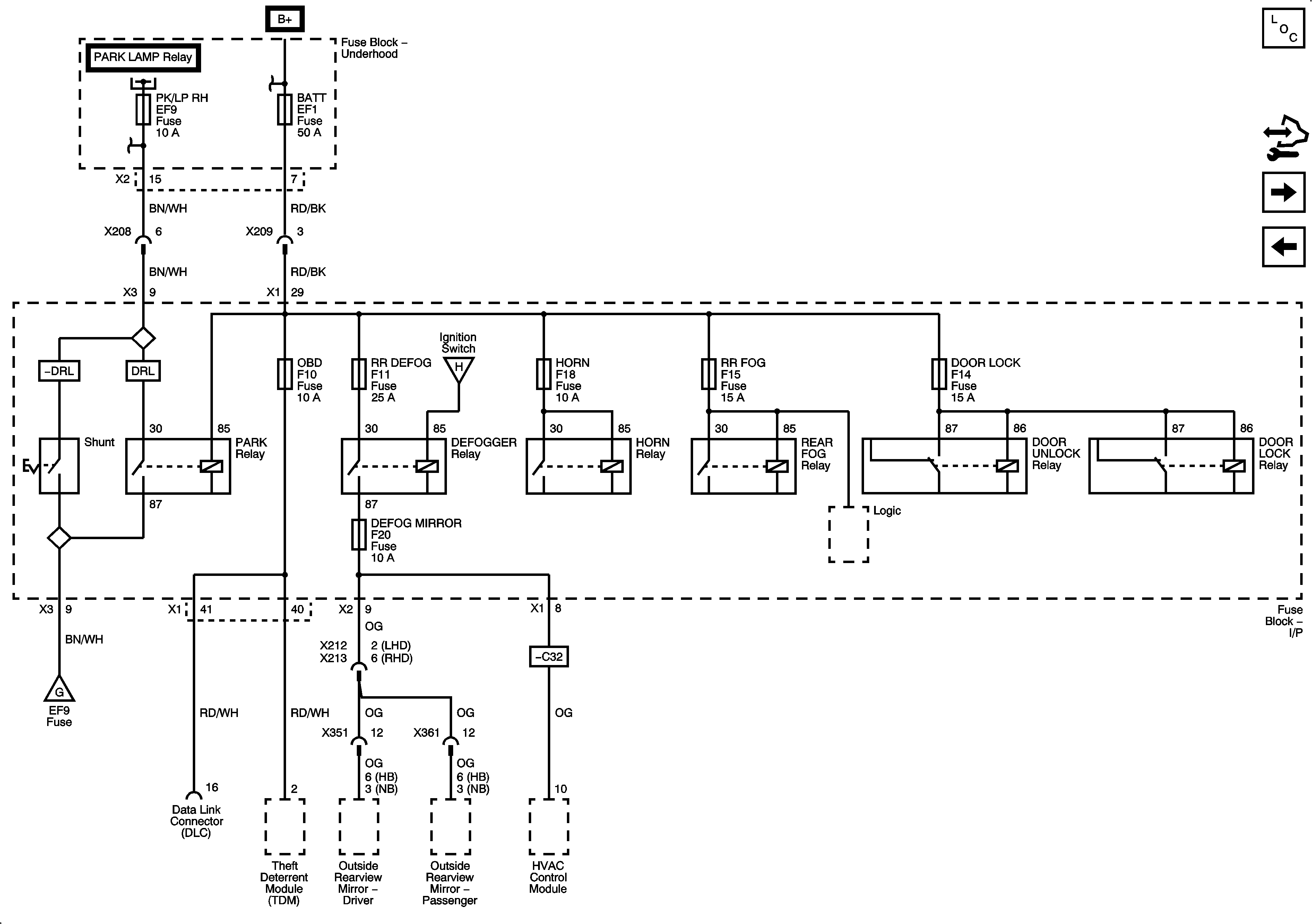
Fuses EF3, EF4, F8, F9, F13, F17, F19, Ignition Switch
Fuses EF1, F7, F12, F16, F21
Figure 7:

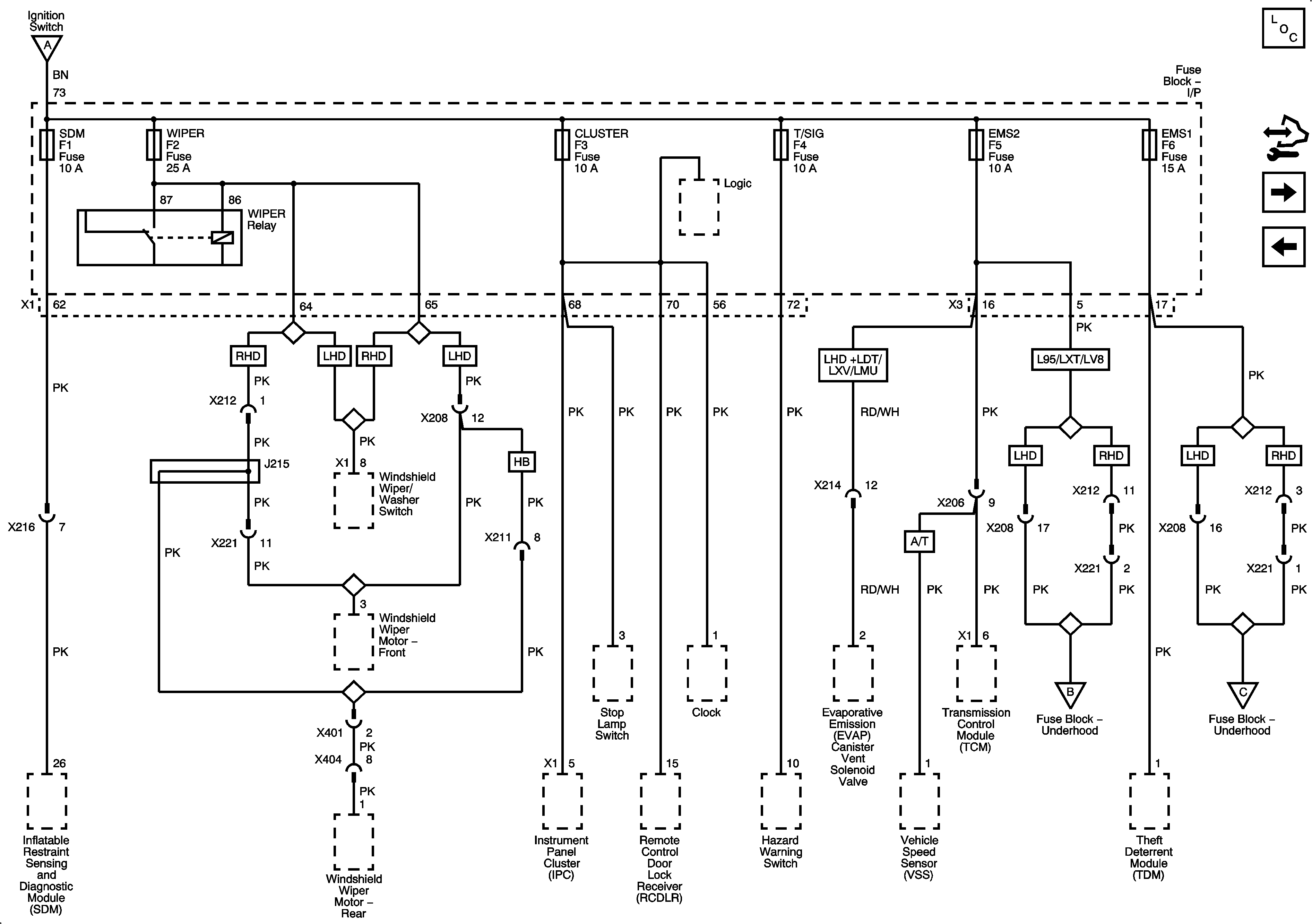
Fuse Block - Underhood I/P Fuse, Fuse Block - I/P CLK RADIO, CLSTER HAZRD, DR/LCK, ECM TCM, HORN REAR/FOG, STOP Fuses


Object Number: 2090460  Size: FS
Master Electrical Component List
Control Module References
Fuses F1, F2, F3, F4, F5, F6, WIPER Relay
Fuses EF1, EF9, F10, F11, F14, F15, F18, DEFOGGER Relay
Figure 8:

Fuse Block - Underhood IGN 2 Fuse, Ignition Switch, Fuse Block - I/P ABS, ALTERNATOR, ECM TCM, HVAC, and WPR WSWA Fuses


Object Number: 2090464  Size: FS
Master Electrical Component List
Control Module References
Fuses F5, F6
Fuses EF3, EF4, F8, F9, F13, F17, F19, Ignition Switch
Figure 9:

SP201


Object Number: 2090466  Size: FS
Master Electrical Component List
Control Module References
Fuses F1, F2, F3, F4, F5, F6, WIPER Relay