GM Service Manual Online
For 1990-2009 cars only
Makes
🢒
Chevrolet
🢒
2009
🢒
Aveo
🢒
Diagnostic Navigation
🢒
Vehicle Diagnostic Information
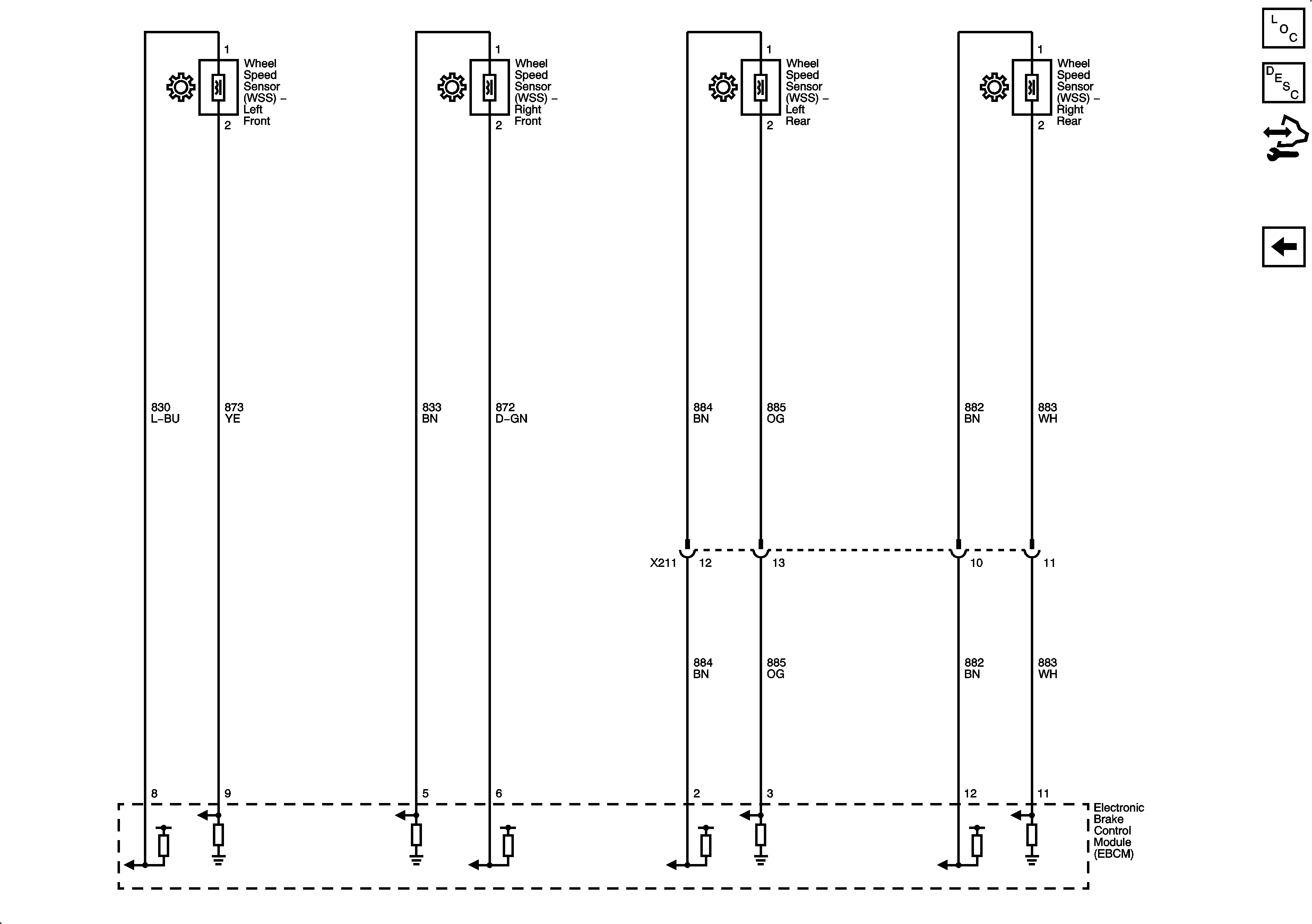
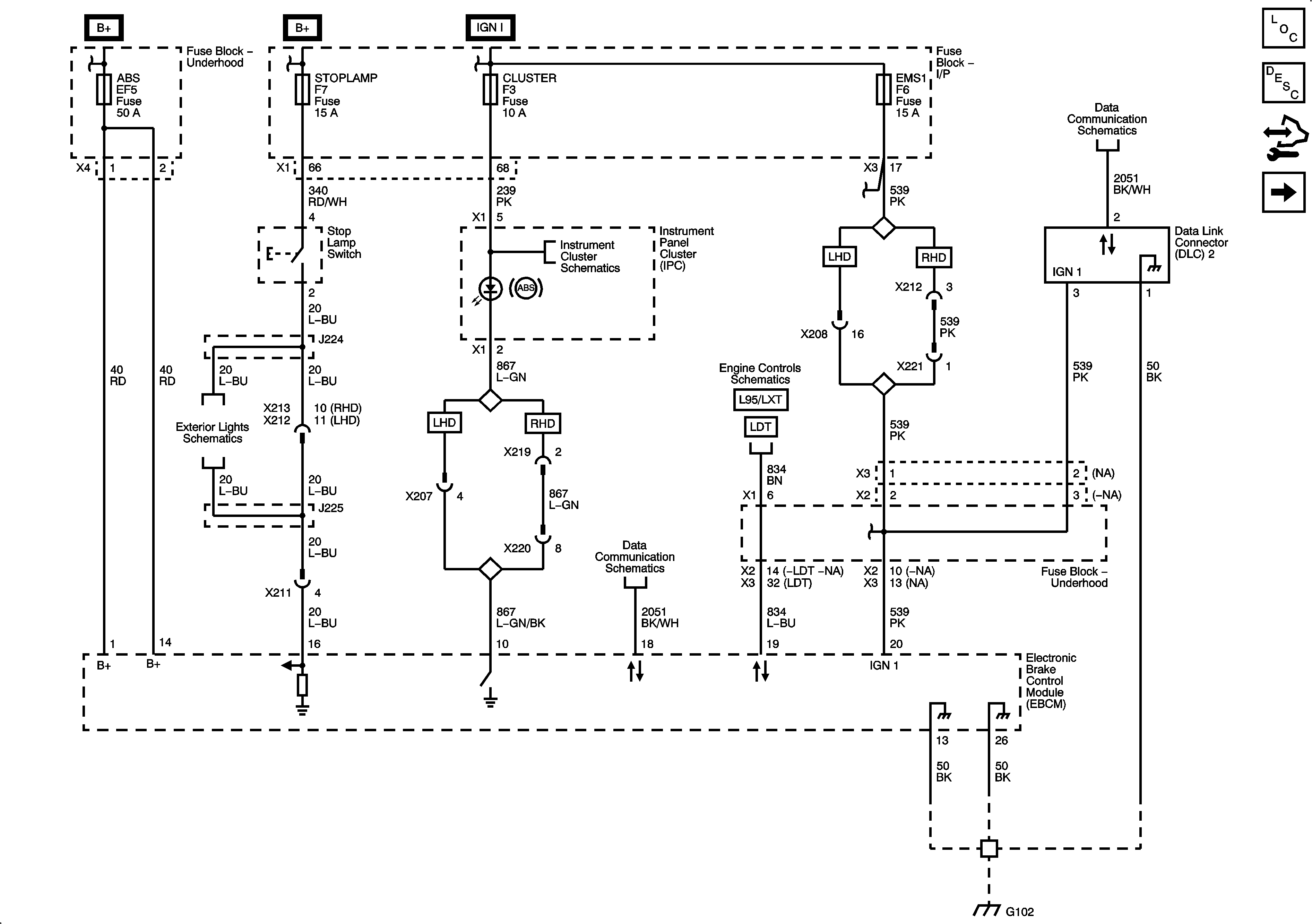
🢒 Antilock Brake System Schematics
Figure
1:
Power, Ground, Serial Data, Stop Lamp, Indicator (Hatchback)
Figure
2:
Wheel Speed Sensors