GM Service Manual Online
For 1990-2009 cars only
Makes
🢒
Chevrolet
🢒
2009
🢒
Aveo
🢒
Body Systems
🢒
Fixed and Moveable Windows
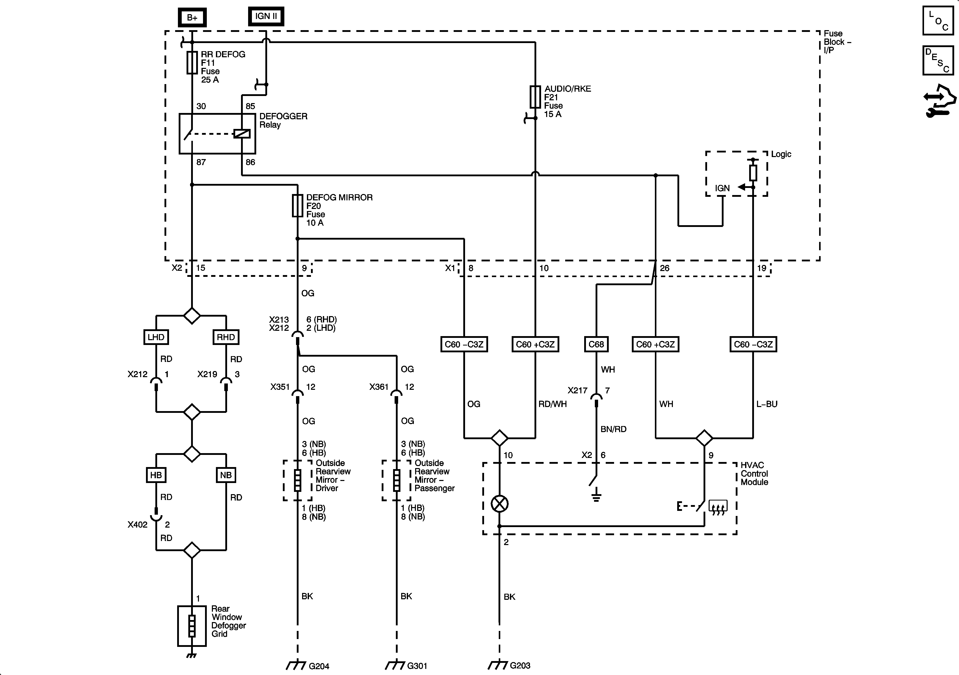
🢒 Defogger Schematics
Master Electrical Component List
Rear Window Defogger Description and Operation
Control Module References