GM Service Manual Online
For 1990-2009 cars only

Instrument Cluster Schematics with WHB

Figure 1:

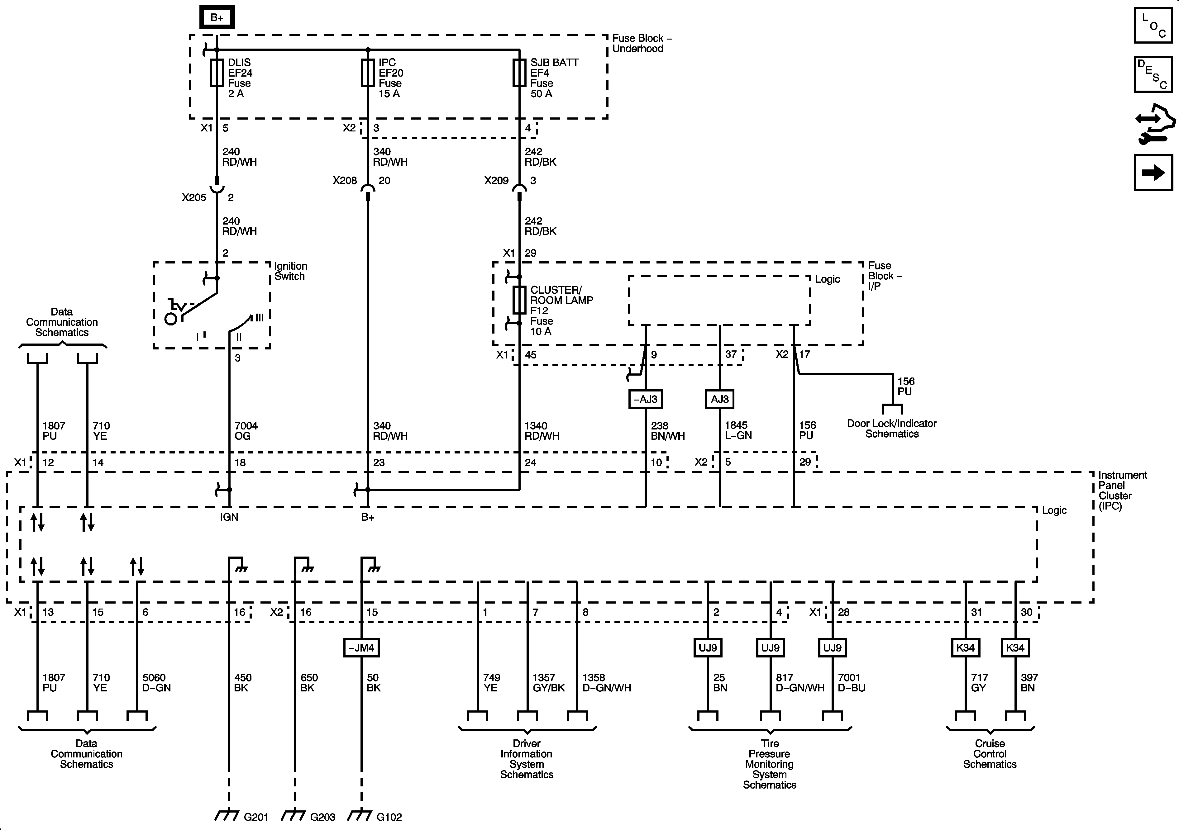
Power, Ground, Data Communication


Object Number: 2192909  Size: FS
Master Electrical Component List
Instrument Panel Description
Control Module References
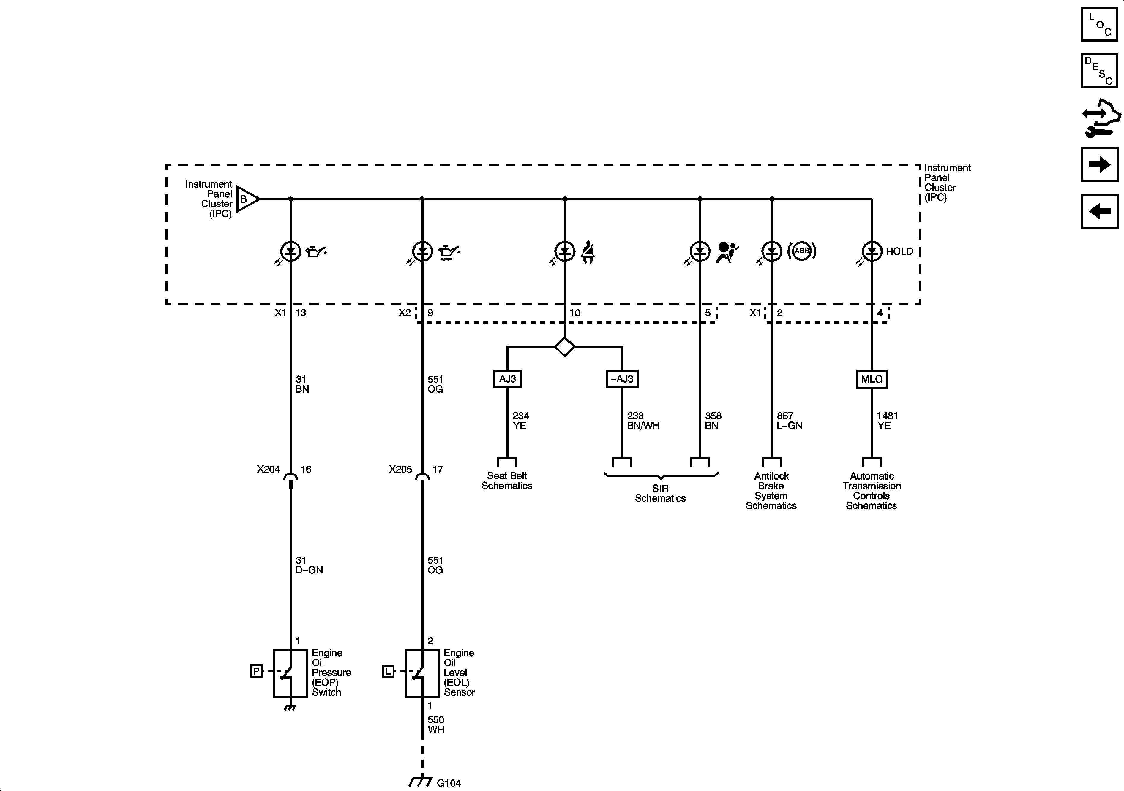
Indicators
Figure 2:

Indicators


Object Number: 2192915  Size: FS
Master Electrical Component List
Instrument Panel Description
Control Module References
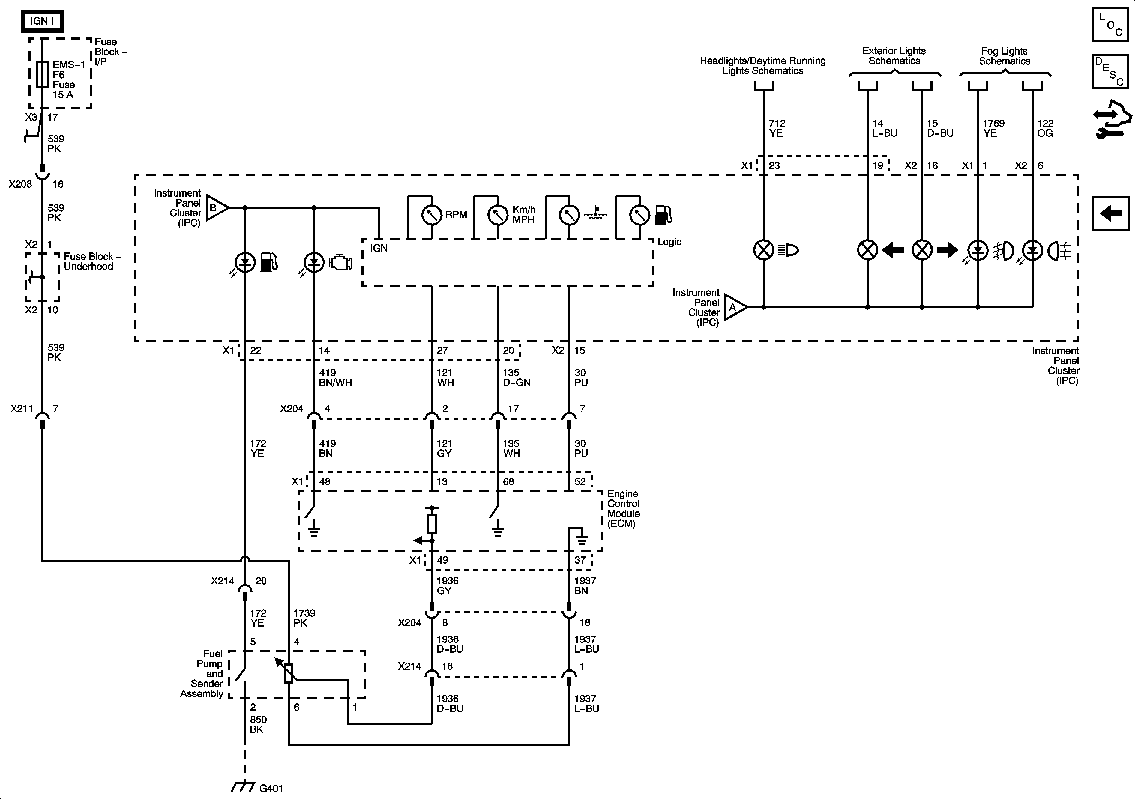
Gauges and Indicators
Power, Ground, Data Communication
Figure 3:

Gauges and Indicators


Object Number: 2192918  Size: FS
Master Electrical Component List
Instrument Panel Description
Control Module References
Indicators

Instrument Cluster Schematics without WHB

Figure 1:

Power, Ground, Data Communication


Object Number: 2194959  Size: FS
Master Electrical Component List
Instrument Panel Description
Control Module References
Indicators
Figure 2:

Indicators


Object Number: 2194965  Size: FS
Master Electrical Component List
Instrument Panel Description
Control Module References
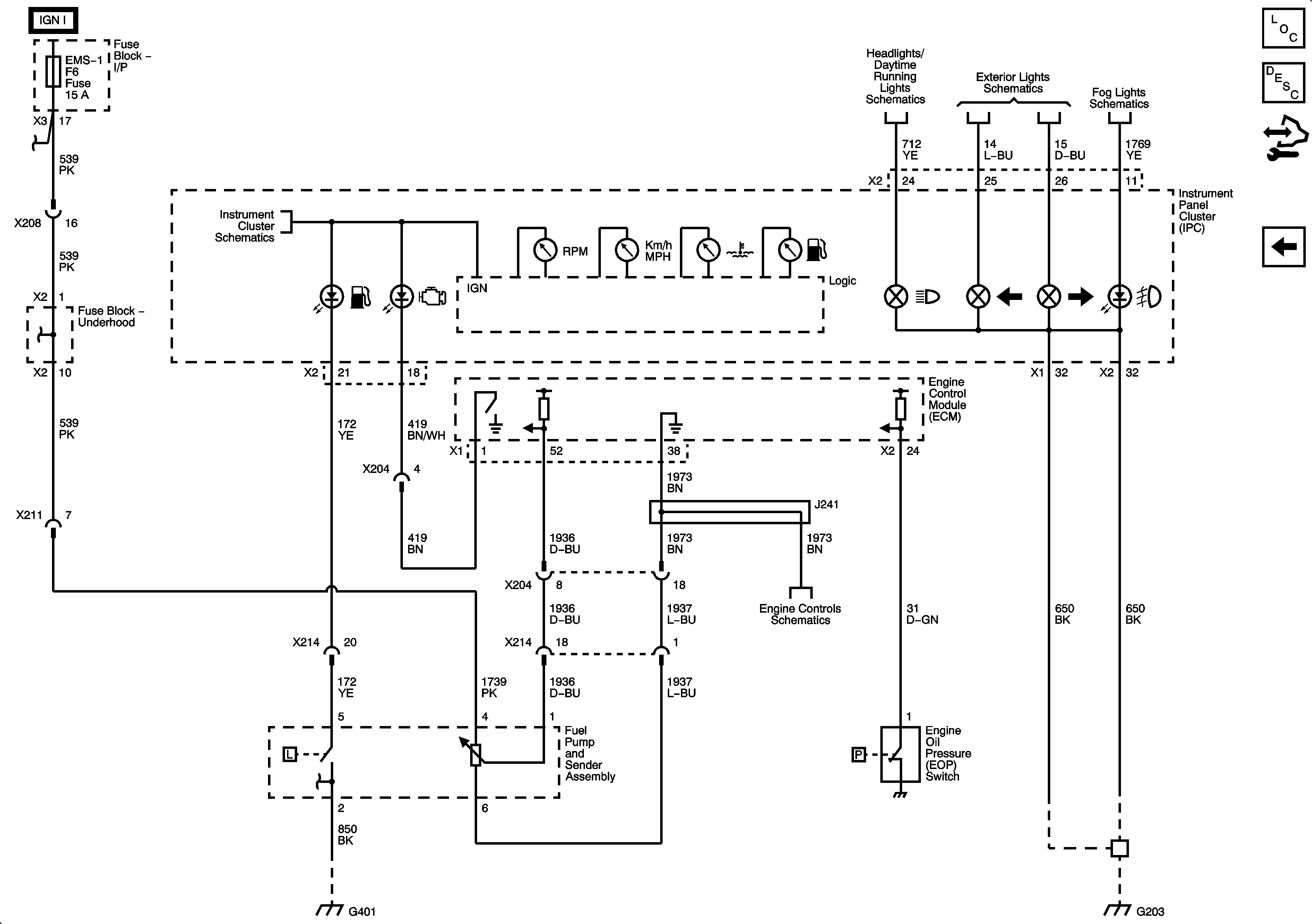
2009 Aveo Instrument Cluster Schematics - Gauges and Indicators
Power, Ground, Data Communication
Figure 3:

Gauges and Indicators


Object Number: 2194967  Size: FS
Master Electrical Component List
Instrument Panel Description
Control Module References
Indicators