GM Service Manual Online
For 1990-2009 cars only
Makes
🢒
Chevrolet
🢒
2007
🢒
Aveo HB
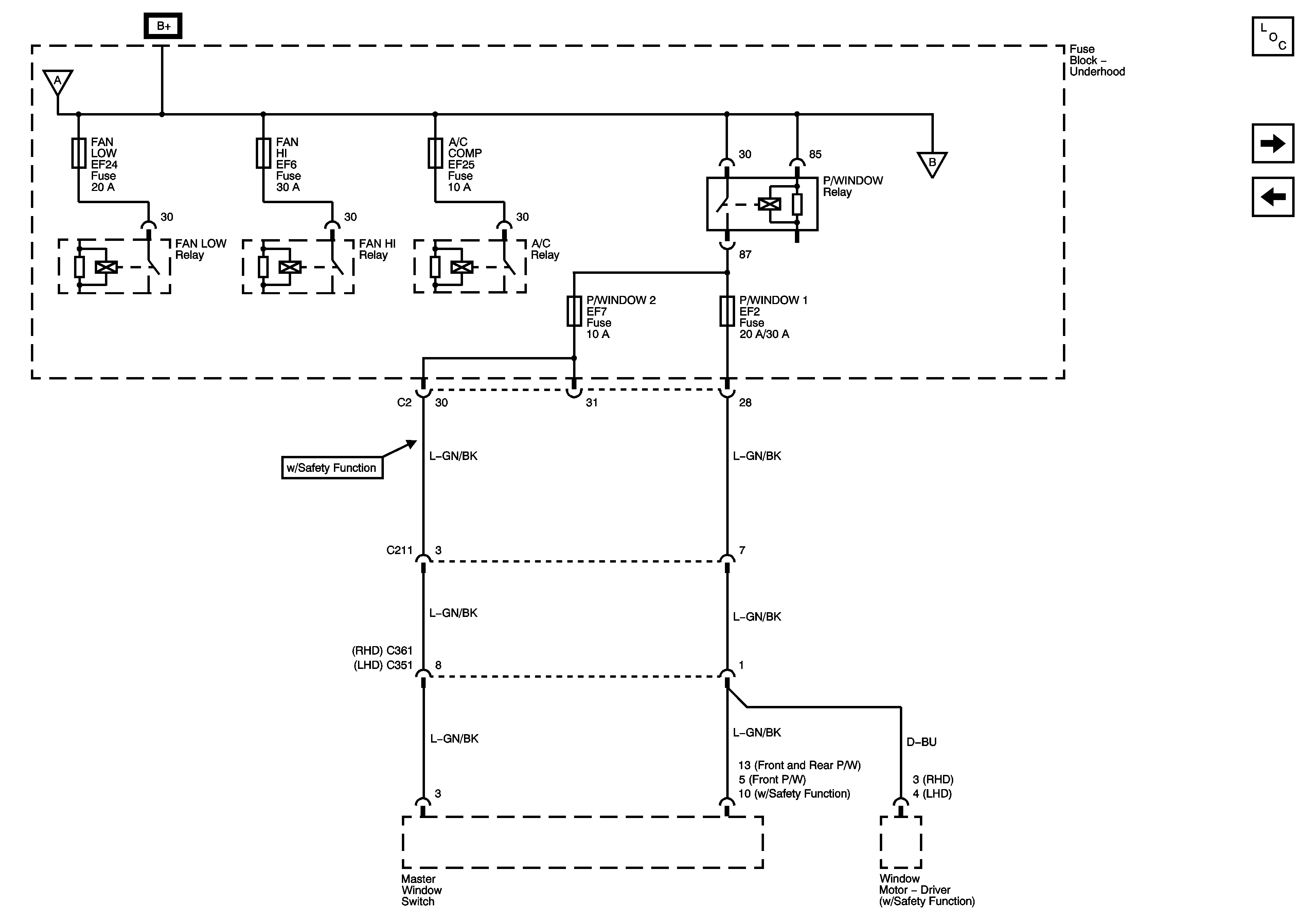
🢒 FAN LOW, FAN HI, A/C COMP, P/WINDOW Relays and Fuses
FAN LOW, FAN HI, A/C COMP, P/WINDOW Relays and Fuses
FAN LOW, FAN HI, A/C COMP, P/WINDOW Fuses
Master Electrical Component List (Notchback)
PK/LP Relay and Fuses
ABS, HAZARD, ECU, FUEL PUMP Fuses
ABS, HAZARD, ECU, FUEL PUMP Fuses
PK/LP Relay and Fuses