GM Service Manual Online
For 1990-2009 cars only
Makes
🢒
Chevrolet
🢒
2007
🢒
Aveo HB
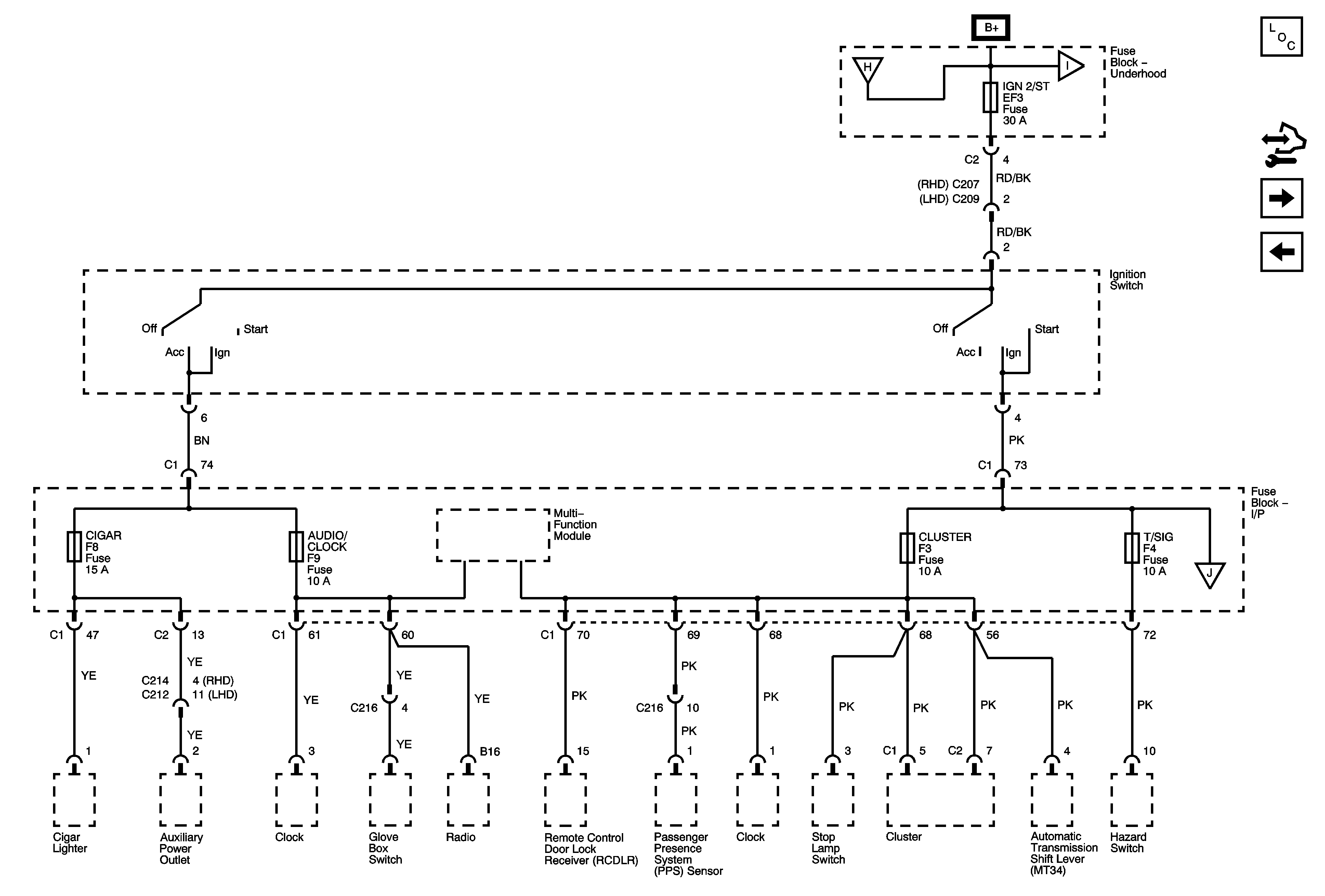
🢒 IGN 2/ST Fuse, Ignition Switch, CIGAR, AUDIO/CLOCK, CLUSTER, T/SIG Fuses
IGN 2/ST Fuse, Ignition Switch, CIGAR, AUDIO/CLOCK, CLUSTER, T/SIG Fuses
IGN 2/ST Fuse, Ignition Switch, CIGAR, AUDIO/CLOCK, CLUSTER, T/SIG Fuses
Master Electrical Component List (Notchback)
Control Module References
SDM, EMS 1, EMS 2 Fuses
ACC/IG 1 Fuse, Ignition Switch, B/UP LAMP, ELEC MIRROR Fuses
ACC/IG 1 Fuse, Ignition Switch, B/UP LAMP, ELEC MIRROR Fuses
MAIN, FAN, A/C RELAYS, EMS1, EMS2 Fuses - SIRIUS D42, MT34
SDM, EMS 1, EMS 2 Fuses