GM Service Manual Online
For 1990-2009 cars only
Makes
🢒
Chevrolet
🢒
2007
🢒
Aveo HB
🢒 Manual - Compressor Controls - 1.2L
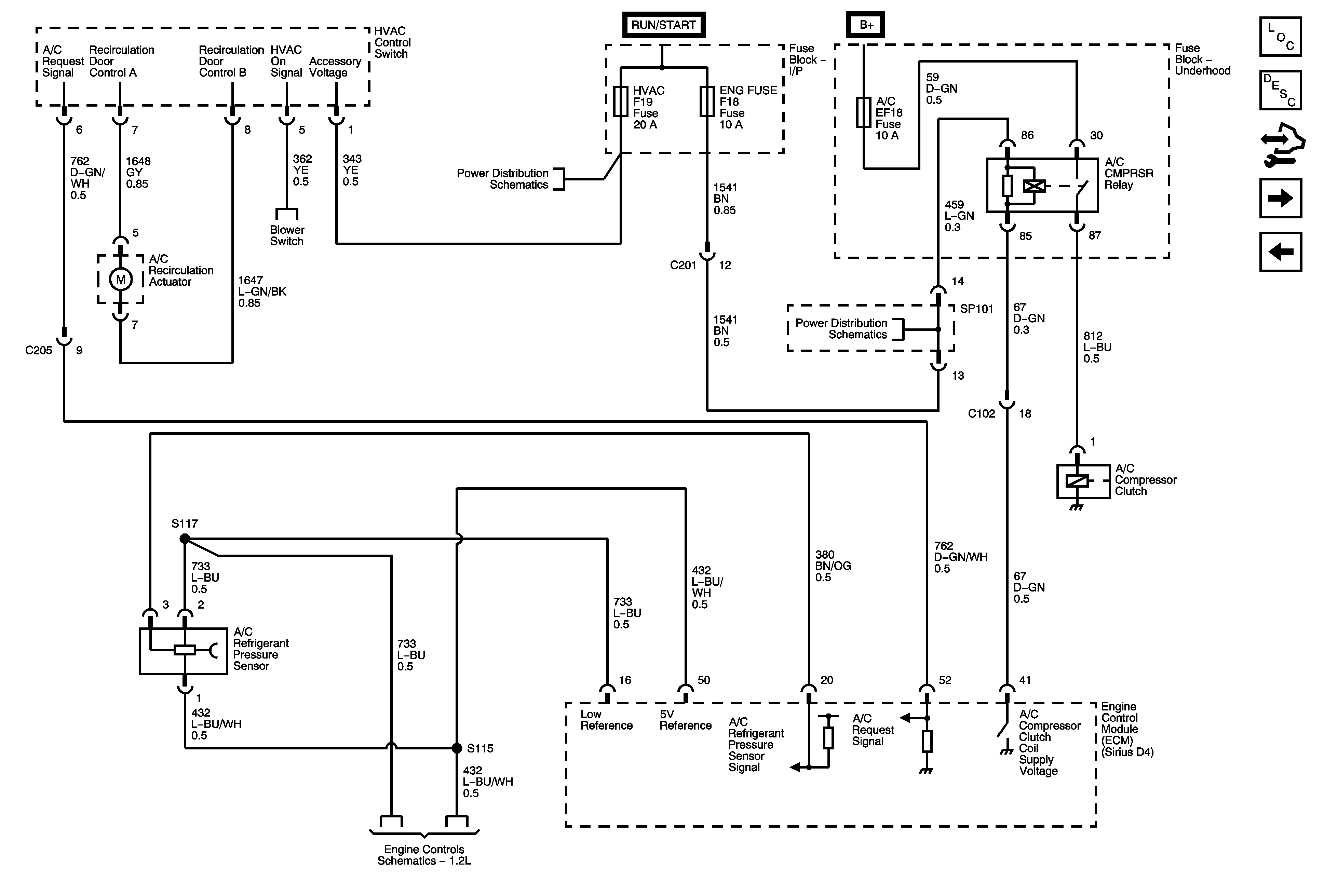
Manual - Compressor Controls - 1.2L
Compressor Controls - 1.2L
Master Electrical Component List Hatchback
Air Delivery Description and Operation
Control Module References
Manual - Compressor Controls - 1.4L, 1.6L
Manual - Blower Controls
Power Distribution Ignition Switch and Fuses F6, 7 - 1 of 2, 17 and 18
Manual - Blower Controls
Power Distribution Fuse F18
Power, Ground and MIL