GM Service Manual Online
For 1990-2009 cars only
Makes
🢒
Chevrolet
🢒
2007
🢒
Aveo HB
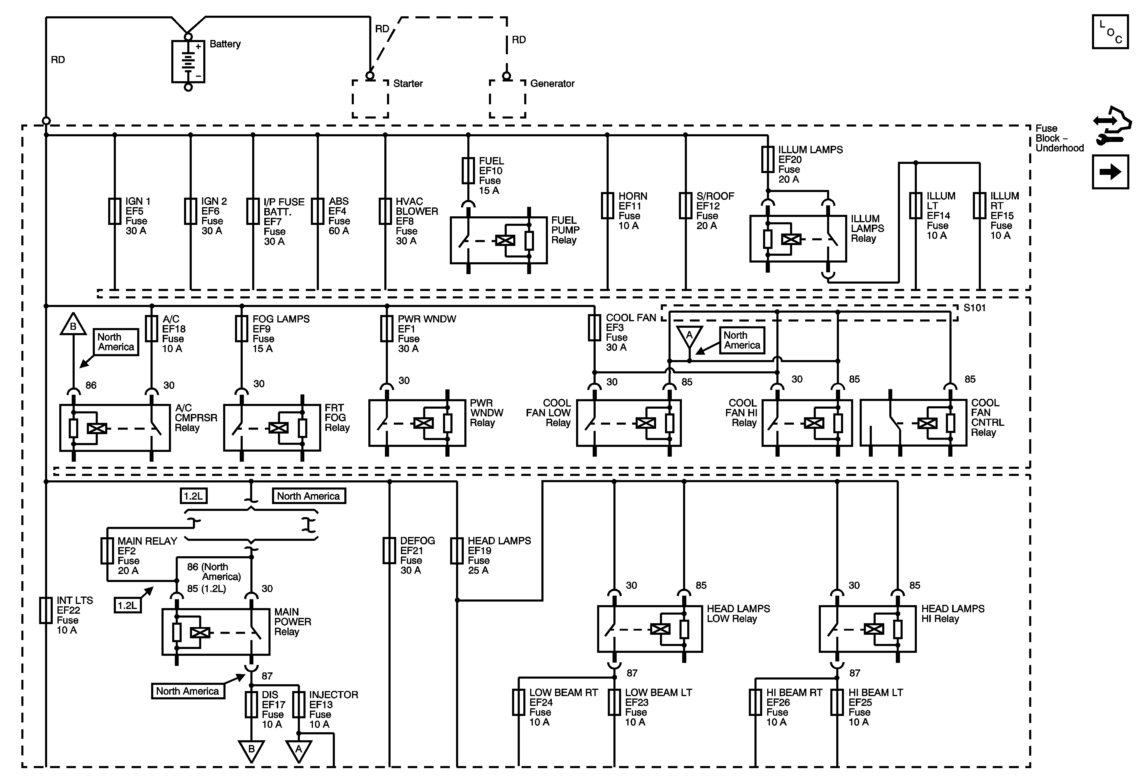
🢒 Battery Feed
Battery Feed
Fuse Block - Underhood B+ Bus
Master Electrical Component List (Hatchback)
Control Module References
Power Distribution Fuses EF4, 8, 11, 12 and 21