GM Service Manual Online
For 1990-2009 cars only
Makes
🢒
Chevrolet
🢒
2007
🢒
Aveo HB
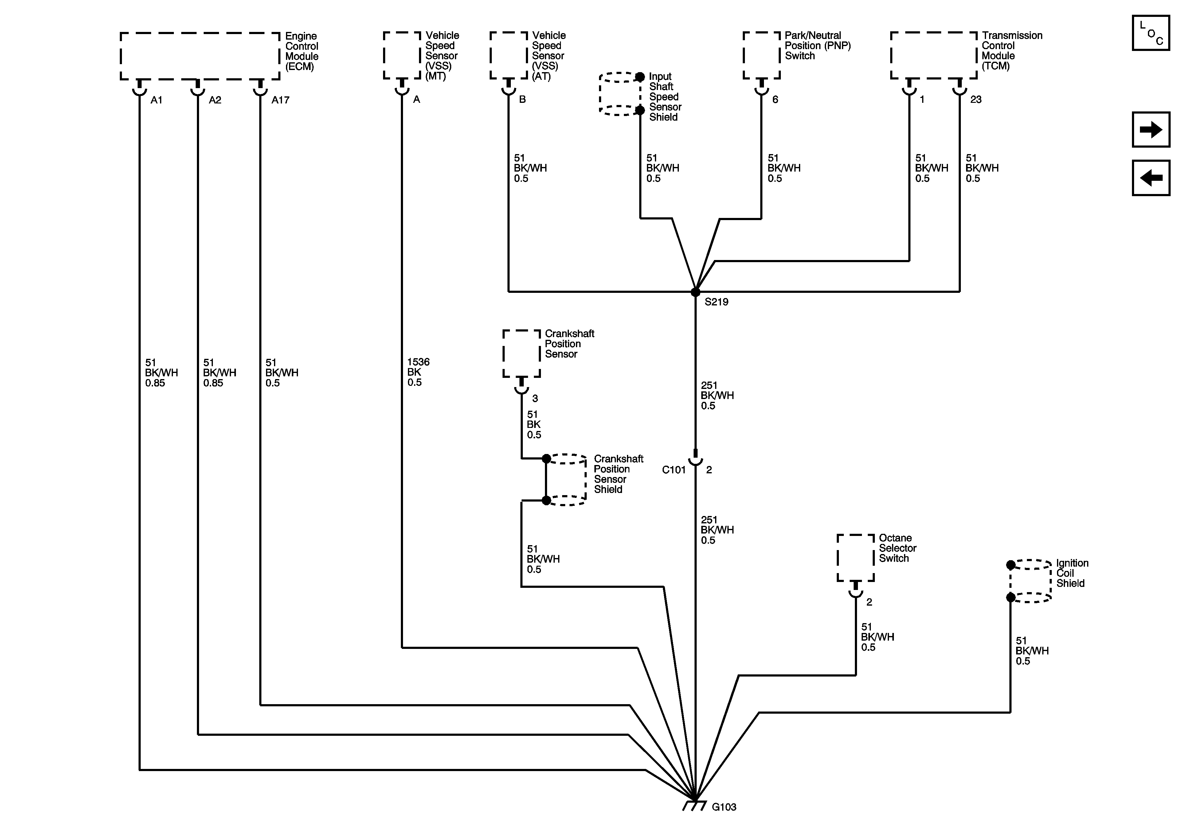
🢒 Ground Distribution G103 - 1.5L
Ground Distribution G103 - 1.5L
G103 - 1.5L
Master Electrical Component List (Hatchback)
Ground Distribution G103 - 1.6L
Ground Distribution G103 - 1.4L