GM Service Manual Online
For 1990-2009 cars only

CAMPAIGN: TEMPERATURE SWITCH 1988-89 CORSICA

SUBJECT: TEMPERATURE SWITCH 1988-89 CHEVROLET CORSICA EQUIPPED WITH 2.0L (RPO LL8, VIN CODE 1) ENGINE AND BASE INSTRUMENT CLUSTER.

TO: ALL CHEVROLET DEALERS

DEFECT INVOLVED

GENERAL MOTORS HAS DETERMINED THAT CERTAIN 1988-89 CHEVROLET CORSICA MODEL VEHICLES EQUIPPED WITH 2.0L (RPO LL8) ENGINE AND BASE INSTRUMENT CLUSTER HAVE BEEN PRODUCED WITH AN INCORRECTLY WIRED ENGINE COOLANT TEMPERATURE SWITCH. AS A RESULT OF THE INCORRECT WIRING, THE COOLANT TEMPERATURE WARNING LIGHT WILL ILLUMINATE BRIEFLY DURING ENGINE STARTING AS A CHECK THAT THE BULB AND ITS CIRCUIT ARE WORKING, BUT THE BULB WILL NOT ILLUMINATE DURING AN OVERHEAT CONDITION.

TO CORRECT THIS CONDITION, DEALERS ARE TO REINDEX THE TEMPERATURE SWITCH CONNECTOR WIRING ACCORDING TO INSTRUCTIONS CONTAINED IN THIS BULLETIN.

VEHICLES INVOLVED

INVOLVED ARE CERTAIN 1988-89 CHEVROLET CORSICA MODEL VEHICLES EQUIPPED WITH 2.0L (RPO LL8) ENGINE AND BASE INSTRUMENT CLUSTER AND PRODUCED WITHIN THE FOLLOWING VIN BREAKPOINTS:

MODEL YEAR PLANT FROM THROUGH

1988 LINDEN JE500013 JE678000

1988 WILMINGTON JY500001 JY686335

1989 LINDEN KE100003 KE183363

1989 WILMINGTON KY100011 KY180921

INVOLVED VEHICLES HAVE BEEN IDENTIFIED BY VIN COMPUTER LISTINGS. COMPUTER LISTINGS CONTAIN THE COMPLETE VIN, OWNER NAME AND ADDRESS DATA, AND ARE FURNISHED TO INVOLVED DEALERS WITH THE CAMPAIGN BULLETIN. OWNER NAME AND ADDRESS DATA FURNISHED WILL ENABLE DEALERS TO FOLLOW-UP WITH OWNERS INVOLVED IN THIS CAMPAIGN.

THESE LISTINGS MAY CONTAIN OWNER NAMES AND ADDRESSES OBTAINED FROM STATE MOTOR VEHICLE REGISTRATION RECORDS. THE USE OF SUCH MOTOR VEHICLE REGISTRATION DATA FOR ANY OTHER PURPOSE IS A VIOLATION OF LAW IN SEVERAL STATES. ACCORDINGLY, YOU ARE URGED TO LIMIT THE USE OF THIS LISTING TO THE FOLLOW-UP NECESSARY TO COMPLETE THIS CAMPAIGN. ANY DEALER NOT RECEIVING A COMPUTER LISTING WITH THE CAMPAIGN BULLETIN HAS NO INVOLVED VEHICLES CURRENTLY ASSIGNED.

OWNER NOTIFICATION

OWNERS WILL BE NOTIFIED OF THIS CAMPAIGN ON THEIR VEHICLES BY CHEVROLET MOTOR DIVISION (SEE COPY OF OWNER LETTER INCLUDED WITH THIS BULLETIN).

DEALER CAMPAIGN RESPONSIBILITY

DEALERS ARE TO SERVICE ALL VEHICLES SUBJECT TO THIS CAMPAIGN AT NO CHARGE TO OWNERS, REGARDLESS OF MILEAGE, AGE OF VEHICLE, OR OWNERSHIP, FROM THIS TIME FORWARD.

WHENEVER A VEHICLE SUBJECT TO THIS CAMPAIGN IS TAKEN INTO YOUR NEW OR USED VEHICLE INVENTORY, OR IT IS IN YOUR DEALERSHIP FOR SERVICE IN THE FUTURE, YOU SHOULD TAKE THE STEPS NECESSARY TO BE SURE THE CAMPAIGN CORRECTION HAS BEEN MADE BEFORE RESELLING OR RELEASING THE VEHICLE.

OWNERS OF VEHICLES RECENTLY SOLD FROM YOUR NEW VEHICLE INVENTORY ARE TO BE CONTACTED BY THE DEALER, AND ARRANGEMENTS MADE TO MAKE THE REQUIRED CORRECTION ACCORDING TO INSTRUCTIONS CONTAINED IN THIS BULLETIN.

PARTS INFORMATION

NO PARTS ARE REQUIRED FOR THIS CAMPAIGN.

SERVICE PROCEDURE

1. DISCONNECT NEGATIVE BATTERY CABLE.

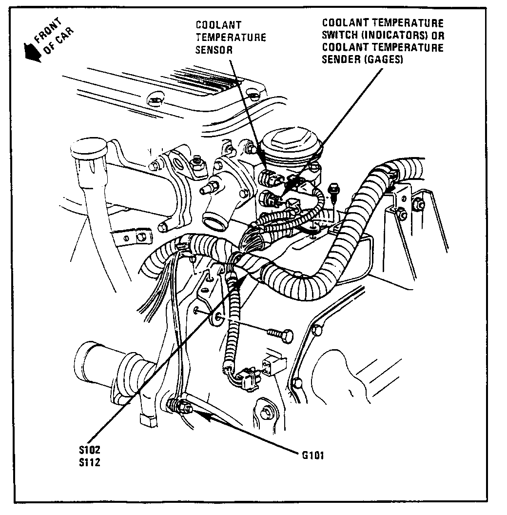
2. REMOVE CONNECTOR FROM COOLANT TEMPERATURE SWITCH (SEE ILLUSTRATION FOR SWITCH LOCATION). NOTE THAT THE SWITCH IS BELOW THE ECM COOLANT TEMPERATURE SENSOR.

3. REMOVE TERMINALS FROM BOTH SIDES OF CONNECTOR. REINSTALL TERMINALS INTO OPPOSITE CAVITIES OF CONNECTOR, MAKING SURE THE TERMINALS ARE PROPERLY LOCKED IN CONNECTOR. THE GREEN WIRE SHOULD NOW BE IN CAVITY "B".

4. REINSTALL CONNECTOR ONTO TEMPERATURE SWITCH.

5. RECONNECT NEGATIVE BATTERY CABLE.

6. INSTALL CAMPAIGN IDENTIFICATION LABEL.

CAMPAIGN IDENTIFICATION LABEL

EACH VEHICLE CORRECTED IN ACCORDANCE WITH THE INSTRUCTIONS OUTLINED IN THIS PRODUCT CAMPAIGN BULLETIN WILL REQUIRE A "CAMPAIGN IDENTIFICATION LABEL." EACH LABEL PROVIDES A SPACE TO INCLUDE THE FIVE (5) DIGIT DEALER CODE OF THE DEALER PERFORMING THE CAMPAIGN SERVICE. THIS INFORMATION MAY BE INSERTED WITH A TYPEWRITER OR A BALL POINT PEN.

EACH "CAMPAIGN IDENTIFICATION LABEL" IS TO BE LOCATED ON THE RADIATOR CORE SUPPORT IN AN AREA WHICH WILL BE VISIBLE WHEN THE VEHICLE IS BROUGHT IN FOR PERIODIC SERVICING BY THE OWNER.

APPLY "CAMPAIGN IDENTIFICATION LABEL" ONLY ON A CLEAN DRY SURFACE.

CLAIM INFORMATION

SUBMIT A PRODUCT CAMPAIGN CLAIM WITH THE INFORMATION INDICATED BELOW: * PART FAILED PARTS LABOR LAB OTH REPAIR PERFORMED COUNT PART NO. ALLOW FC OP. HRS HRS

REINDEX TEMPERATURE -- -- -- 00 V5360 0.2 0.1 SWITCH WIRING

* CAMPAIGN ADMINISTRATIVE ALLOWANCE

DEALERS WILL AUTOMATICALLY RECEIVE THE CORRECT LABOR AND MATERIAL ALLOWANCE BASED ON THE LABOR OPERATION PERFORMED.

REFER TO THE CHEVROLET CLAIMS PROCESSING MANUAL FOR DETAILS ON PRODUCT CAMPAIGN CLAIM SUBMISSION.

**CHEVROLET DISCLAIMER**


Object Number: 85976  Size: FS

General Motors bulletins are intended for use by professional technicians, not a "do-it-yourselfer". They are written to inform those technicians of conditions that may occur on some vehicles, or to provide information that could assist in the proper service of a vehicle. Properly trained technicians have the equipment, tools, safety instructions and know-how to do a job properly and safely. If a condition is described, do not assume that the bulletin applies to your vehicle, or that your vehicle will have that condition. See a General Motors dealer servicing your brand of General Motors vehicle for information on whether your vehicle may benefit from the information.