GM Service Manual Online
For 1990-2009 cars only

DTC P0503 Vehicle Speed Sensor (VSS) Circuit Intermittent 2.2L


Object Number: 201185  Size: MF
Automatic Transmission Components
Automatic Transmission Controls Schematics
OBD II Symbol Description Notice
Handling ESD Sensitive Parts Notice

Circuit Description

The Vehicle Speed Sensor Assembly (VSS Assy.) provides vehicle speed information to the Powertrain Control Module (PCM). The VSS Assy. is a Permanent Magnet (PM) generator. The PM generator produces a pulsing AC voltage as rotor teeth on the transmission output shaft pass through the sensor's magnetic field. The AC voltage level and the number of pulses increase as the speed of the vehicle increases. The output voltage varies from a minimum of 0.5 volts AC at 100 RPM to more than 100 volts at 8000 RPM. The PCM converts the pulsing voltage to vehicle speed. The PCM uses the vehicle speed signal to determine shift timing and Torque Converter Clutch (TCC) scheduling.

When the PCM detects an unrealistically large drop in vehicle speed, then DTC P0503 sets. DTC P0503 is a type B DTC.

Conditions for Setting the DTC

DTC P0503 sets if the following conditions occur two consecutive times:

    • No TFP Val. Position Sw. DTC P1810.
    • The time since the last gear range change is greater than 6 seconds.
    • The engine speed is greater than 450 RPM for 5 seconds.
    • Not in fuel cutoff.
    • Transmission output speed rise does not exceed 600 RPM within 6 seconds.
    • The transmission output speed drop is greater than 1300 RPM for 3 seconds when not in Park/Neutral.

Action Taken When the DTC Sets

    • The PCM illuminates the Malfunction Indicator Lamp (MIL).
    • The PCM commands a soft landing to second gear when the engine speed is below 2500 RPM.
    • The PCM commands maximum line pressure.
    • The PCM inhibits TCC engagement.
    • The PCM freezes shift adapts from being updated.
    • The PCM inhibits 4th gear if the transmission is in hot mode.
    • DTC P0503 stores in PCM history.

Conditions for Clearing the MIL/DTC

    • The PCM turns OFF the MIL after three consecutive trips without a failure reported.
    • A scan tool can clear the DTC from the PCM history. The PCM clears the DTC from the PCM history if the vehicle completes 40 warm-up cycles without a failure reported.
    • The PCM cancels the DTC default actions when the fault no longer exists and the ignition is OFF long enough in order to power down the PCM.

Diagnostic Aids

    • Inspect the wiring at the PCM, the Vehicle Speed Sensor (VSS) connector and all other circuit connecting points for the following conditions:
       - A bent terminal
       - A backed out terminal
       - A damaged terminal
       - Poor terminal tension
       - A chafed wire
       - A broken wire inside the insulation
       - Moisture intrusion
       - Corrosion
    • When diagnosing for an intermittent short or open condition, massage the wiring harness while watching the test equipment for a change.

Test Description

The numbers below refer to the step numbers on the diagnostic table.

  1. This step tests the VSS Assy. circuit.

  2. This step tests the integrity of the VSS Assy.

DTC P0503 Vehicle Speed Sensor Circuit -- Intermittent (2.2L)

Step

Action

Value(s)

Yes

No

1

Was the Powertrain On-Board Diagnostic (OBD) System Check performed?

--

Go to Step 2

Go to Powertrain On Board Diagnostic (OBD) System Check

2

  1. Install the Scan Tool .
  2. With the engine OFF, turn the ignition switch to the RUN position.
  3. Important: Before clearing the DTC(s), use the scan tool in order to record the Freeze Frame and Failure Records for reference. Using the Clear Info function will erase the stored Freeze Frame and Failure Records from the PCM.

  4. Record the DTC Freeze Frame and Failure Records, then clear the DTC(s).
  5. Raise and support the drive axle assembly.
  6. Start the engine.
  7. Place the transmission in D3 range.
  8. With the drive wheels rotating, slowly accelerate the engine to 2000 RPM and hold. (Road test the vehicle if necessary.)

Does the Transmission OSS drop or fluctuate more than the specified value?

1300 RPM

Go to Diagnostic Aids

Go to Step 3

3

  1. Turn the ignition OFF.
  2. Disconnect the C1 (blue) and C2 (black) PCM connectors.
  3. Using J 39200 Digital Multimeter (DMM) and J 35616-A Connector Test Adapter Kit, measure the resistance between harness connector terminals C1-63 and C2-62.

Is the resistance within the specified range?

1470-2820 ohms

Go to Step 4

Go to Step 6

4

Measure the resistance from terminal C1-63 to ground.

Is the resistance greater than the specified value?

50 K ohms

Go to Step 5

Go to Step 7

5

  1. Place the transmission in Neutral.
  2. Select AC volts.
  3. Hold one rear wheel from turning.
  4. Rotate the other rear wheel by hand, ensuring that the driveshaft is turning.

Is the voltage greater than the specified value?

0.5 volts

Go to Step 11

Go to Step 9

6

  1. Disconnect the engine wiring harness from the VSS Assy.
  2. Measure the resistance of the VSS Assy.

Is the resistance within the specified range?

1470-2820 ohms

Go to Step 8

Go to Step 10

7

  1. Inspect circuits 821 (PPL/WHT) and 822 (LT GRN/BLK) for a short to ground.
  2. Repair the circuits if necessary.

Refer to General Electrical Diagnosis .

Did you find a short to ground condition?

--

Go to Step 12

Go to Diagnostic Aids

8

  1. Inspect circuit 821 (PPL/WHT) and circuit 822 (LT GRN/BLK) for an open.
  2. Repair the circuits if necessary.

Refer to General Electrical Diagnosis .

Did you find an open condition?

--

Go to Step 12

Go to Diagnostic Aids

9

  1. Remove the VSS Assy.
  2. Inspect the output shaft speed sensor rotor for damage or misalignment.

Did you find a damaged condition?

--

Go to Step 12

Go to Step 10

10

Replace the VSS Assy. Refer to Vehicle Speed Sensor Replacement .

Is the replacement complete?

--

Go to Step 12

--

11

Replace the PCM. Refer to Powertrain Control Module Replacement/Programming .

Is the replacement complete?

--

Go to Step 12

--

12

In order to verify your repair, perform the following procedure:

  1. Select DTC.
  2. Select Clear Info.
  3. Drive the vehicle, ensuring that the transmission output speed drop is less than 500 RPM for 3 seconds and the output speed is greater than 600 RPM for 3 seconds.
  4. Select Specific DTC. Enter DTC P0503.

Has the test run and passed?

--

System OK

Go to Step 1

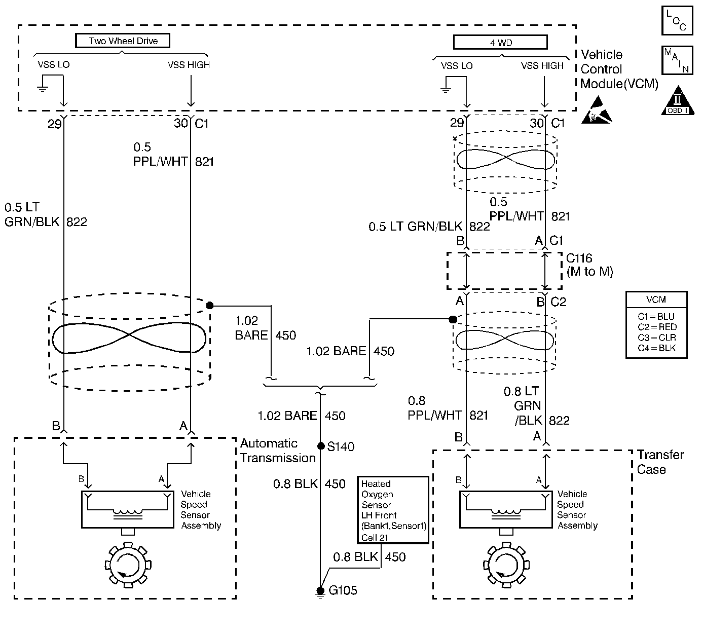
DTC P0503 Vehicle Speed Sensor (VSS) Circuit Intermittent 4.3L


Object Number: 201199  Size: LF
Automatic Transmission Components
Automatic Transmission Controls Schematics
OBD II Symbol Description Notice
Handling ESD Sensitive Parts Notice

Circuit Description

The Vehicle Speed Sensor Assembly (VSS Assy.) provides vehicle speed information to the Vehicle Control Module (VCM). The VSS Assy. is a Permanent Magnet (PM) generator. The PM generator produces a pulsing AC voltage as rotor teeth on the transmission output shaft pass through the sensor's magnetic field. The AC voltage level and the number of pulses increase as the speed of the vehicle increases. The output voltage varies from a minimum of 0.5 volts AC at 100 RPM to more than 100 volts at 8000 RPM. The VCM converts the pulsing voltage to vehicle speed. The VCM uses the vehicle speed signal to determine shift timing and Torque Converter Clutch (TCC) scheduling.

When the VCM detects an unrealistically large drop in vehicle speed, then DTC P0503 sets. DTC P0503 is a type B DTC.

Conditions for Setting the DTC

DTC P0503 sets if the following conditions occur two consecutive times:

    • No TFP Val. Position Sw. DTC P1810.
    • The engine speed is greater than 450 RPM for 5 seconds.
    • Not in fuel cutoff.
    • The time since the last gear range change is greater than 6 seconds.
    • The transmission output speed rise does not exceed 600 RPM within 6 seconds.
    • The transmission output speed drops by greater than 1300 RPM for 3 seconds when not in Park/Neutral.

Action Taken When the DTC Sets

    • The VCM illuminates the Malfunction Indicator Lamp (MIL).
    • The VCM commands second gear only.
    • The VCM commands maximum line pressure.
    • The VCM freezes shift adapts from being updated.
    • The VCM inhibits TCC engagement.
    • DTC P0503 stores in VCM history.

Conditions for Clearing the MIL/DTC

    • The VCM turns OFF the MIL after three consecutive trips without a failure reported.
    • A scan tool can clear the DTC from the VCM history. The VCM clears the DTC from the VCM history if the vehicle completes 40 warm-up cycles without a failure reported.
    • The VCM cancels the DTC default actions when the fault no longer exists and the ignition is OFF long enough in order to power down the VCM.

Diagnostic Aids

    • Inspect the wiring at the VCM, the Vehicle Speed Sensor (VSS) connector and all other circuit connecting points for the following conditions:
       - A bent terminal
       - A backed out terminal
       - A damaged terminal
       - Poor terminal tension
       - A chafed wire
       - A broken wire inside the insulation
       - Moisture intrusion
       - Corrosion
    • When diagnosing for an intermittent short or open condition, massage the wiring harness while watching the test equipment for a change.

Test Description

The numbers below refer to the step numbers on the diagnostic table.

  1. This step tests the VSS Assy. circuit.

  2. This step tests the integrity of the VSS Assy.

  3. This step tests the 5 volt and ground circuit of the VCM.

DTC P0503 Vehicle Speed Sensor Circuit -- Intermittent (4.3L)

Step

Action

Value(s)

Yes

No

1

Was the Powertrain On-Board Diagnostic (OBD) System Check performed?

--

Go to Step 2

Go to Powertrain On Board Diagnostic (OBD) System Check

2

  1. Install the Scan Tool .
  2. With the engine OFF, turn the ignition switch to the RUN position.
  3. Important: Before clearing the DTC(s), use the scan tool in order to record the Freeze Frame and Failure Records for reference. Using the Clear Info function will erase the stored Freeze Frame and Failure Records from the VCM.

  4. Record the DTC Freeze Frame and Failure Records, then clear the DTC(s).
  5. Raise and support the drive axle assembly.
  6. Start the engine.
  7. Place the transmission in D3 range.
  8. With the drive wheels rotating, slowly accelerate the engine to 2000 RPM and hold (Road test the vehicle if necessary).

Does the Transmission OSS drop or fluctuate more than the specified value?

1300 RPM

Go to Step 3

Go to Diagnostic Aids

3

  1. Turn the ignition OFF.
  2. Disconnect the C1 (blue) VCM connector.
  3. Using the J 39200 Digital Multimeter (DMM) and the J 35616-A Connector Test Adapter Kit, measure the resistance between VCM connector terminals C1-29 and C1-30.

Is the resistance within the specified range?

1470-2820 ohms (2WD)

1085-2140 ohms (4WD)

Go to Step 4

Go to Step 6

4

Measure the resistance between terminal C1-30 and ground.

Is the resistance greater than the specified value?

50 K ohms

Go to Step 5

Go to Step 7

5

  1. Place the transmission in Neutral.
  2. Select AC volts.
  3. Hold one rear wheel from turning.
  4. Rotate the other rear wheel by hand, ensuring that the driveshaft is turning.

Is the voltage greater than the specified value?

0.5 volts

Go to Step 8

Go to Step 9

6

  1. Inspect circuit 821 (PPL/WHT) for an open.
  2. Inspect circuit 822 (LT GRN/BLK) for an open.
  3. Repair the circuits if necessary.

Refer to General Electrical Diagnosis Procedures.

Did you find an open condition?

--

Go to Step 15

Go to Step 9

7

  1. Inspect circuit 821 (PPL/WHT) for a short to ground.
  2. Inspect circuit 822 (LT GRN/BLK) for a short to ground.
  3. Repair the circuits if necessary.

Refer to General Electrical Diagnosis Procedures.

Did you find a short to ground condition?

--

Go to Step 15

Go to Diagnostic Aids

8

  1. Reconnect the C1 (blue) VCM connector.
  2. Disconnect the VSS Assy. harness from the VSS Assy.
  3. With the engine OFF, turn the ignition switch to the RUN position.
  4. Using the J 39200 DMM, measure the voltage at the VSS Assy. harness connector terminal A and terminal B.

Is the voltage within the specified range?

4.0-5.1 volts

Go to Step 14

Go to Step 11

9

  1. Remove the VSS Assy.
  2. Check the output shaft speed sensor rotor for damage or misalignment.

Did you find a damaged condition?

--

Go to Step 15

Go to Step 10

10

Replace the VSS Assy.

Refer to Vehicle Speed Sensor Replacement.

Is the replacement complete?

--

Go to Step 15

--

11

Was the voltage measured in step 8 less than the voltage in the value column?

4.0 volts

Go to Step 14

Go to Step 12

12

Was the voltage measured in step 8 greater than the voltage in the value column?

5.1 volts

Go to Step 13

--

13

Repair the short to B+ in circuit 821 (PPL/WHT).

Refer to General Electrical Diagnosis Procedures.

Is the repair complete?

--

Go to Step 15

--

14

Replace the VCM.

Refer to VCM Replacement/Programming .

Is the replacement complete?

--

Go to Step 15

--

15

In order to verify your repair, perform the following procedure:

  1. Select DTC.
  2. Select Clear Info.
  3. Operate the vehicle, ensuring that the transmission output speed drop is less than 500 RPM for 2.5 seconds and output speed is greater than 600 RPM for 2.5 seconds.
  4. Select Specific DTC. Enter DTC P0503.

Has the test run and passed?

--

System OK

Go to Step 1