GM Service Manual Online
For 1990-2009 cars only
Figure 1:

Cell 130: Door Lock Switch Inputs


Object Number: 381802  Size: FS
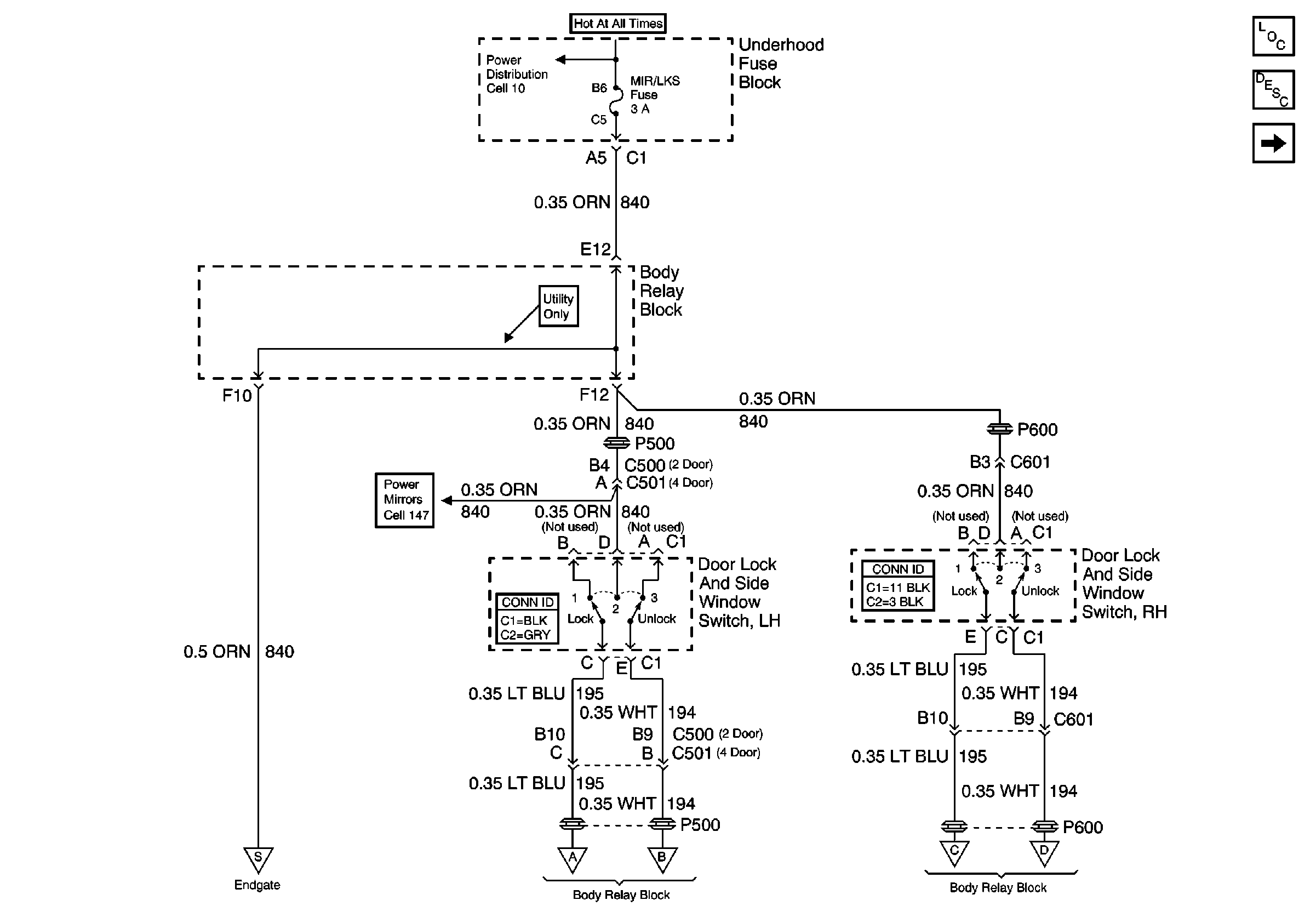
Cell 10: MIR/LKS, FOG LP Fuses and DRL, Headlamp Power Relays
Power Door Systems Components
Power Door Locks Circuit Description
Cell 130: Liftgate/Endgate Lock Cylinder Switch Inputs
Cell 130: Liftgate/Endgate Lock Cylinder Switch Inputs
Cell 130: Relay Control
Cell 130: Relay Control
Power Door Systems Connector End Views
Power Door Systems Connector End Views
Cell 147: Outside Rear View Mirror Switch
Figure 2:

Cell 130: Liftgate/Endgate Lock Cylinder Switch Inputs


Object Number: 381804  Size: FS
Power Door Systems Components
Power Door Locks Circuit Description
Cell 130: BCM Inputs and Outputs
Cell 130: Door Lock Switch Inputs
Cell 130: Door Lock Switch Inputs
Cell 134 (Endgate)
Cell 134 (Liftgate)
Cell 130: Relay Control
Cell 130: Relay Control
Figure 3:

Cell 130: BCM Inputs and Outputs


Object Number: 381806  Size: FS
Cell 132
Body Control System Connector End Views
Handling ESD Sensitive Parts Notice
Power Door Systems Components
Power Door Locks Circuit Description
Cell 130: Relay Control
Cell 130: Liftgate/Endgate Lock Cylinder Switch Inputs
Cell 130: Relay Control
Cell 130: Relay Control
Cell 130: Relay Control
Cell 14: G200, G201 and G207 (Pickup)
Figure 4:

Cell 130: Relay Control


Object Number: 381811  Size: FS
Cell 10: INT BATT Fuse
Cell 130: BCM Inputs and Outputs
Cell 130: BCM Inputs and Outputs
Cell 130: Liftgate/Endgate Lock Cylinder Switch Inputs
Cell 130: BCM Inputs and Outputs
Cell 130: Liftgate/Endgate Lock Cylinder Switch Inputs
Power Door Systems Components
Power Door Locks Circuit Description
Cell 130: Door Lock Actuators
Cell 130: BCM Inputs and Outputs
Cell 130: Door Lock Actuators
Cell 130: Door Lock Switch Inputs
Cell 130: Door Lock Switch Inputs
Cell 14: G200, G201 and G207 (Pickup)
Cell 14: G200, G201 and G207 (Pickup)
Figure 5:

Cell 130: Door Lock Actuators


Object Number: 381813  Size: FS
Cell 130: Relay Control
Cell 130: Relay Control
Power Door Systems Components
Power Door Locks Circuit Description
Cell 130: Relay Control