GM Service Manual Online
For 1990-2009 cars only
Makes
🢒
Chevrolet
🢒
1999
🢒
Blazer - 2WD
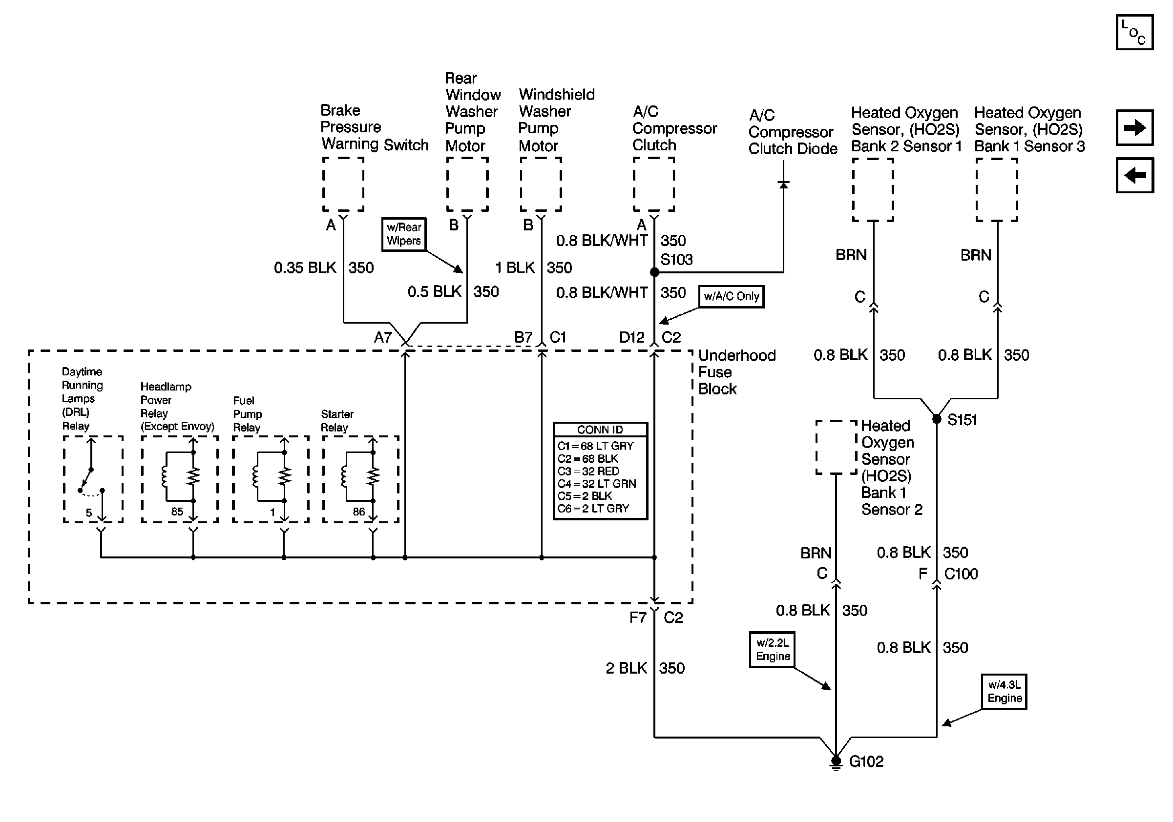
🢒 Cell 14: G102 (Except Envoy)
Cell 14: G102 (Except Envoy)
Cell 14: G102 (Except Envoy)
Power and Grounding Connector End Views
Power and Grounding Components
Cell 14: G102 (Envoy Only)
Cell 14: G110, G106, G107, G108 and G118