GM Service Manual Online
For 1990-2009 cars only
Makes
🢒
Chevrolet
🢒
1999
🢒
Blazer - 2WD
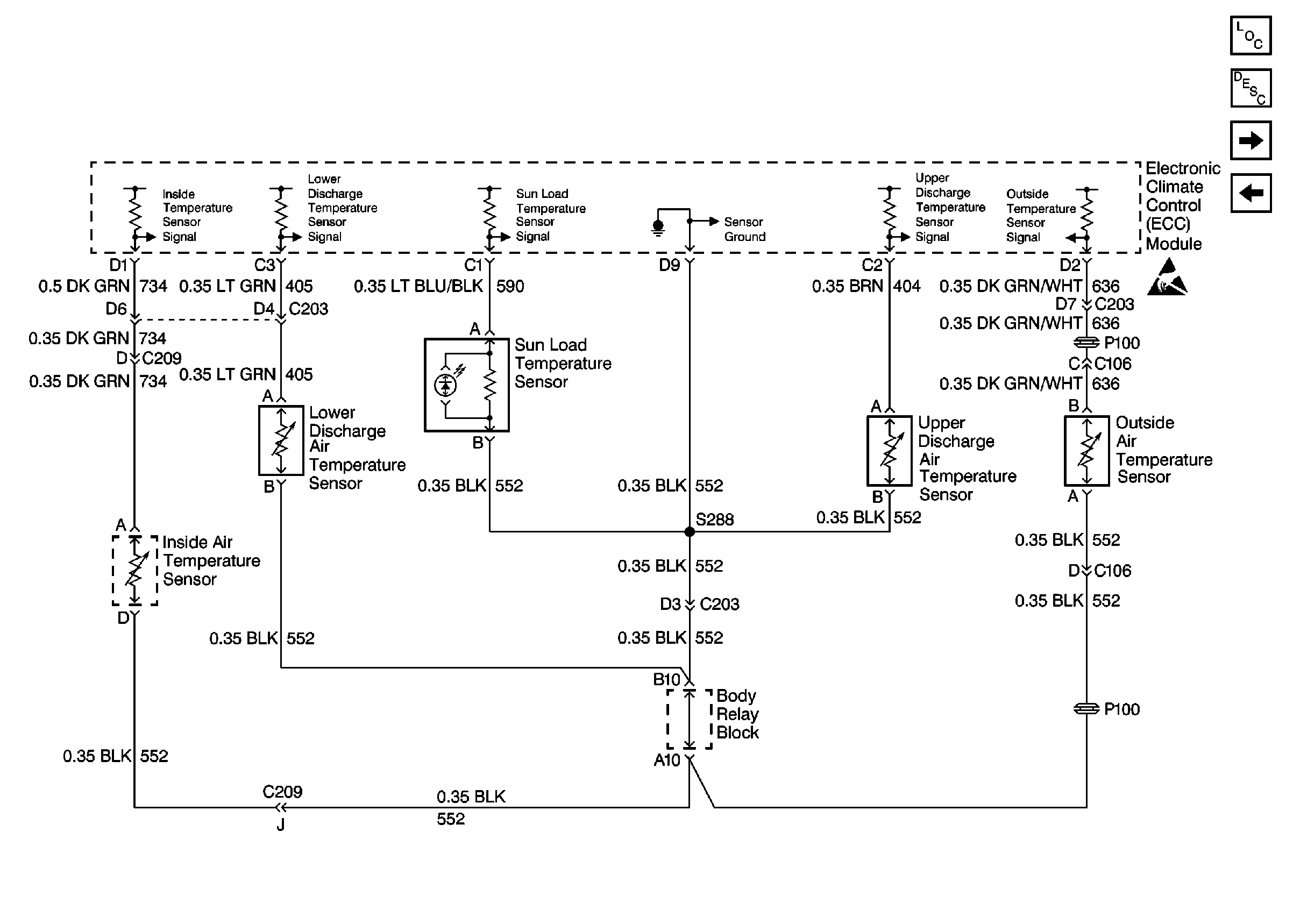
🢒 Cell 68: ECC Module and Temperature Sensors
Cell 68: ECC Module and Temperature Sensors
Cell 68: ECC Module and Temperature Sensors
Handling ESD Sensitive Parts Notice
HVAC Components
HVAC Air Delivery/Temperature Control Circuit Description
Cell 68: HVAC Solenoid Assembly and Air Temperature Valve Sensor and Motor
Cell 68: ECC Module, Power and Ground