GM Service Manual Online
For 1990-2009 cars only
Makes
🢒
Chevrolet
🢒
1999
🢒
Blazer - 2WD
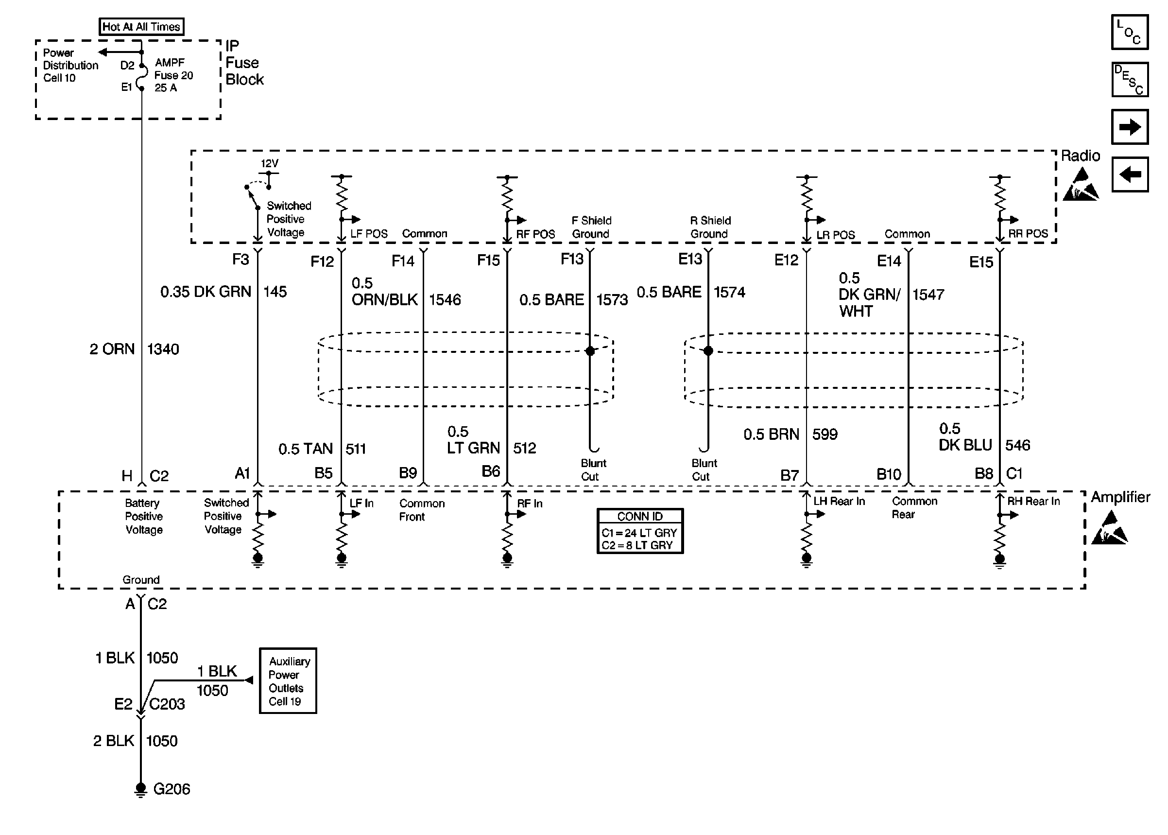
🢒 Cell 150: Amplifier Power, Ground and Inputs (Bravada)
Cell 150: Amplifier Power, Ground and Inputs (Bravada)
Cell 150: Amplifier Power, Ground and Inputs (Bravada)
Entertainment Components
Radio/Audio System Circuit Description
Cell 10: INT BATT Fuse
Entertainment Connector End Views
Cell 19 (Except Envoy)
Handling ESD Sensitive Parts Notice
Handling ESD Sensitive Parts Notice
Cell 150: Amplifier - Left Channel Output (Bravada)
Cell 150: Remote Audio Player (Bravada)