GM Service Manual Online
For 1990-2009 cars only
Makes
🢒
Chevrolet
🢒
1999
🢒
Blazer - 2WD
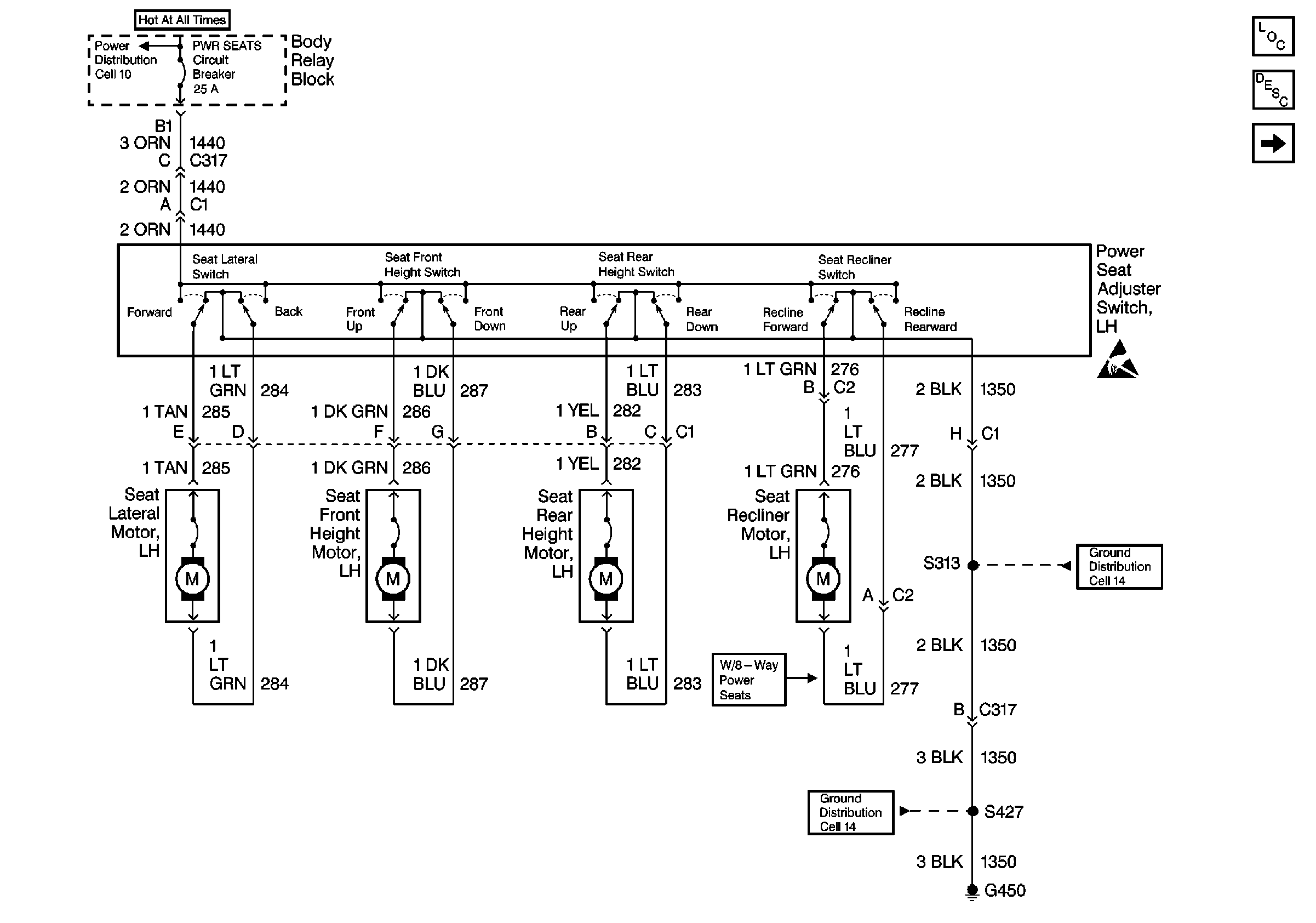
🢒 Cell 140: LH Power Seat
Cell 140: LH Power Seat
Cell 140: LH Power Seat
Cell 10: Power Seats, Power Windows Circuit Breakers and RAP Relays
Cell 14: S313 and S419
Cell 14: G420 and G450 (Utility w/ Endgate)
Power Seat Systems Components
Power Seats Circuit Description
Cell 140: RH Power Seat