GM Service Manual Online
For 1990-2009 cars only
Makes
🢒
Chevrolet
🢒
2001
🢒
Blazer - 2WD
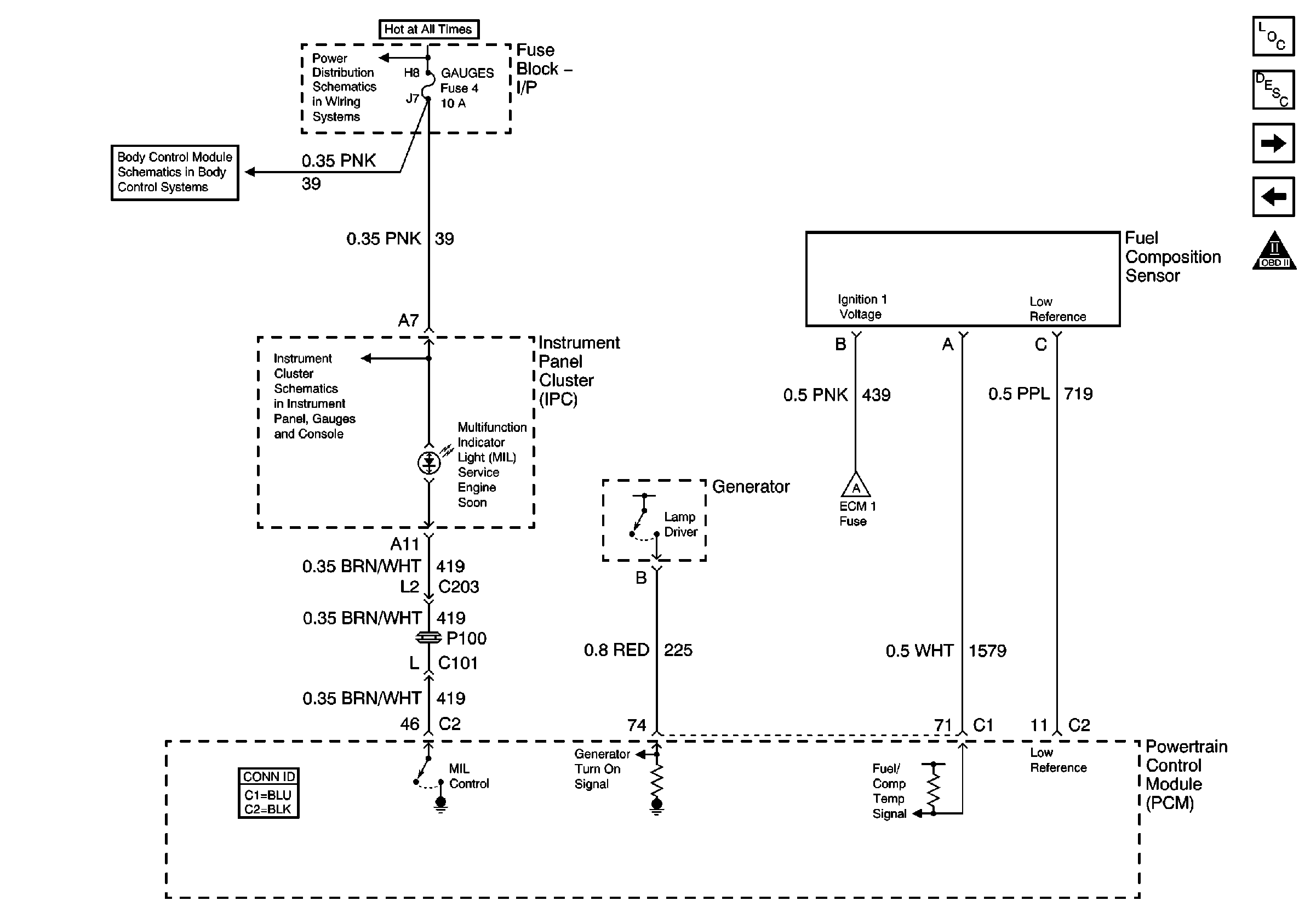
🢒 MIL, Generator, and Fuel Composition Sensor
MIL, Generator, and Fuel Composition Sensor
MIL, Generator, and Fuel Composition Sensor
Master Electrical Component List
Powertrain Control Module Description
Automatic Transmission and PNP Switch Inputs
A/C Compressor Controls
OBD II Symbol Description Notice
Power and Ground
Ign RUN and START Bus Bar
Power and Ground
ECM B, ECM I, CLSTR Fuses, and PCM Ground