GM Service Manual Online
For 1990-2009 cars only
Makes
🢒
Chevrolet
🢒
2001
🢒
Blazer - 2WD
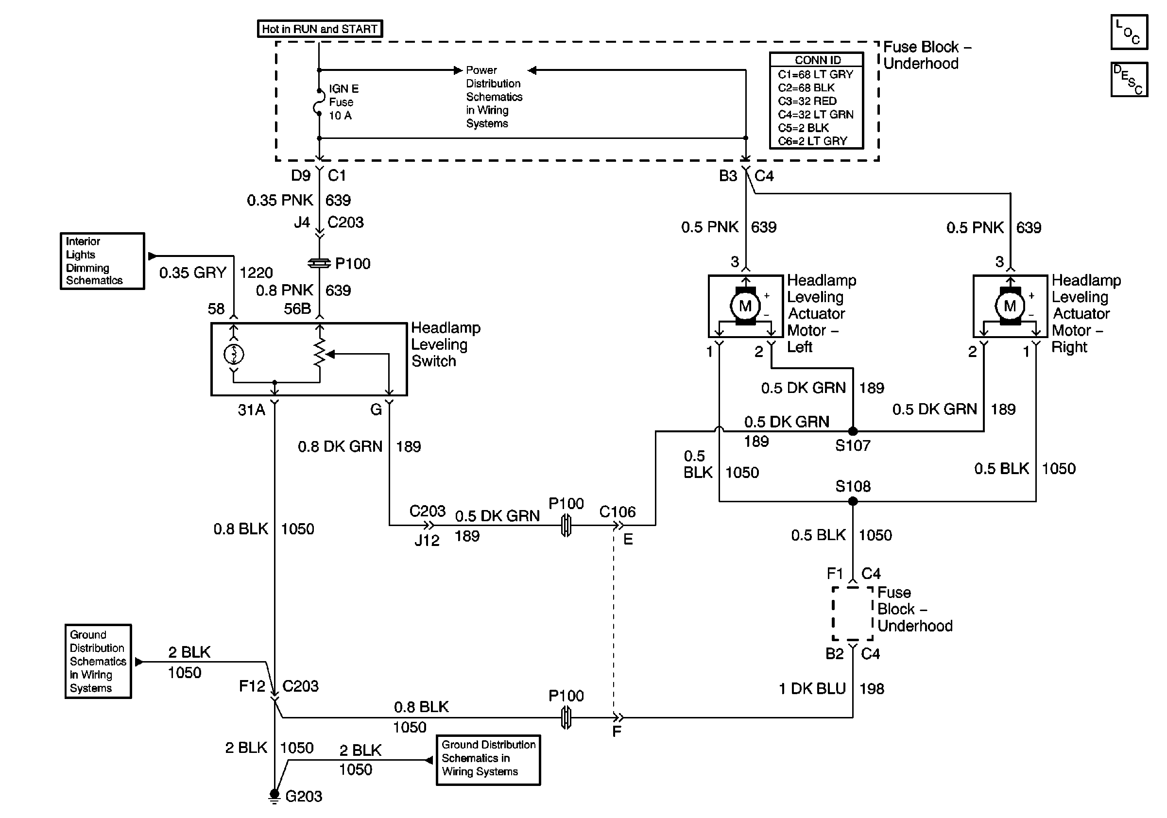
🢒 Headlight Leveling Schematics (Export)
Headlight Leveling Schematics (Export)
Master Electrical Component List
Exterior Lighting Systems Description and Operation
IGN E Fuse and A/C Compressor, Rear Defogger, DRL Relays
Instrument Panel Cluster, BCM, and Automatic Transmission Indicators
G203 and G204 (Utility w/ Automatic A/C)
G203 and G204 (Utility w/ Manual A/C)