GM Service Manual Online
For 1990-2009 cars only
Makes
🢒
Chevrolet
🢒
2001
🢒
Blazer - 2WD
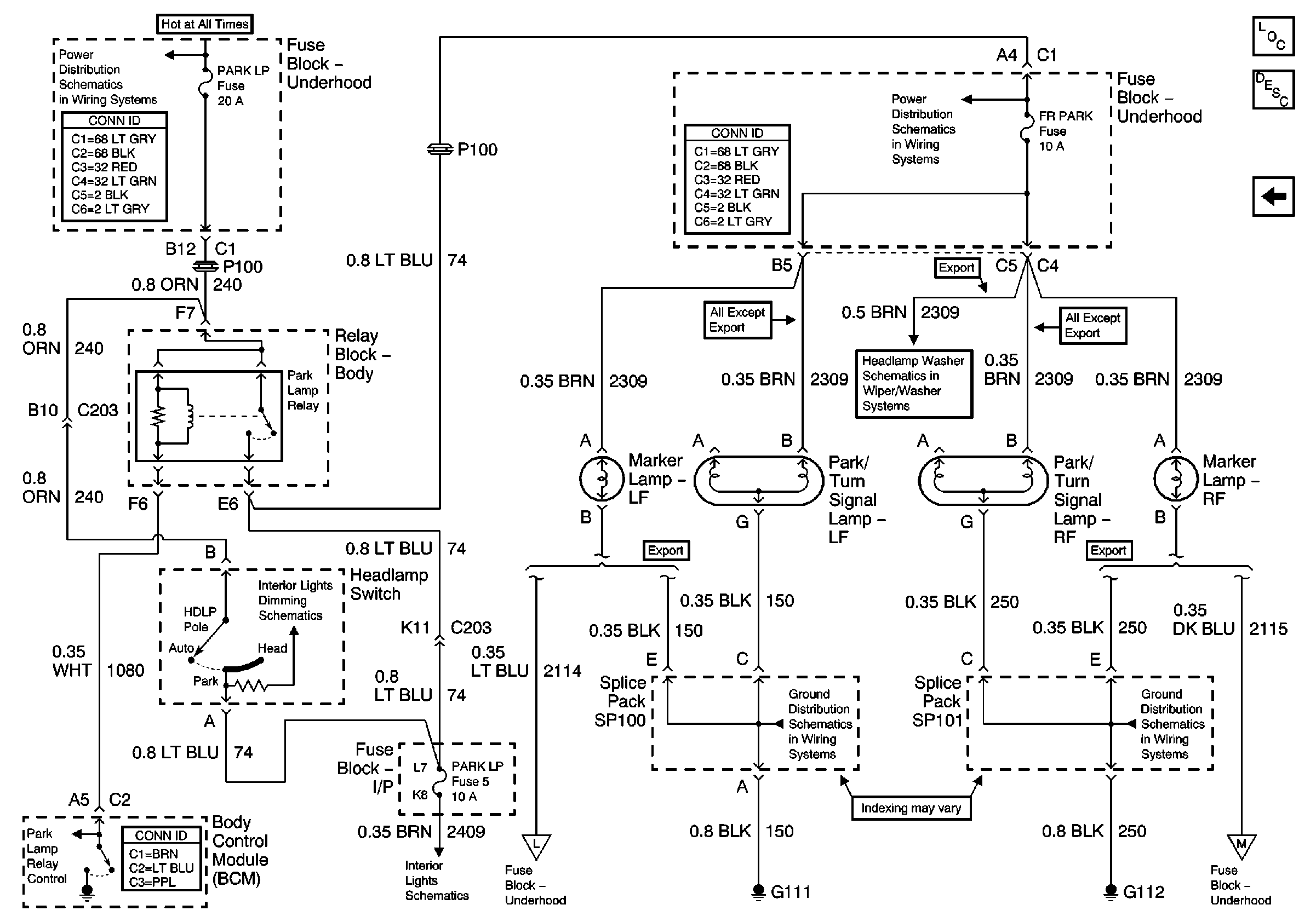
🢒 Park Lamp and Marker Lamps, Front
Park Lamp and Marker Lamps, Front
Park Lamps and Marker Lamps, Front
Master Electrical Component List
Exterior Lighting Systems Description and Operation
Backup Lamps (Utility)
Tail, Stop and License Lamps (Export)
B+ Bus Bar
FR PRK, LR PRK, RR PRK Fuses and Fog Lamp Relay (Pickup)
Headlamp Washer System (Export Only)
Headlamp Switch
Headlamp Switch
Turn Signal Lamps, Front and Turn Signal Fuses, Rear
G109, G111, G112 and G113 (Except Export)
G109, G111, G112 and G113 (Except Export)
Turn Signal Lamps, Front and Turn Signal Fuses, Rear