GM Service Manual Online
For 1990-2009 cars only
Makes
🢒
Chevrolet
🢒
2001
🢒
Blazer - 2WD
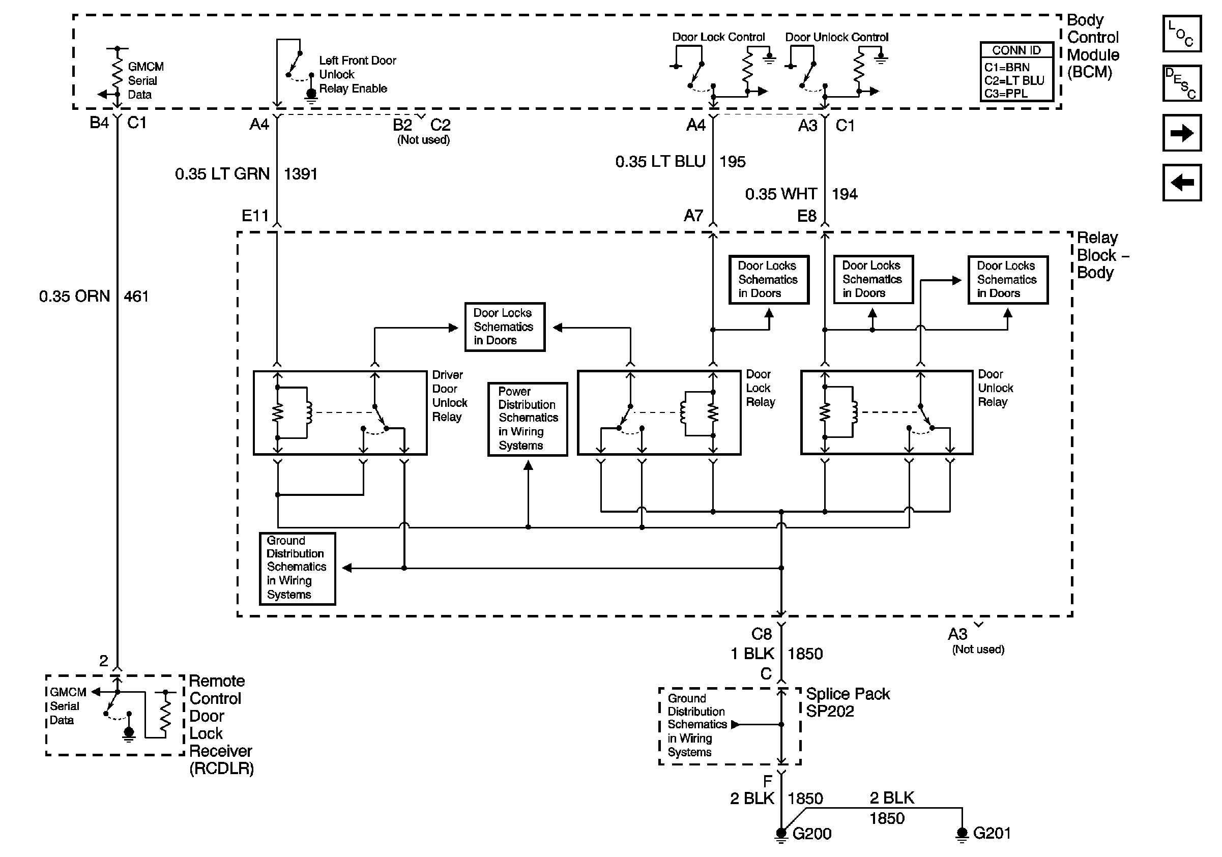
🢒 Power Door Lock Relays, Remote Control Door Lock Receiver
Power Door Lock Relays, Remote Control Door Lock Receiver
Power Door Lock Relays, Remote Control Door Lock Receiver
Master Electrical Component List
Body Control System Description and Operation
Rear Jamb Switches, Ignition Key Alarm Switch
Seat Belt Switch, Headlamp Ambient Light Sensor and PCM
G200, G201 and G207 (Pickup and Crew Cab)
Relay Control
INT BATT Fuse
Relay Control
Relay Control
Relay Control
G200, G201 and G207 (Pickup and Crew Cab)