GM Service Manual Online
For 1990-2009 cars only
Makes
🢒
Chevrolet
🢒
2001
🢒
Blazer - 2WD
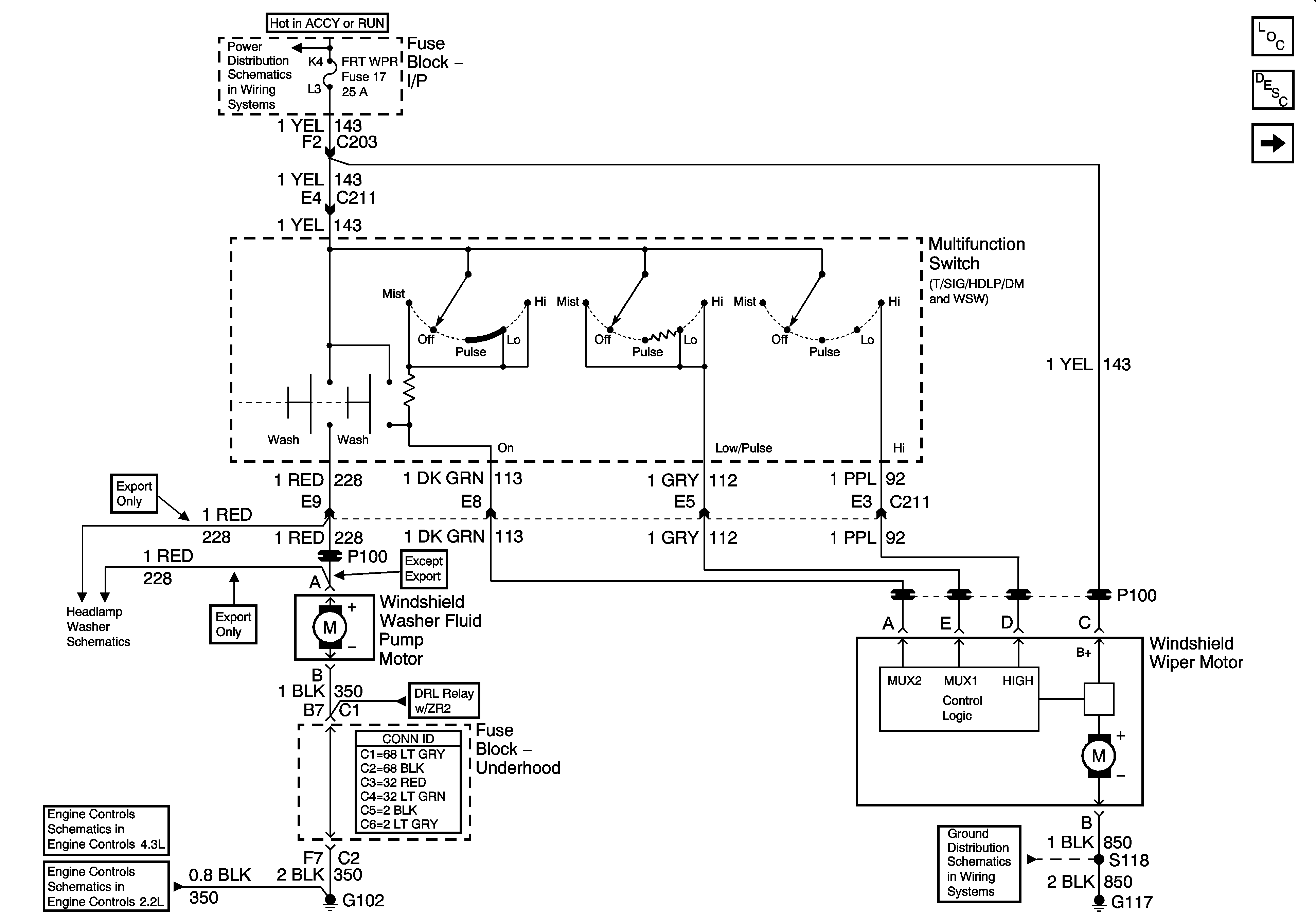
🢒 Pulse Wipers
Pulse Wipers
Pulse Wipers
Master Electrical Component List
Wiper/Washer System Description and Operation
Rear Wipers
Ign ACC, RUN and RAP Bus Bar
Headlamp Washer System (Export Only)
Heated Oxygen Sensors
Oxygen Sensors
G104 and G117