GM Service Manual Online
For 1990-2009 cars only
Makes
🢒
Chevrolet
🢒
2001
🢒
Blazer - 2WD
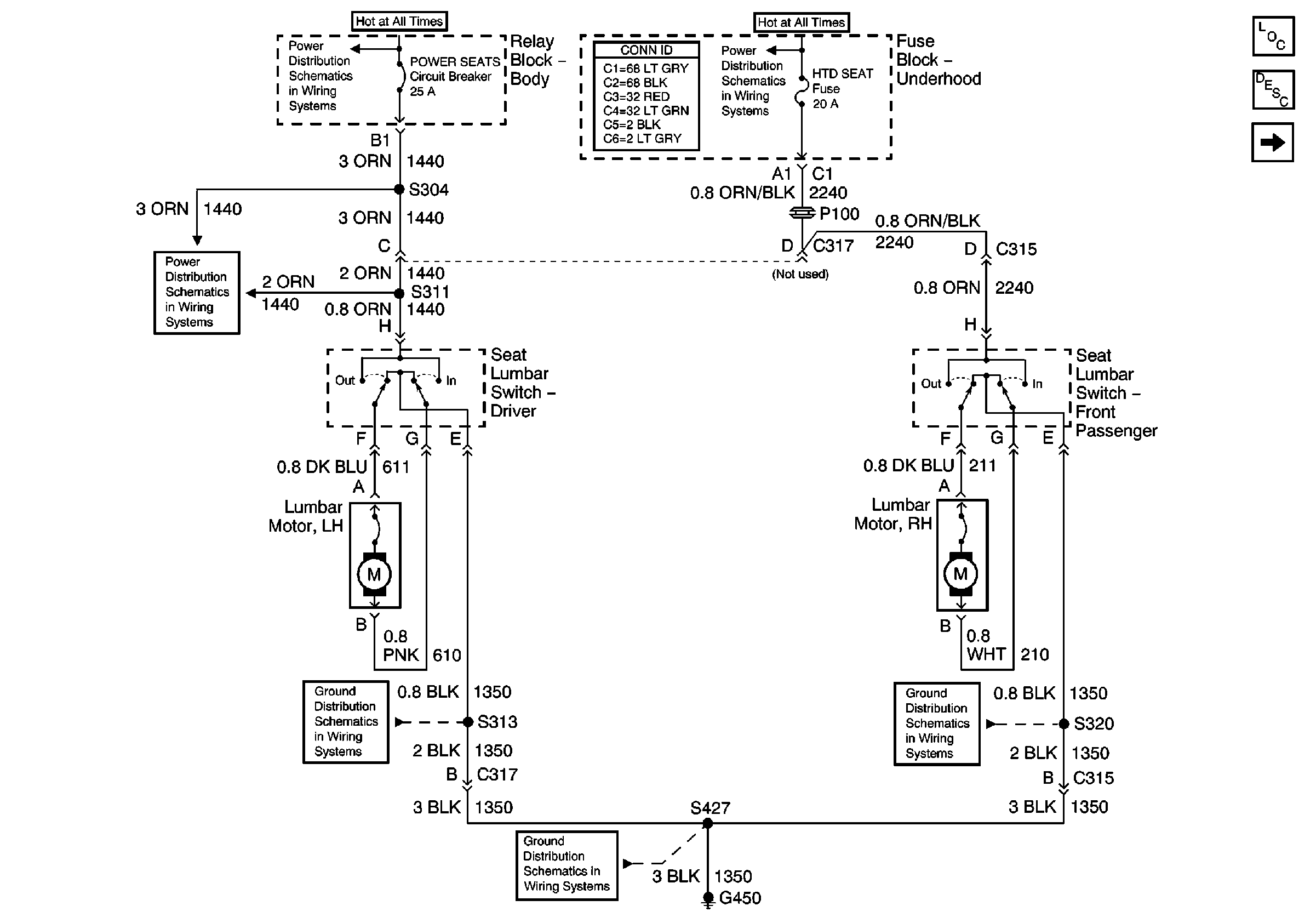
🢒 Lumbar w/o Memory Seats
Lumbar w/o Memory Seats
Lumbar w/o Memory Seats
Master Electrical Component List
Lumbar Support Description and Operation
Lumbar w/ Memory Seats
Ign ACC, RUN and RAP Bus Bar
Power Seats, Power Windows Circuit Breakers and RAP Relay
S313 and S419
G420,G450 and S427 (Utility w/ Endgate and Crew Cab)
B+ Bus Bar
S320 and S420