GM Service Manual Online
For 1990-2009 cars only
Makes
🢒
Chevrolet
🢒
2002
🢒
Blazer - 2WD
🢒
Body and Accessories
🢒
Retained Accessory Power
🢒 Retained Accessory Power (RAP) Schematics
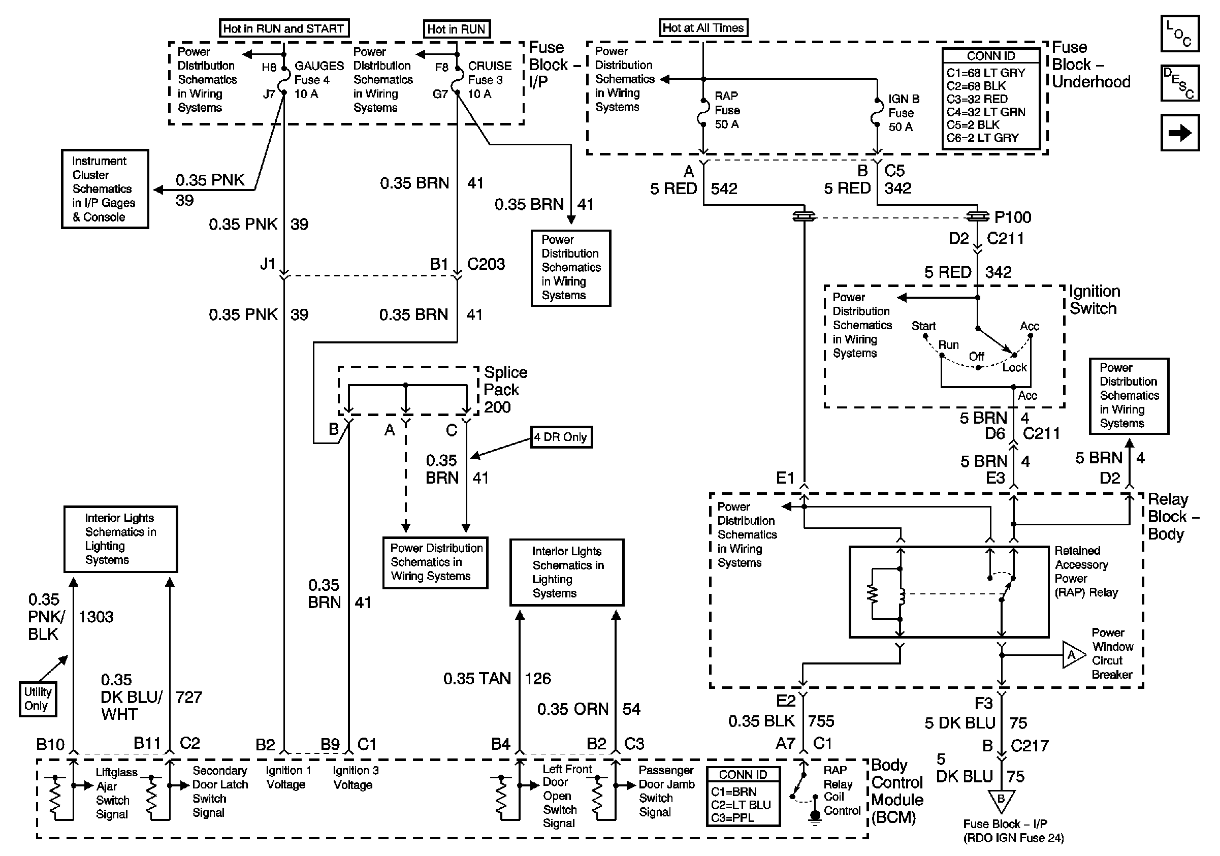
Figure
1:
RAP Relay and Ignition Switch
Master Electrical Component List
Retained Accessory Power (RAP) Description and Operation
Door Lock and Window Switches
Ign RUN and START Bus Bar
Ign ACC, RUN and RAP Bus Bar
B+ Bus Bar
Power and Ground
HVAC and CRUISE Fuses
Ign ACC, RUN and RAP Bus Bar
Ign ACC, RUN and RAP Bus Bar
Rear Door Jamb and Liftglass Ajar Jamb Switches
HVAC and CRUISE Fuses
Front Door Jamb and Door Handle Switches
Ign ACC, RUN and RAP Bus Bar
Door Lock and Window Switches
RDO IGN and STR WHL RDO IGN Fuses
Figure
2:
Door Lock and Window Switches
Master Electrical Component List
Retained Accessory Power (RAP) Description and Operation
RDO IGN and STR WHL RDO IGN Fuses
RAP Relay and Ignition Switch
RAP Relay and Ignition Switch
Figure
3:
RDO IGN and STR WHL RDO IGN Fuses
Master Electrical Component List
Retained Accessory Power (RAP) Description and Operation
Door Lock and Window Switches
RAP Relay and Ignition Switch