GM Service Manual Online
For 1990-2009 cars only
Makes
🢒
Chevrolet
🢒
2002
🢒
Blazer - 2WD
🢒
Body and Accessories
🢒
Lighting Systems
🢒 Fog Lights Schematics
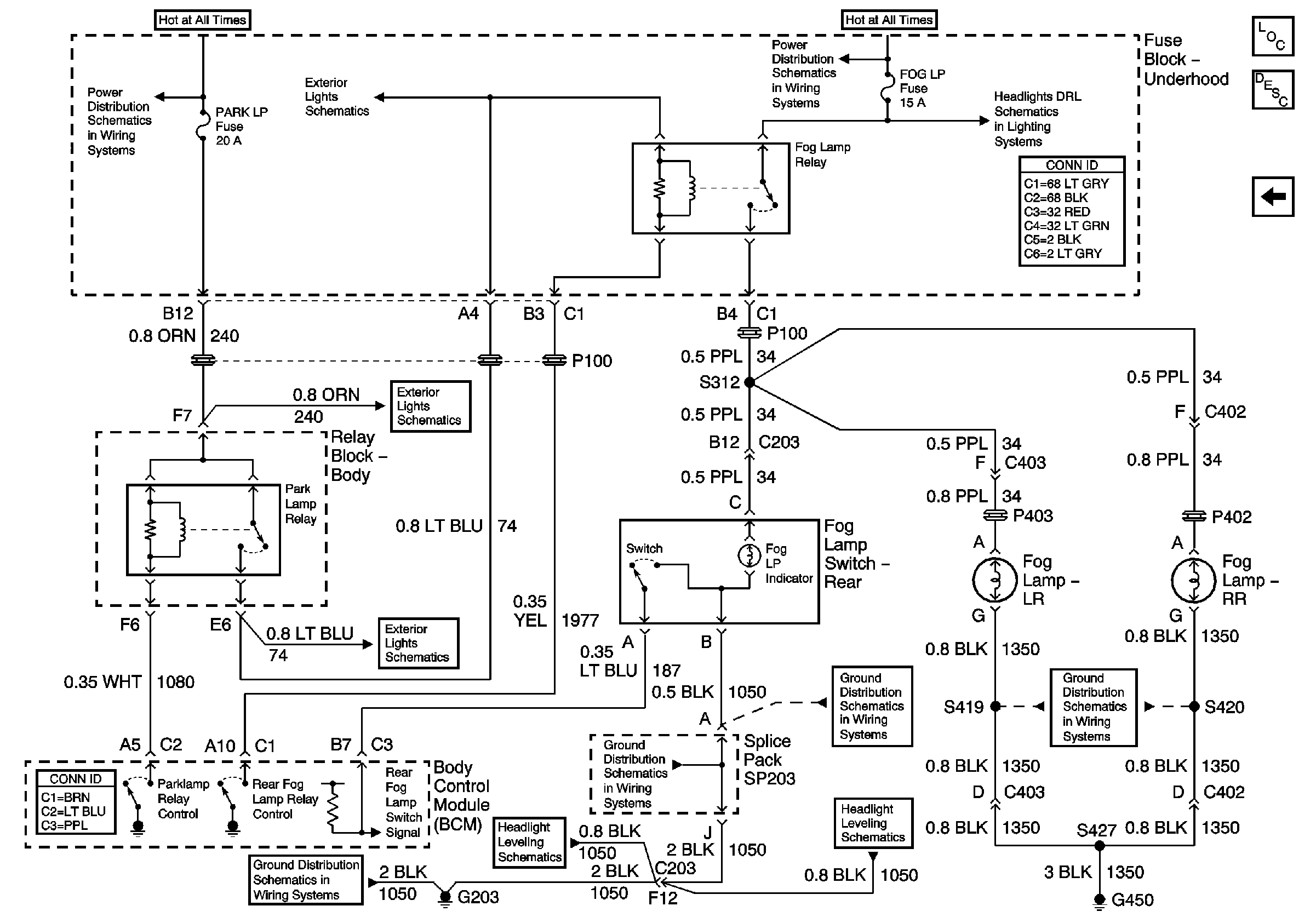
Figure
1:
Front
Master Electrical Component List
Exterior Lighting Systems Description and Operation
Rear (Export)
B+ Bus Bar
Park/Turn Signal Lamps, Marker Lamps and Turn Signal Fuses, Front
B+ Bus Bar
DRL and Headlamp Power Relays
Fuse Block - Underhood
ILLUM Fuse 12
Fuse Block - Underhood
Headlamp Switch, Ambient Light Sensor and BCM
G203 and G204 (Pickup)
G111 and G112 (Except Export)
G111 and G112 (Except Export)
Headlight Leveling Schematics
G203 and G204 (Pickup)
Headlight Leveling Schematics
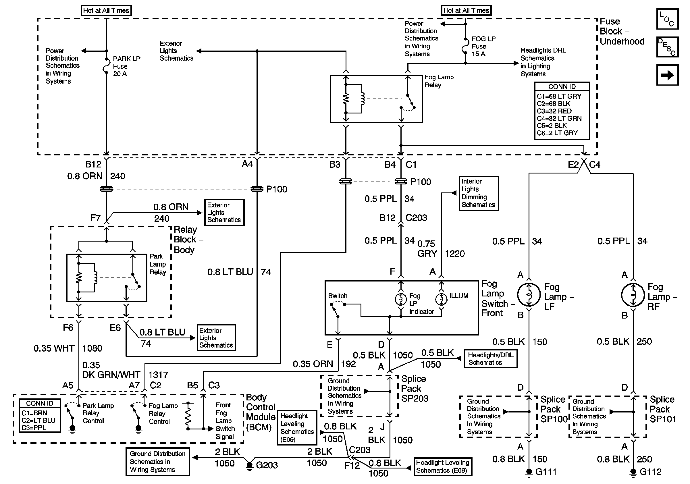
Figure
2:
Rear (Export)
Master Electrical Component List
Exterior Lighting Systems Description and Operation
Front
B+ Bus Bar
Park/Turn Signal Lamps, Marker Lamps and Turn Signal Fuses, Front
B+ Bus Bar
DRL and Headlamp Power Relays
Fuse Block - Underhood
Fuse Block - Underhood
G203 and G204 (Utility w/ Manual A/C)
G420,G450 and S427 (Utility and Crew Cab)
Headlight Leveling Schematics
Headlight Leveling Schematics
G203 and G204 (Utility w/ Manual A/C)