GM Service Manual Online
For 1990-2009 cars only
Makes
🢒
Chevrolet
🢒
2002
🢒
Blazer - 2WD
🢒
Body and Accessories
🢒
Data Link Communications
🢒 Data Link Connector Schematics
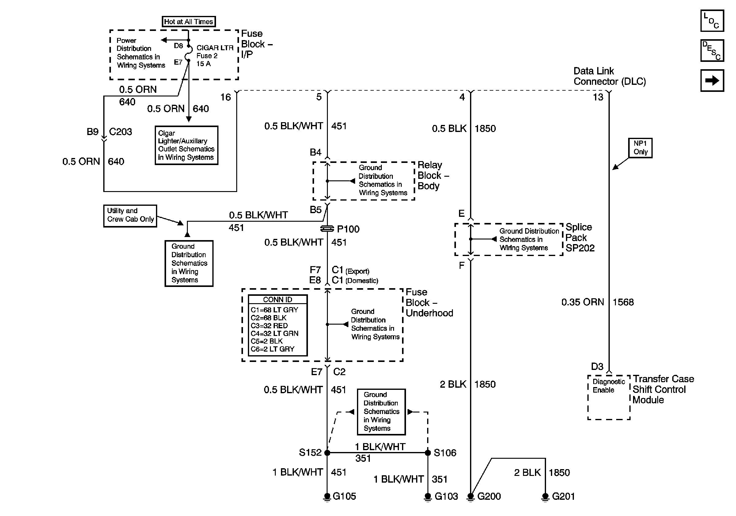
Figure
1:
Power, Ground, and Transfer Case Shift Control Module
Master Electrical Component List
Data Link Communications Description and Operation
SP201 (4.3L)
INT BATT Fuse
Cigar Lighter/Auxiliary Outlets Schematics
G103 and G105 (2.2 L)
G103 and G105 (2.2 L)
G103 and G105 (2.2 L)
G103 and G105 (2.2 L)
G200, G201 and G207 (Pickup and Crew Cab)
Figure
2:
SP201
Master Electrical Component List
Data Link Communications Description and Operation
Power, Ground, and Transfer Case Shift Control Module
SIR Caution