GM Service Manual Online
For 1990-2009 cars only
Figure 1:

B+ Bus Bar


Object Number: 754396  Size: FS
Master Electrical Component List
Ign RUN and START Bus Bar
G100, G101, G106, G107, G108, and G110
Figure 2:

Ign RUN and START Bus Bar


Object Number: 754400  Size: FS
Master Electrical Component List
Ign ACC, RUN and RAP Bus Bar
B+ Bus Bar
B+ Bus Bar
Figure 3:

Ign ACC, RUN and RAP Bus Bar


Object Number: 754404  Size: FS
Master Electrical Component List
Stop, Turn and Hazard Bus Bar
Ign RUN and START Bus Bar
B+ Bus Bar
Figure 4:

Stop, Turn and Hazard Bus Bar


Object Number: 754406  Size: FS
Master Electrical Component List
STUD 2, ABS, TBC and RR W/W Fuses
Ign ACC, RUN and RAP Bus Bar
B+ Bus Bar
Ign RUN and START Bus Bar
Figure 5:

STUD 2, ABS, TBC and RR W/W Fuses


Object Number: 754409  Size: FS
Master Electrical Component List
INT BATT Fuse
Stop, Turn and Hazard Bus Bar
B+ Bus Bar
Figure 6:

INT BATT Fuse


Object Number: 754412  Size: FS
Master Electrical Component List
Inadvertent Power Lamp Relay
STUD 2, ABS, TBC and RR W/W Fuses
Inadvertent Power Lamp Relay
Figure 7:

AUX PWR, RDO BATT and HDLP SW Fuses


Object Number: 877404  Size: FS
Master Electrical Component List
Inadvertent Power Lamp Relay
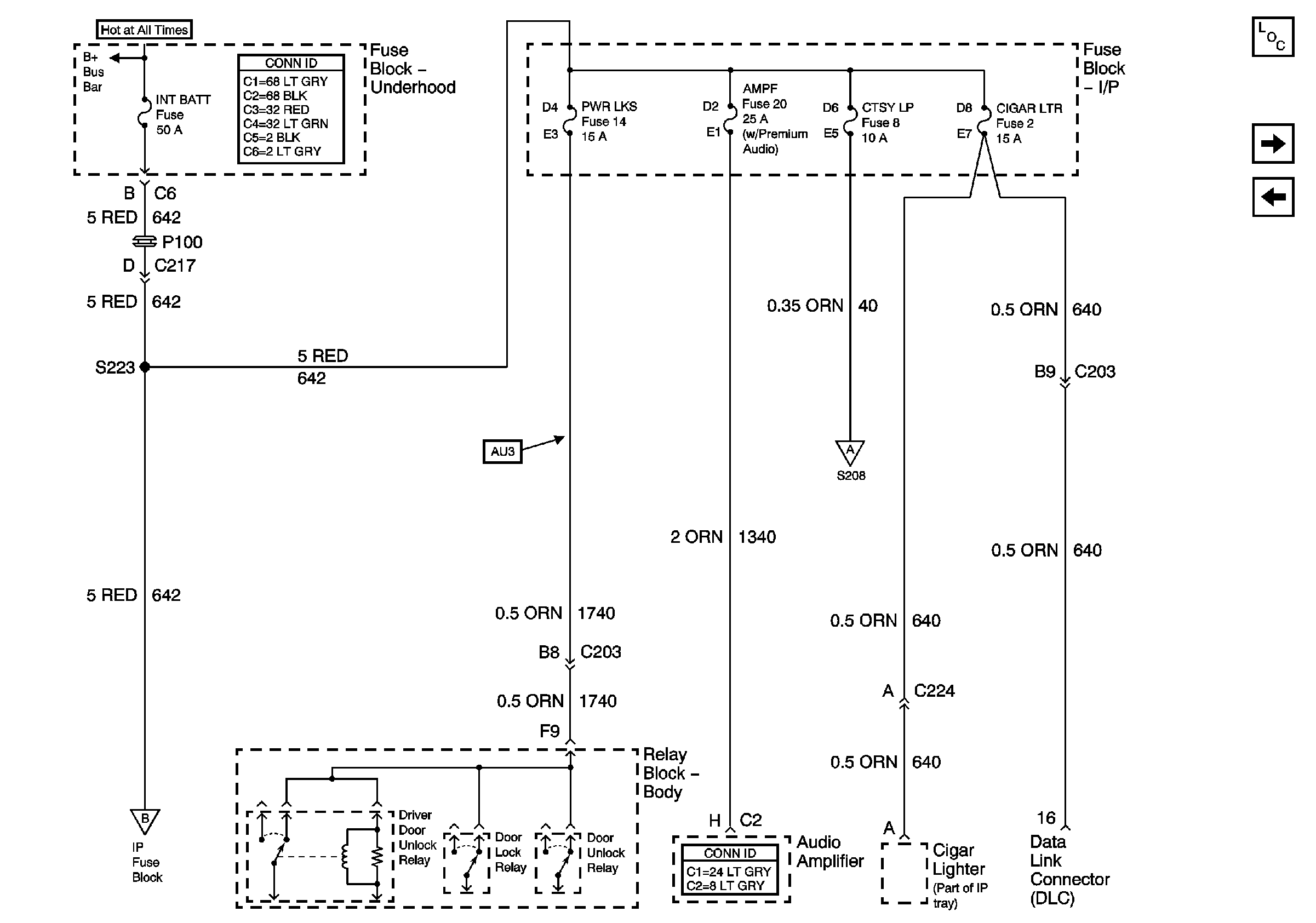
HTD SEAT, ATC, HVAC and A/C Fuses
INT BATT Fuse
Figure 8:

AUX PWR, RDO BATT and HDLP SW Fuses


Object Number: 877404  Size: FS
Master Electrical Component List
Inadvertent Power Lamp Relay
HTD SEAT, ATC, HVAC and A/C Fuses
INT BATT Fuse
Figure 9:

HTD SEAT, ATC, HVAC and A/C Fuses


Object Number: 754419  Size: FS
Master Electrical Component List
MIR/LKS, FOG LP Fuses and DRL, Headlamp Power Relays
AUX PWR, RDO BATT and HDLP SW Fuses
B+ Bus Bar
Figure 10:

MIR/LKS, FOG LP Fuses and DRL, Headlamp Power Relays


Object Number: 754424  Size: FS
Master Electrical Component List
ECM B Fuse and Horn, Rear Defogger Relays
HTD SEAT, ATC, HVAC and A/C Fuses
B+ Bus Bar
Figure 11:

ECM B Fuse and Horn, Rear Defogger Relays


Object Number: 754432  Size: FS
Master Electrical Component List
ILLUM and PARK LP Fuses
MIR/LKS, FOG LP Fuses and DRL, Headlamp Power Relays
B+ Bus Bar
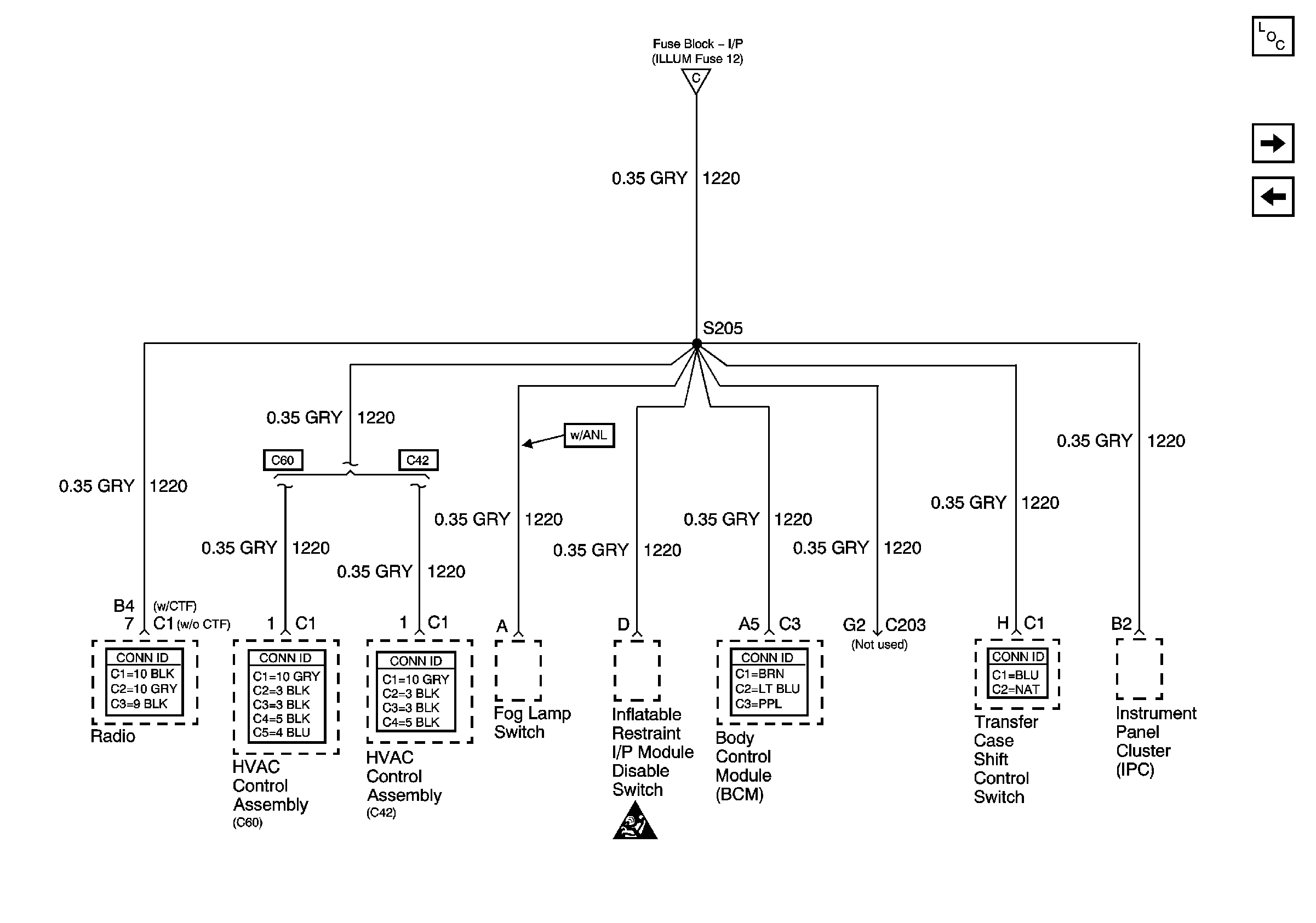
Figure 12:

ILLUM and PARK LP Fuses


Object Number: 754435  Size: FS
Master Electrical Component List
Illum Power - Pickup
ECM B Fuse and Horn, Rear Defogger Relays
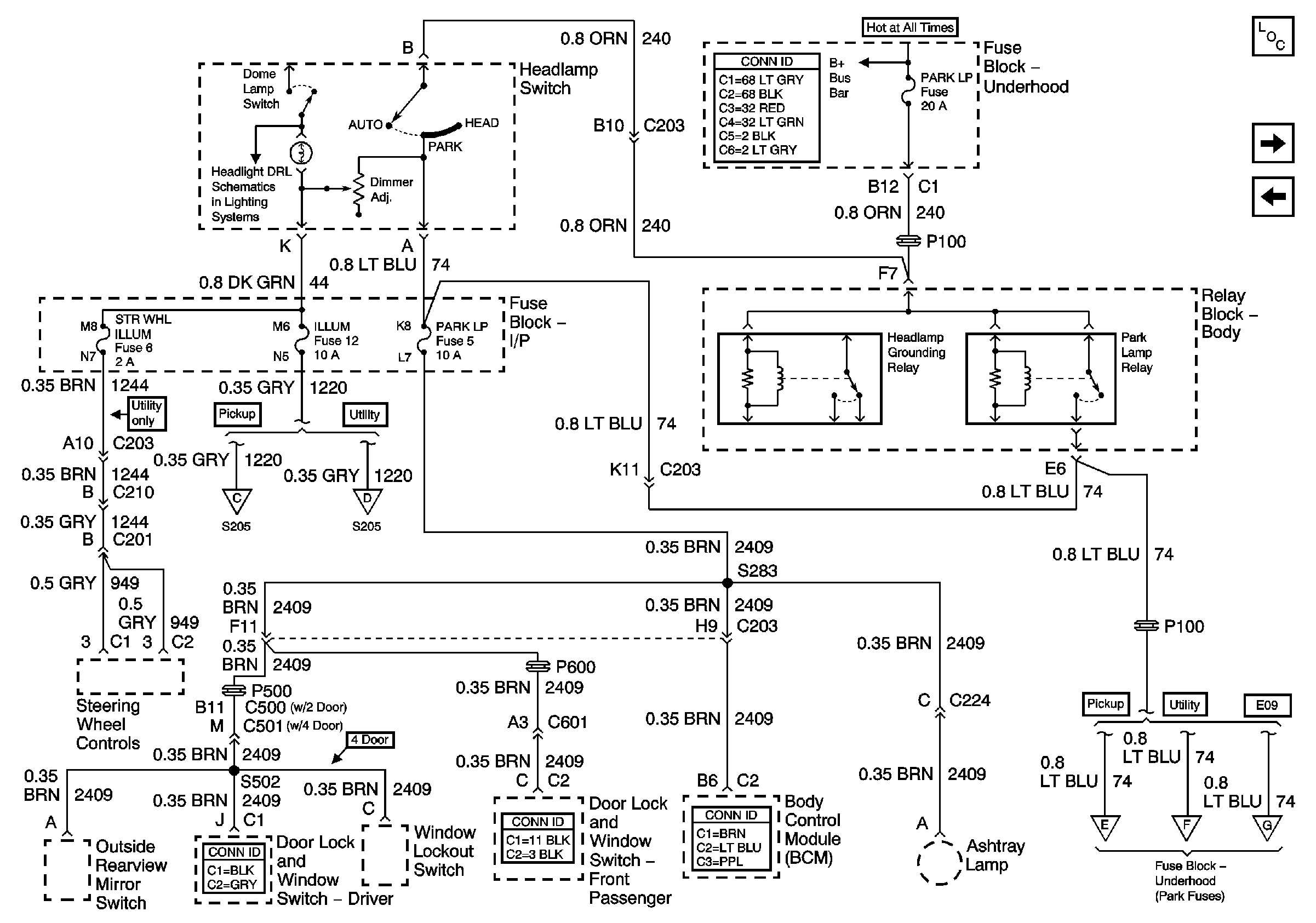
Headlamp Switch, Ambient Light Sensor and BCM
Illum Power - Pickup
Illum Power - Utility
FR PRK, LR PRK, RR PRK Fuses and Fog Lamp Relay (Pickup)
FR PRK, LR PRK, RR PRK, TRL PRK Fuses and Fog Lamp Relay (Utility)
FR PRK, LR PRK, RR PRK, TRL PRK Fuses and Fog Lamp Relay (Export)
Figure 13:

Illum Power (Pickup)


Object Number: 877406  Size: FS
Master Electrical Component List
ILLUM and PARK LP Fuses
Illum Power - Utility
ILLUM and PARK LP Fuses
Figure 14:

ILLUM Power (2-Door Utility, 4-Door Utility and Crew Cab)


Object Number: 754438  Size: FS
Master Electrical Component List
FR PRK, LR PRK, RR PRK Fuses and Fog Lamp Relay (Pickup)
Illum Power - Utility
Illum Power - Utility
Figure 15:

FR PRK, LR PRK, RR PRK Fuses and Fog Lamp Relay (Pickup)


Object Number: 754430  Size: FS
Master Electrical Component List
FR PRK, LR PRK, RR PRK, TRL PRK Fuses and Fog Lamp Relay (Utility)
ILLUM Power (2-Door Utility, 4-Door Utility and Crew Cab)
ILLUM and PARK LP Fuses
Figure 16:

FR PRK, LR PRK, RR PRK, TRL PRK Fuses and Fog Lamp Relay (Utility)


Object Number: 754442  Size: FS
Master Electrical Component List
FR PRK, LR PRK, RR PRK, TRL PRK Fuses and Fog Lamp Relay (Export)
FR PRK, LR PRK, RR PRK Fuses and Fog Lamp Relay (Pickup)
ILLUM and PARK LP Fuses
Figure 17:

FR PRK, LR PRK, RR PRK, TRL PRK Fuses and Fog Lamp Relay (Export)


Object Number: 754443  Size: FS
Master Electrical Component List
CRANK and CLSTR Fuses
FR PRK, LR PRK, RR PRK, TRL PRK Fuses and Fog Lamp Relay (Utility)
ILLUM and PARK LP Fuses
Figure 18:

CRANK and CLSTR Fuses


Object Number: 754444  Size: FS
Master Electrical Component List
B/U LP, TRL B/U, VEH B/U, and BTSI Fuses (Automatic Transmission)
TURN, SIR and GAUGES Fuses
Figure 19:

TURN, SIR and GAUGES Fuses


Object Number: 754445  Size: FS
Master Electrical Component List
IGN E Fuse and A/C Compressor, Rear Defogger, DRL Relays
CRANK and CLSTR Fuses
Power and Grounding Schematic Icons
Power and Grounding Schematic Icons
Figure 20:

IGN E Fuse and A/C Compressor, Rear Defogger, DRL Relays


Object Number: 754446  Size: FS
Master Electrical Component List
B/U LP, TRL B/U, VEH B/U, and BTSI Fuses (Automatic Transmission)
TURN, SIR and GAUGES Fuses
Figure 21:

B/U LP, TRL B/U, VEH B/U and BTSI Fuses (Automatic Transmission)


Object Number: 754447  Size: FS
Master Electrical Component List
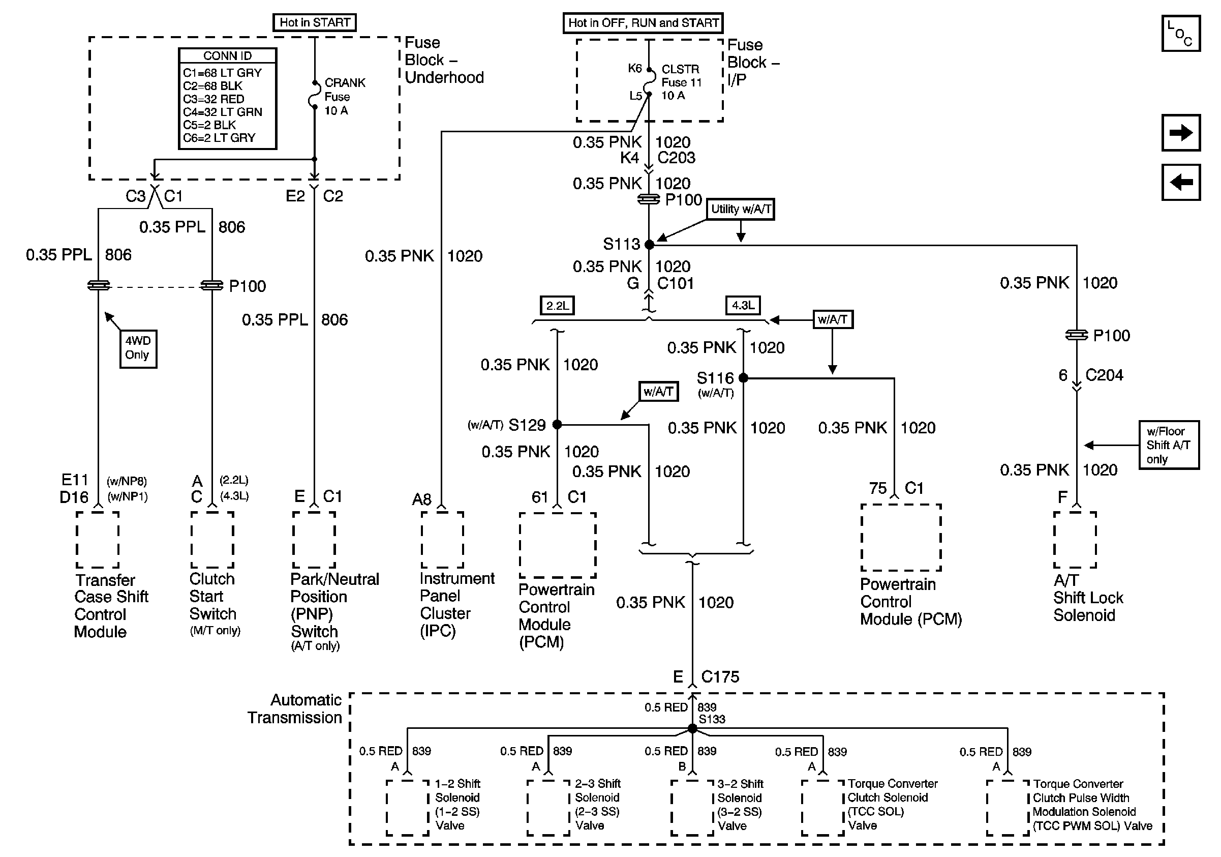
BTSI Fuse Power (Automatic Transmission)
IGN E Fuse and A/C Compressor, Rear Defogger, DRL Relays
Ign RUN and START Bus Bar
BTSI Fuse Power (Automatic Transmission)
Figure 22:

BTSI Fuse Power (Automatic Transmission)


Object Number: 754448  Size: FS
Master Electrical Component List
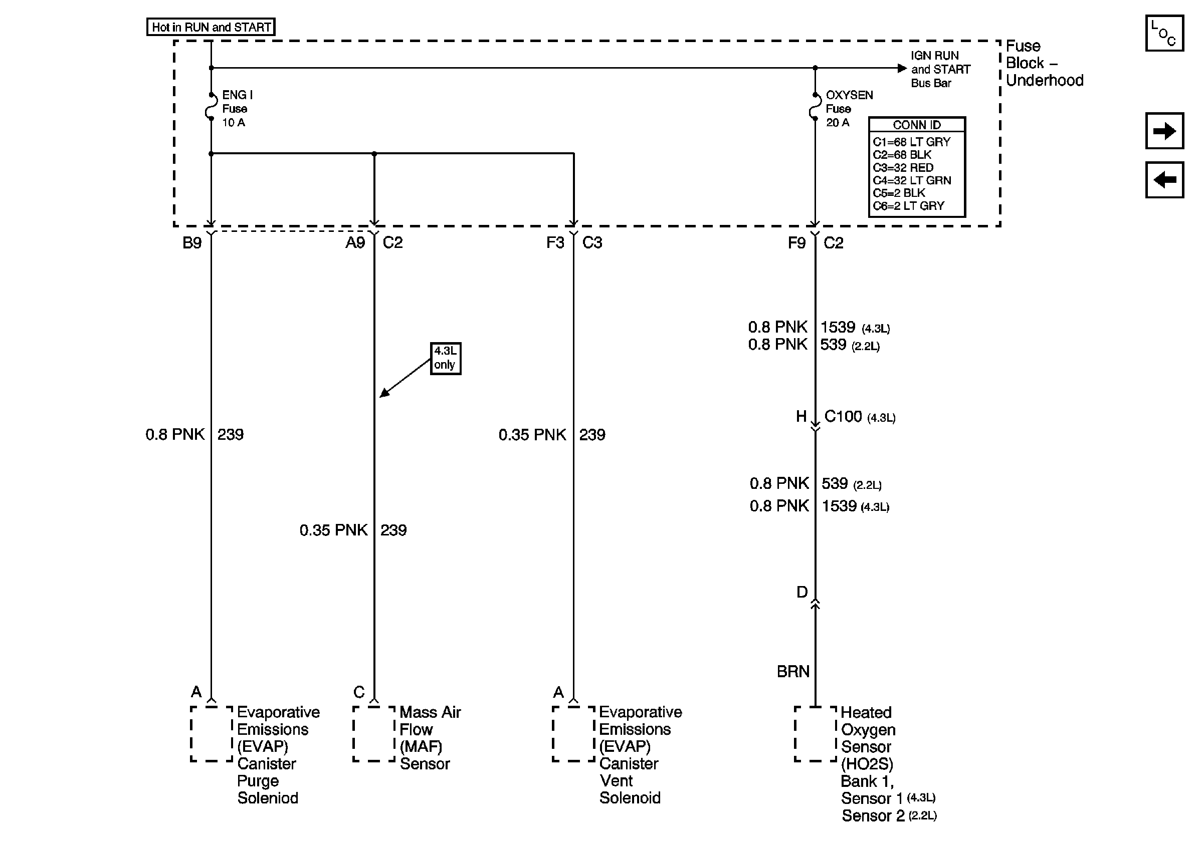
ENG I and OXYGEN Fuses
B/U LP, TRL B/U, VEH B/U, and BTSI Fuses (Automatic Transmission)
B/U LP, TRL B/U, VEH B/U, and BTSI Fuses (Automatic Transmission)
Figure 23:

ENG I and OXYSEN Fuses


Object Number: 754450  Size: FS
Master Electrical Component List
ECM I Fuse
BTSI Fuse Power (Automatic Transmission)
Ign RUN and START Bus Bar
Figure 24:

ECM I Fuse


Object Number: 754451  Size: FS
Master Electrical Component List
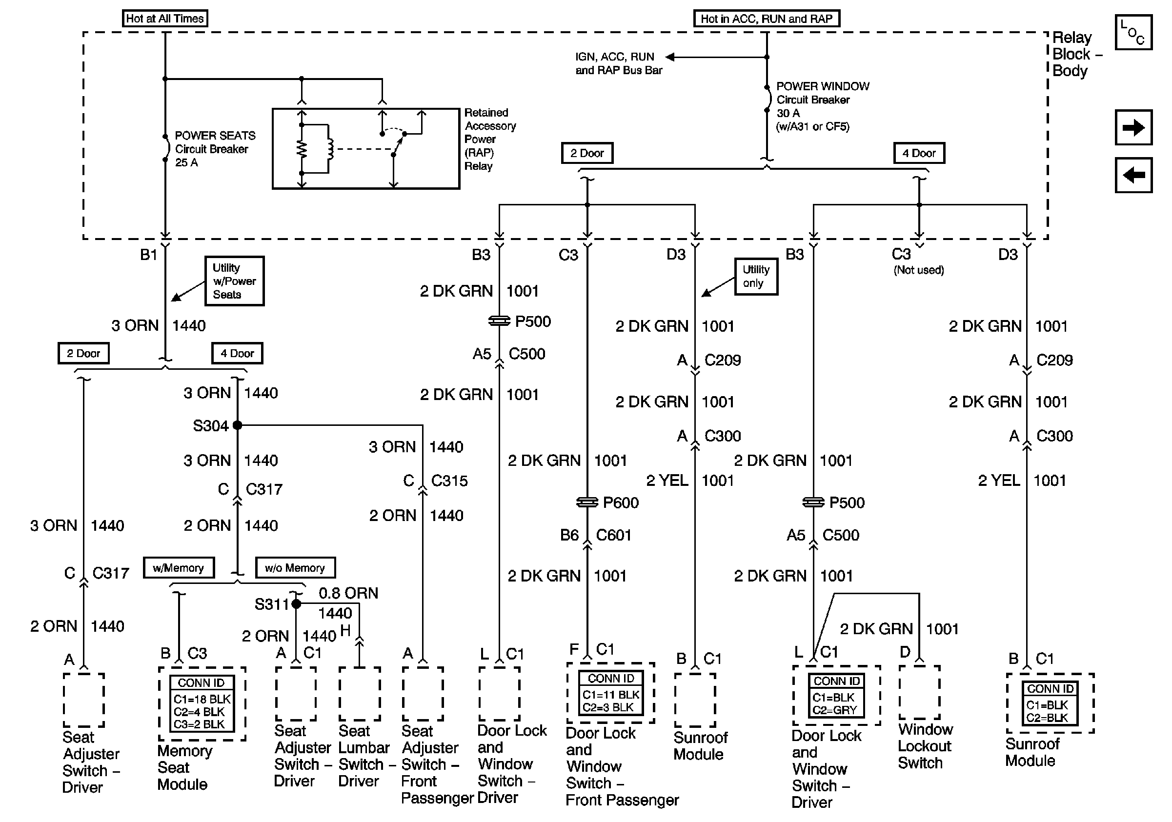
Power Seats, Power Windows Circuit Breakers and RAP Relay
ENG I and OXYGEN Fuses
Ign RUN and START Bus Bar
Figure 25:

Power Seats, Power Windows Circuit Breakers and RAP Relay


Object Number: 754453  Size: FS
Master Electrical Component List
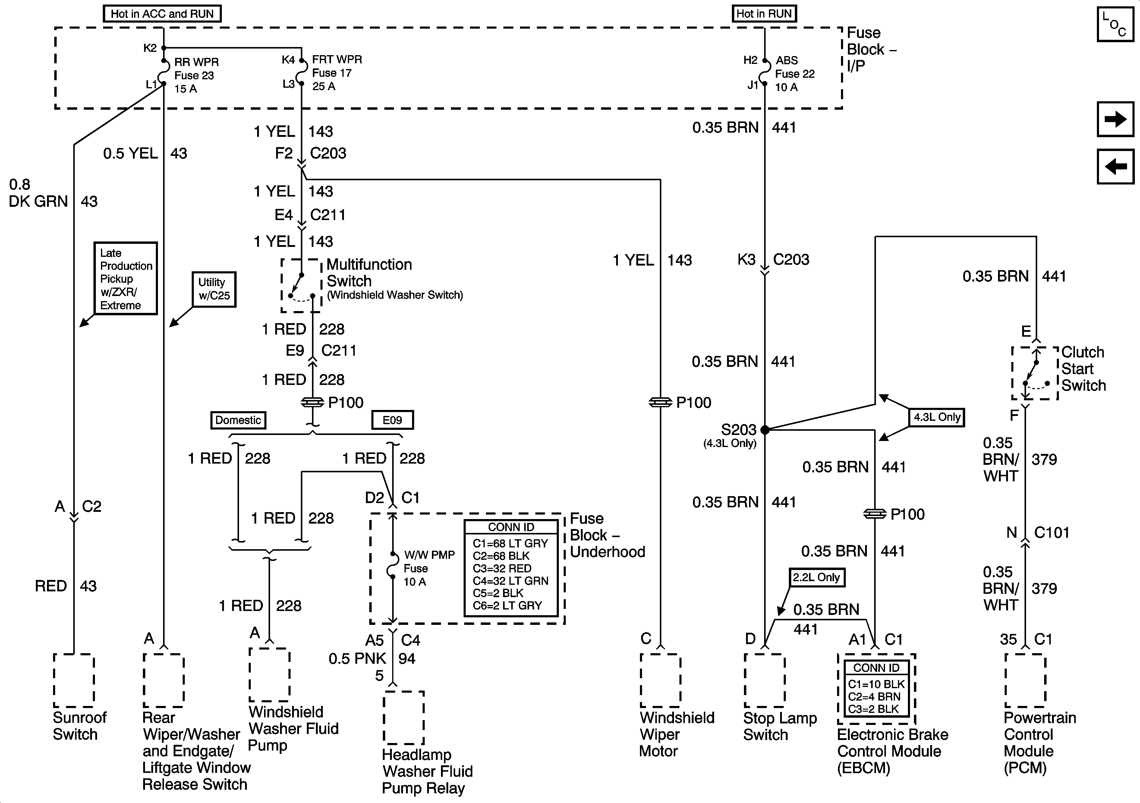
RR WPR, FRT WPR and ABS Fuses
ECM I Fuse
Ign ACC, RUN and RAP Bus Bar
Figure 26:

RDO IGN and STR WHL RDO IGN Fuses


Object Number: 877410  Size: FS
Master Electrical Component List
RR WPR, FRT WPR and ABS Fuses
Power Seats, Power Windows Circuit Breakers and RAP Relay
Figure 27:

RR WPR, FRT WPR and ABS Fuses


Object Number: 754461  Size: FS
Master Electrical Component List
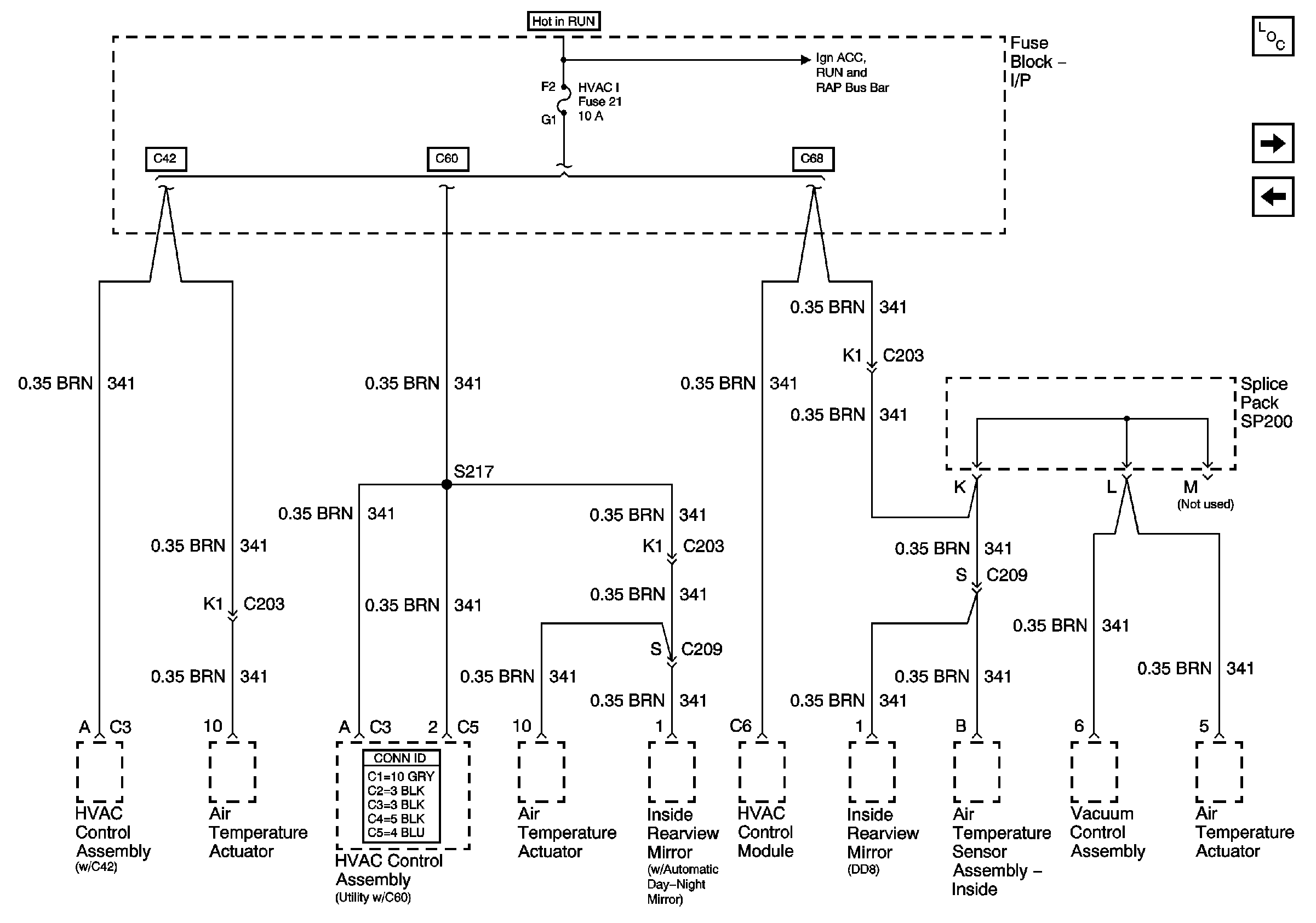
HVAC I Fuse
RDO IGN and STR WHL RDO IGN Fuses
Figure 28:

HVAC I Fuse


Object Number: 754462  Size: FS
Master Electrical Component List
4WD Fuse (4.3 L)
RR WPR, FRT WPR and ABS Fuses
Ign ACC, RUN and RAP Bus Bar
Figure 29:

4WD Fuse (4.3 L)


Object Number: 754463  Size: FS
Master Electrical Component List
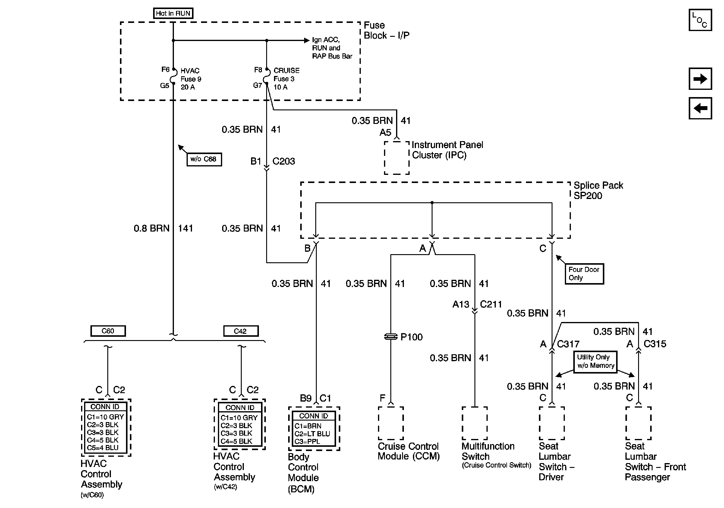
HVAC and CRUISE Fuses
HVAC I Fuse
Ign ACC, RUN and RAP Bus Bar
Figure 30:

HVAC and CRUISE Fuses


Object Number: 754464  Size: FS
Master Electrical Component List
VECHMSL, TRCHMSL Fuses and CHMSL Relay
4WD Fuse (4.3 L)
Ign ACC, RUN and RAP Bus Bar
Figure 31:

VECHMSL, TRCHMSL Fuses and CHMSL Relay


Object Number: 754465  Size: FS
Master Electrical Component List
RT TURN, RT TRN and TRR TRN Fuses
HVAC and CRUISE Fuses
Figure 32:

RT TURN, RT TRN and TRR TRN Fuses


Object Number: 754467  Size: FS
Master Electrical Component List
LT TURN, LT TRN and TRL TRN Fuses
VECHMSL, TRCHMSL Fuses and CHMSL Relay
Figure 33:

LT TURN, LT TRN and TRL TRN Fuses


Object Number: 754468  Size: FS
Master Electrical Component List
RT TURN, RT TRN and TRR TRN Fuses