GM Service Manual Online
For 1990-2009 cars only

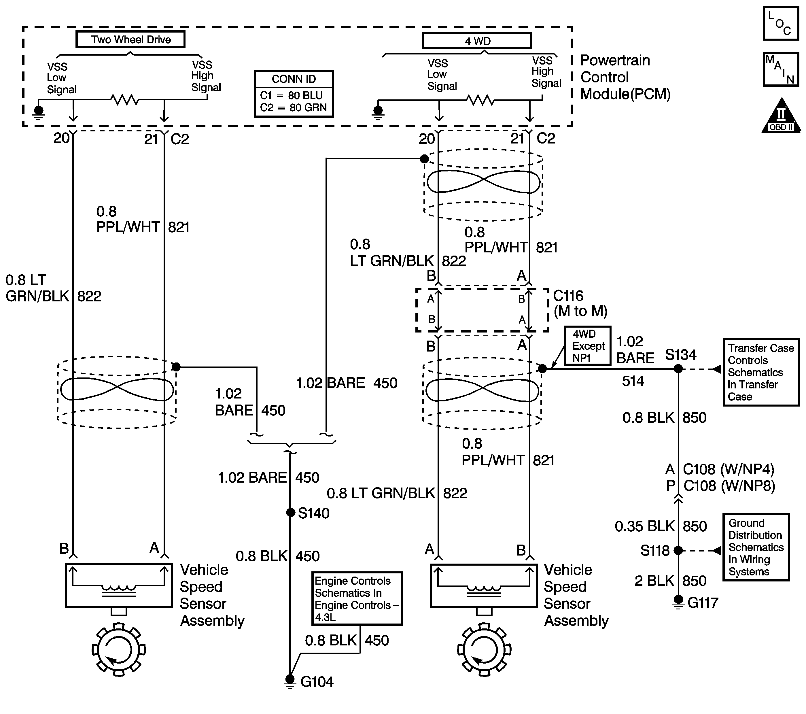
Object Number: 860500  Size: LF
Master Electrical Component List
Automatic Transmission Controls Schematics
OBD II Symbol Description Notice

Circuit Description

The vehicle speed sensor (VSS) assembly provides vehicle speed information to the powertrain control module (PCM). The VSS assembly is a permanent magnet generator. The VSS produces an AC voltage as rotor teeth on the transmission output shaft pass through the sensor's magnetic field. The AC voltage level and the number of pulses increase as the speed of the vehicle increases. The PCM converts the pulsing voltage to vehicle speed. The PCM uses the vehicle speed signal to determine shift timing and torque converter clutch (TCC) scheduling.

When the PCM detects a low vehicle speed when there is a high engine speed in a drive gear range, then DTC P0502 sets. DTC P0502 is a type B DTC.

Conditions for Running the DTC

    • No MAP sensor DTCs P0107 or P0108.
    • No TP sensor DTCs P0122 or P0123.
    • No TFP manual valve position switch DTC P1810.
    • The engine torque is 54-542 N·m (40-400 lb ft).
    • The TP angle is greater than 12 percent.
    • The engine speed is greater than 3,000 RPM.
    • The transmission is not in PARK or NEUTRAL.

Conditions for Setting the DTC

The transmission output speed is less than 150 RPM for 3 seconds.

Action Taken When the DTC Sets

    • The PCM illuminates the malfunction indicator lamp (MIL) during the second consecutive trip in which the Conditions for Setting the DTC are met.
    • The PCM commands second gear only.
    • The PCM commands maximum line pressure.
    • The PCM inhibits TCC engagement.
    • The PCM freezes shift adapts from being updated.
    • The PCM records the operating conditions when the Conditions for Setting the DTC are met. The PCM stores this information as Freeze Frame and Failure Records.
    • The PCM stores DTC P0502 in PCM history during the second consecutive trip in which the Conditions for Setting the DTC are met.

Conditions for Clearing the MIL/DTC

    • The PCM turns OFF the MIL during the third consecutive trip in which the diagnostic test runs and passes.
    • A scan tool can clear the MIL/DTC.
    • The PCM clears the DTC from PCM history if the vehicle completes 40 warm-up cycles without an emission-related diagnostic fault occurring.
    • The PCM cancels the DTC default actions when the fault no longer exists and/or the ignition switch is OFF long enough in order to power down the PCM.

Test Description

The numbers below refer to the step numbers on the diagnostic table.

  1. This step tests the VSS assembly circuit.

  2. This step tests the integrity of the VSS assembly.

DTC P0502 (4.3L)

Step

Action

Value(s)

Yes

No

1

Did you perform the Diagnostic System Check - Engine Controls?

--

Go to Step 2

Go to Diagnostic System Check - Engine Controls in Engine Controls - 4.3L

2

  1. Install a scan tool.
  2. Turn ON the ignition, with the engine OFF.
  3. Important: Before clearing the DTC, use the scan tool in order to record the Freeze Frame and Failure Records. Using the Clear Info function erases the Freeze Frame and Failure Records from the PCM.

  4. Record the DTC Freeze Frame and Failure Records.
  5. Clear the DTC.
  6. Raise and support the rear axle assembly.
  7. Start the engine.
  8. Place the transmission in any drive range.

With the drive wheels rotating, does the scan tool Transmission OSS increase with the drive wheel speed?

--

Go to Intermittent Conditions in Engine Controls - 4.3L

Go to Step 3

3

  1. Turn OFF the ignition.
  2. Disconnect the PCM connector C2.
  3. Using the DMM and the J 35616 GM Terminal Test Kit, measure the resistance between harness connector terminals C2-20 and C2-21.

Does the resistance measure within the specified range?

1,377-3,355 ohms (2WD)

976-2,354 ohms (4WD)

Go to Step 4

Go to Step 7

4

  1. Place the transmission in NEUTRAL.
  2. Select AC volts.
  3. Prevent one rear wheel from turning.
  4. Rotate the other rear wheel by hand, ensuring that the driveshaft is turning.

Does the voltage measure greater than the specified value?

0.5 V

Go to Step 5

Go to Step 12

5

Measure the resistance from terminal C2-21 to ground.

Does the resistance measure greater than the specified value?

50 K ohms

Go to Step 6

Go to Step 9

6

  1. Reconnect the PCM connector C2.
  2. Disconnect the engine wiring harness from the VSS assembly.
  3. Turn ON the ignition, with the engine OFF.
  4. Test the high circuit of the VSS assembly for a short to power.
  5. Test the low circuit of the VSS assembly for a short to power.
  6. Refer to Testing for a Short to Voltage and Wiring Repairs in Wiring Systems.

Did you find and correct the condition?

--

Go to Step 15

Go to Step 14

7

  1. Disconnect the engine wiring harness from the VSS assembly.
  2. Measure the resistance of the VSS assembly.

Does the resistance measure within the specified range?

1,377-3,355 ohms (2WD)

976-2,354 ohms (4WD)

Go to Step 8

Go to Step 13

8

Was the resistance measured in Step 3 greater than the specified value?

3,355 ohms (2WD)

2,354 ohms (4WD)

Go to Step 10

Go to Step 11

9

  1. Test the high circuit of the VSS assembly for a short to ground.
  2. Test the low circuit of the VSS assembly for a short to ground.
  3. Refer to Testing for Short to Ground and Wiring Repairs in Wiring Systems.

Did you find and correct the condition?

--

Go to Step 15

--

10

  1. Test the high circuit of the VSS assembly for an open.
  2. Test the low circuit of the VSS assembly for an open.
  3. Refer to Testing for Continuity and Wiring Repairs in Wiring Systems.

Did you find and correct the condition?

--

Go to Step 15

--

11

Test the high circuit and the LOW circuit of the VSS assembly for a short together.

Refer to Circuit Testing and Wiring Repairs in Wiring Systems.

Did you find and correct the condition?

--

Go to Step 15

--

12

  1. Remove the VSS assembly.
  2. Inspect the output shaft speed sensor rotor for damage or misalignment.
  3. Inspect the case extension bushing for wear.

Did you find and correct the condition?

--

Go to Step 15

Go to Step 13

13

Replace the VSS assembly.

Refer to Vehicle Speed Sensor Replacement .

Did you complete the replacement?

--

Go to Step 15

--

14

Replace the PCM.

Refer to Powertrain Control Module Replacement in Engine Controls - 4.3L.

Did you complete the replacement?

--

Go to Step 15

--

15

Perform the following procedure in order to verify the repair:

  1. Select DTC.
  2. Select Clear Info.
  3. Operate the vehicle, so that the transmission output speed is greater than 250 RPM for 2 seconds.
  4. Select Specific DTC.
  5. Enter DTC P0502.

Has the test run and passed?

--

Go to Step 16

Go to Step 2

16

With the scan tool, observe the stored information, capture info, and DTC Info.

Does the scan tool display any DTCs that you have not diagnosed?

--

Go to Diagnostic Trouble Code (DTC) List in Engine Controls - 4.3L

System OK