GM Service Manual Online
For 1990-2009 cars only
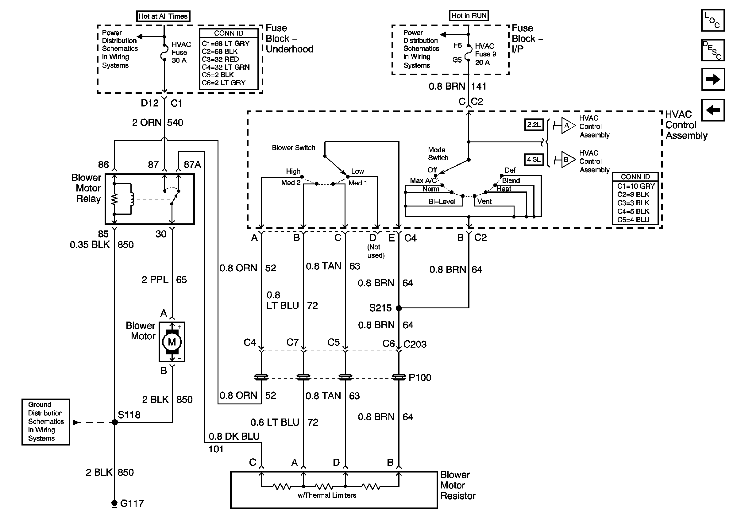
Figure 1:

Blower Controls-C42


Object Number: 755712  Size: FS
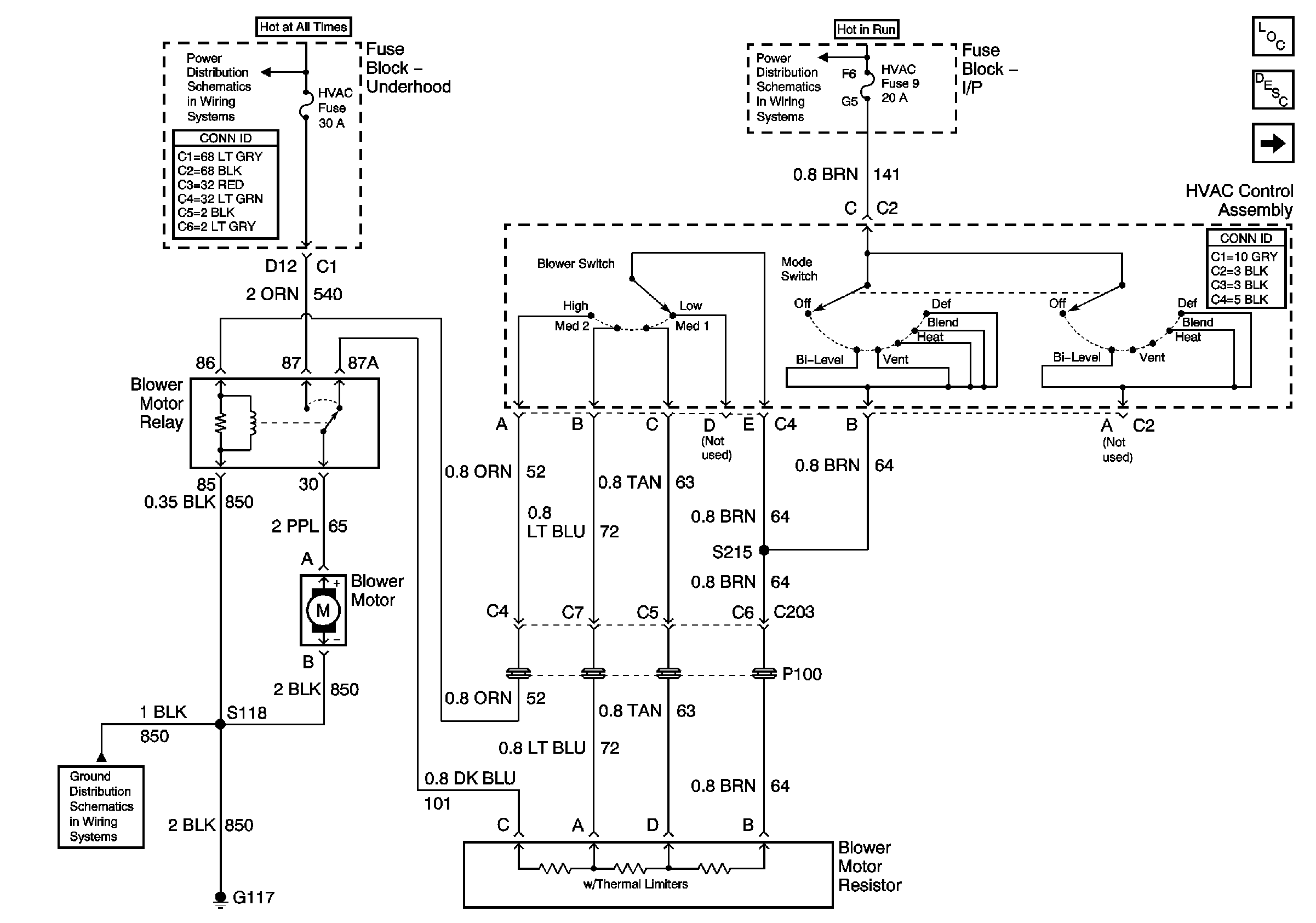
Figure 2:

Blower Controls-C60


Object Number: 755714  Size: FS
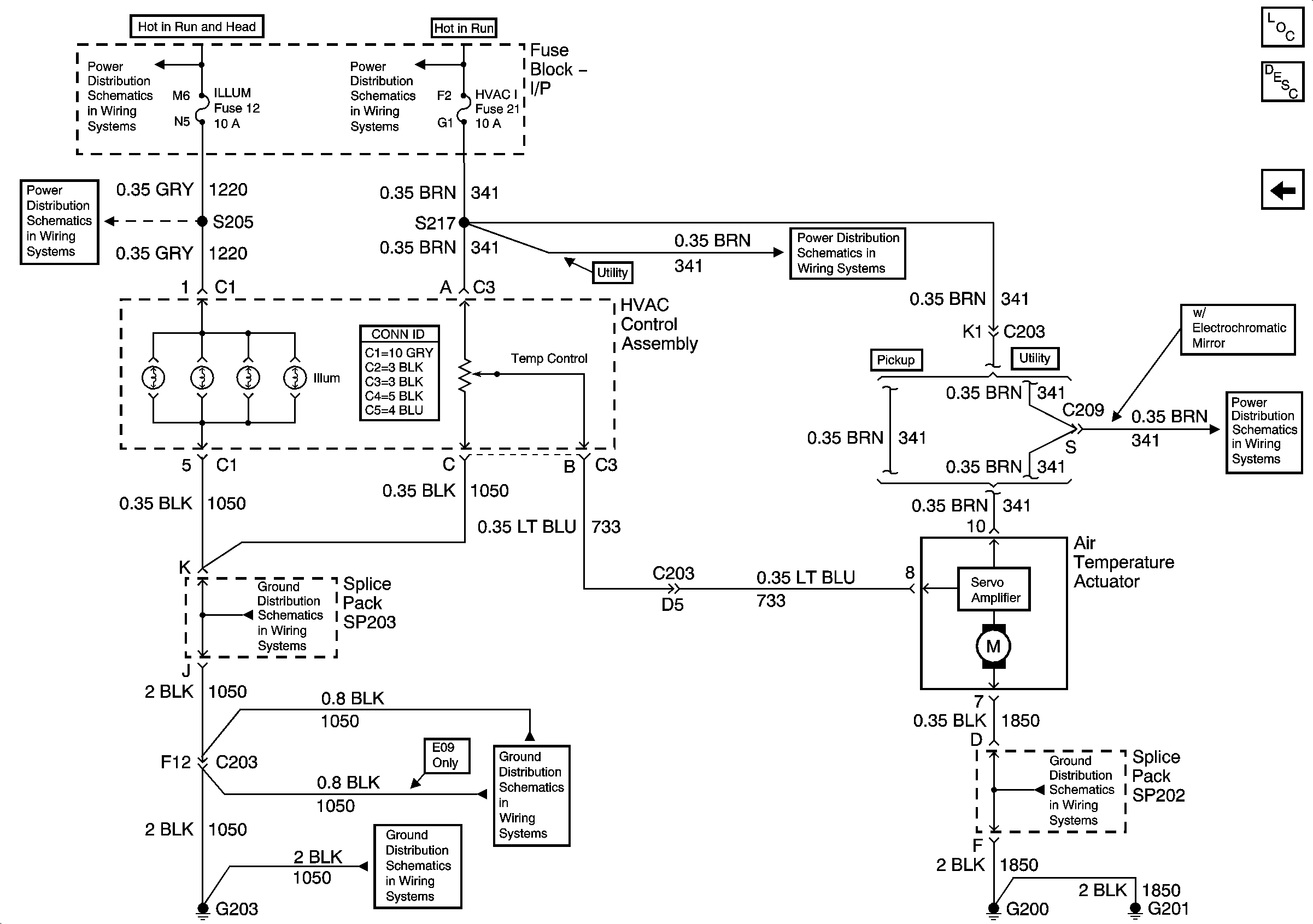
Figure 3:

Air Delivery/Temperature Controls-C42


Object Number: 886340  Size: FS
Figure 4:

Compresser Controls-4.3L


Object Number: 884299  Size: FS
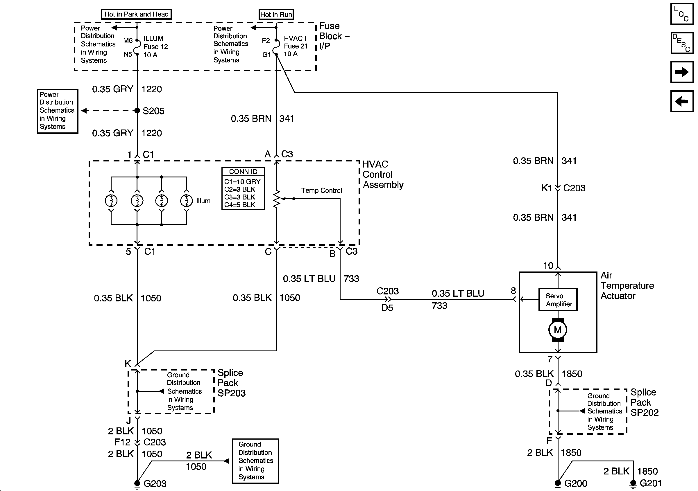
Figure 5:

Air Delivery/Temperature Controls-C60


Object Number: 886382  Size: FS