GM Service Manual Online
For 1990-2009 cars only
Makes
🢒
Chevrolet
🢒
2004
🢒
Blazer - 2WD
🢒
Restraints
🢒
Seat Belts
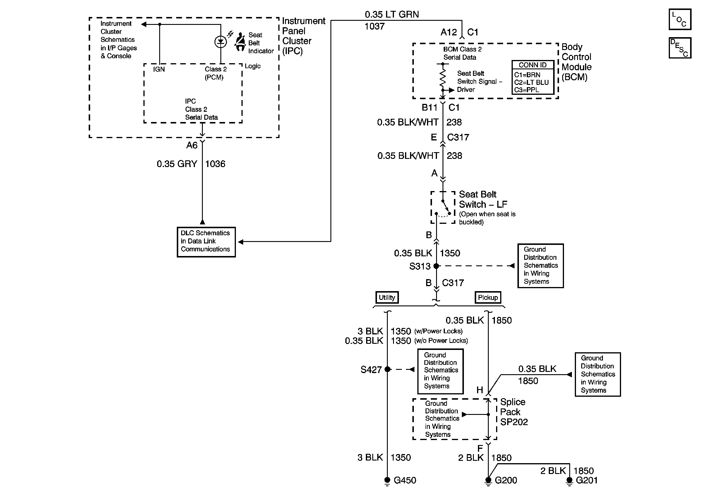
🢒 Seat Belt Schematics
Master Electrical Component List
Seat Belt System Description and Operation
Class 2 Serial Data
S313 and S419
G420, G450 and S427 - Utility and Crew Cab
G200, G201and G207-Pickup and Crew Cab
G200, G201and G207-Pickup and Crew Cab