GM Service Manual Online
For 1990-2009 cars only
Makes
🢒
Chevrolet
🢒
2005
🢒
Blazer - 2WD
🢒
Accessories
🢒
Power Outlets
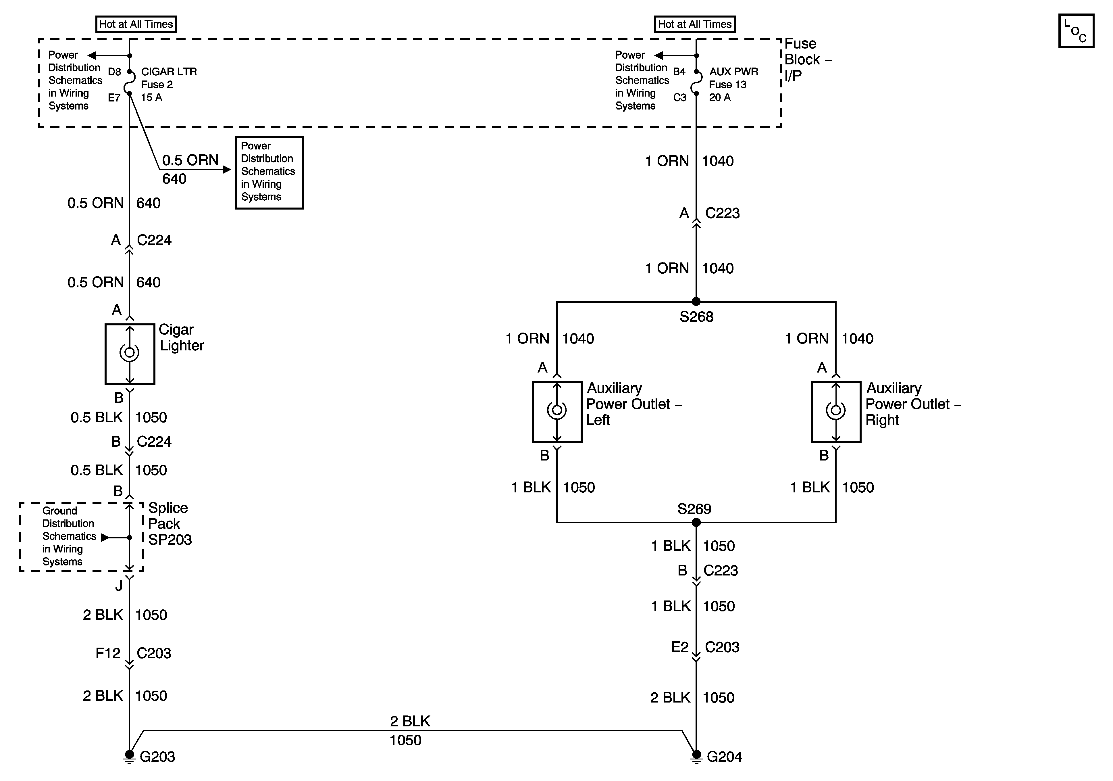
🢒 Cigar Lighter/Power Outlet Schematics
Master Electrical Component List
B+ Bus Bar
INT BATT, PWR LKS, AMPF, CTSY LP and CIGAR LTR Fuses
G203 and G204 - Utility w/Manual A/C
G203 and G204 - Utility w/Manual A/C
B+ Bus Bar