GM Service Manual Online
For 1990-2009 cars only

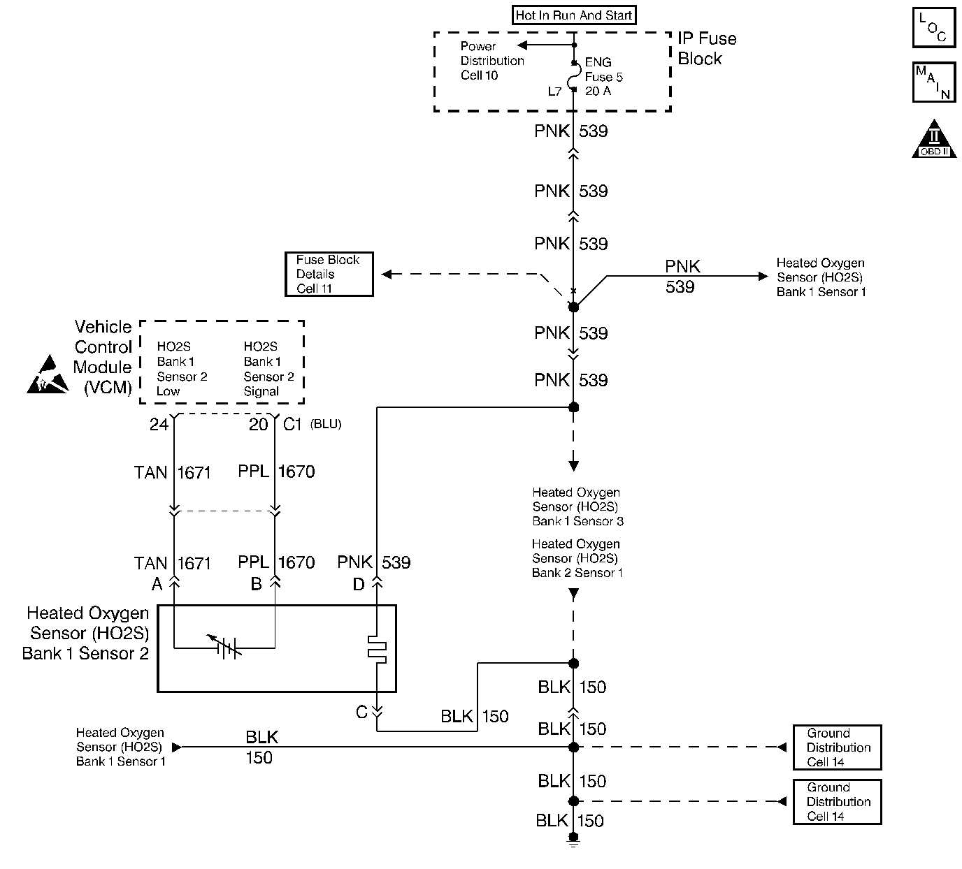
Object Number: 65586  Size: LF
Handling ESD Sensitive Parts Notice
Engine Controls Components
Oxygen Sensors
OBD II Symbol Description Notice

Circuit Description

Important: If the voltage is measured with a 10 megohm digital voltmeter, the voltage may read as low as 0.32 volt.

The VCM supplies a voltage of about 0.45 volt (450 mV) between the HO2S High and the HO2S Low circuits.

The Heated Oxygen Sensor (HO2S) varies the voltage from approximately 1.0 volt (1000 mV) during rich conditions to 0.10 volt (100 mV) during lean conditions. The sensor is like an open circuit and produces no voltage when it is below 360°C (600°F).

The HO2S heater provides for a faster sensor warm-up which allows the sensor to become active in a shorter period of time and remain active during a long extended idle. The DTC P0140 determines if the HO2S or the HO2S circuit has developed an open. This is a type B DTC.

Conditions for Setting the DTC

    • No TP sensor DTCs
    • No EVAP DTCs
    • No IAT sensor DTCs
    • No MAP sensor DTCs
    • No ECT sensor DTCs
    • No MAF sensor DTCs
    • No intrusive test in progress
    • The system voltage measures at least 9.0 volts,
    • The engine run time is at least 2 minutes.
    • HO2S (Bank1, Sensor 2) voltage is greater than 0.299 volts (299 mV) but less than 0.598 volts (598 mV).

HO2S Temperature Test

    • The Decel Fuel Cutoff Mode (DFCO) is not active.
    • The ECT is at least 80°C
    • The MAF is at least 15 grams per second.

HO2S Open Test Enable

    • A Closed Loop
    • The DTC P0141 (HO2S heater) not set.
    • The HO2S Temperature Sensor has passed.

Action Taken When The DTC Sets

The MIL (Malfunction Indicator Lamp) turns ON after 2 test failures.

Conditions for Clearing the MIL or DTC

    • The control module turns OFF the MIL after 3 consecutive drive trips when the test has run and passed.
    • A history DTC will clear if no fault conditions have been detected for 40 warm-up cycles. A warm-up cycle occurs when the coolant temperature has risen 22°C (40°F) from the startup coolant temperature and the engine coolant reaches a temperature that is more than 70°C (158°F) during the same ignition cycle.
    • Use a scan tool in order to clear the DTCs.

Diagnostic Aids

Important: Never solder the HO2S wires. For proper wire and connection repairs, refer to Wiring Repairs in Engine Electrical.

A intermittent may be caused by a poor connection, a rubbed through wire insulation, or a wire broken inside of the insulation.

Check for the following conditions:

    • A poor connection or a damaged harness: Inspect the harness connectors for the following conditions:
       - Backed out terminals
       - Improperly formed or damaged terminals
       - A poor terminal to wire connection
       - A damaged harness
    • A malfunctioning HO2S heater or heater circuit: With the ignition switch turned ON and the engine OFF, the HO2S voltage displayed on a scan tool should gradually drop to below 0.150 volt (150 mV), indicating that the heater works properly. If not, disconnect the HO2S and connect a test light between the terminals C and D. If the test light does not light, repair the open in the HO2S ground circuit or the HO2S ignition feed circuit. If the test light lights, replace the HO2S.
    • The Intermittent test: Use a scan tool in order to monitor the HO2S signal voltage while moving the related connectors and the wiring harness with a warm engine running at part throttle in a Closed Loop. If the failure is induced, the HO2S signal voltage reading changes from its normal fluctuating voltage (above 600 mV and below 300 mV) to a fixed value around 450 mV. This may help to isolate the location of the malfunction.

Test Description

The numbers listed below refer to the step numbers on the diagnostic table.

  1. If the conditions for the setting this DTC exist, the system will not go into a Closed Loop.

  2. This test checks the continuity of the HO2S signal circuit.

Step

Action

Value(s)

Yes

No

1

Important: Before clearing the DTCs use the scan tool to record the Freeze Frame and the Failure Records data. This data will be lost when the Clear Info function is used.

Was the Powertrain On-Board Diagnostic (OBD) System Check performed?

--

Go to Step 2

Go to Powertrain On Board Diagnostic (OBD) System Check

2

  1. Connect the scan tool.
  2. Run the engine until normal operating temperature is reached.
  3. Run the engine above the specified value for 2 minutes.

Does the scan tool indicate a Closed Loop?

1200 RPM

Go to Step 5

Go to Step 3

3

  1. Turn OFF the ignition
  2. Disconnect the HO2S electrical connector.
  3. Use the J 35616-A/BT-8637 Connector Test Adapter Kit in order to connect the HO2S Signal and Low circuits to ground.
  4. Turn ON the ignition leaving the engine OFF.

Does the scan tool data display indicate the HO2S voltage less than the specified value?

0.2 V (200 mV)

Go to Step 4

Go to Step 6

4

  1. Turn OFF the ignition
  2. Remove the jumpers
  3. Use the DVM J 39200 in order to check the voltage between the HO2S Low circuit and B+

Is the voltage near the specified value?

12.0V

Go to Step 7

Go to Step 9

5

The DTC is intermittent.

Are any additional DTCs stored?

--

Go to the applicable DTC table

Go to Diagnostic Aids

6

Check for an open in the HO2S signal circuit.

Was a problem found?

--

Go to Step 11

Go to Step 8

7

Check for a faulty HO2S connection.

Was a problem found?

--

Go to Step 11

Go to Step 10

8

Check for a poor connection at the VCM.

Was a problem found?

--

Go to Step 11

Go to Step 12

9

Repair the open HO2S ground circuit. Refer to Wiring Repairs in Electrical Diagnosis.

Is the action complete?

--

Go to Step 13

--

10

Replace the HO2S. Refer to Heated Oxygen Sensor (HO2S) Replacement .

Is the action complete?

--

Go to Step 13

--

11

Repair the circuit as necessary. Refer to Wiring Repairs in Electrical Diagnosis.

Is the action complete?

Go to Step 13

--

12

Replace the VCM.

Important: When replacing the VCM, the new VCM will need to be programmed. Refer to VCM Replacement/Programming .

Is the action complete?

--

Go to Step 13

--

13

  1. Use the scan tool in order to select the DTC and the Clear DTC Information functions.
  2. Start the Engine.
  3. Allow the engine Idle until normal operating temperature is reached.
  4. Select the DTC and the Specific DTC functions.
  5. Enter the DTC number which was set.
  6. Operate the vehicle within the conditions for setting this DTC as specified in the supporting text.

Does the scan tool indicate that this diagnostic ran and passed?

--

Go to Step 14

Go to Step 2

14

Use the scan tool in order to display the Capture Info and the Review Capture Info functions.

Are there any DTCs displayed that have not been diagnosed?

--

Go to the applicable DTC table

System OK