GM Service Manual Online
For 1990-2009 cars only
Makes
🢒
Chevrolet
🢒
1998
🢒
Blazer - 4WD
🢒
Driveline/Axle
🢒
Transfer Case - NVG 233-NP1 (Two Speed Selectable)
🢒 Transfer Case Control Schematics
Figure
1:
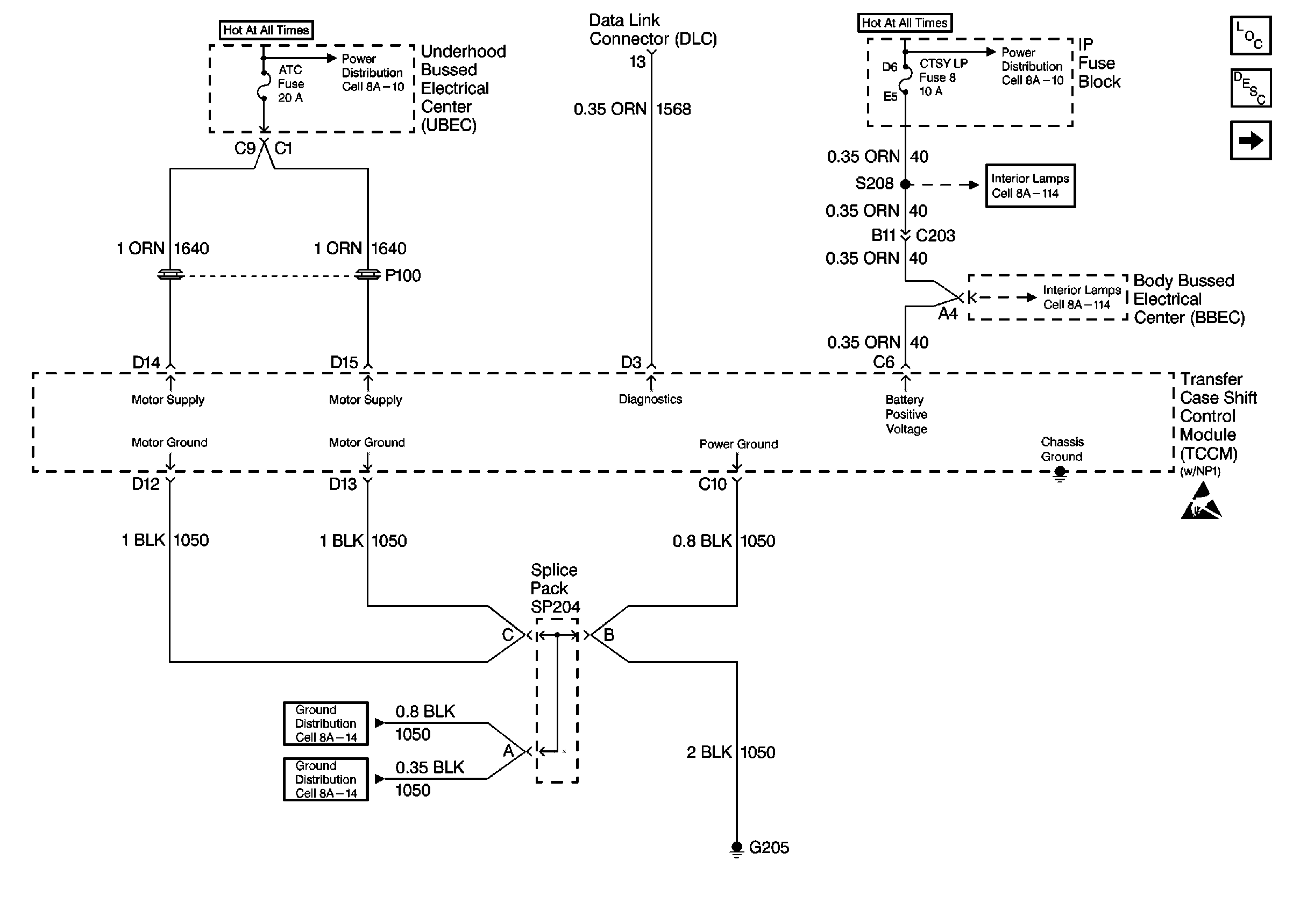
Electric Shift Power, Grounding, And Data Link
Engine Electrical Components
Transfer Case Control Module Description
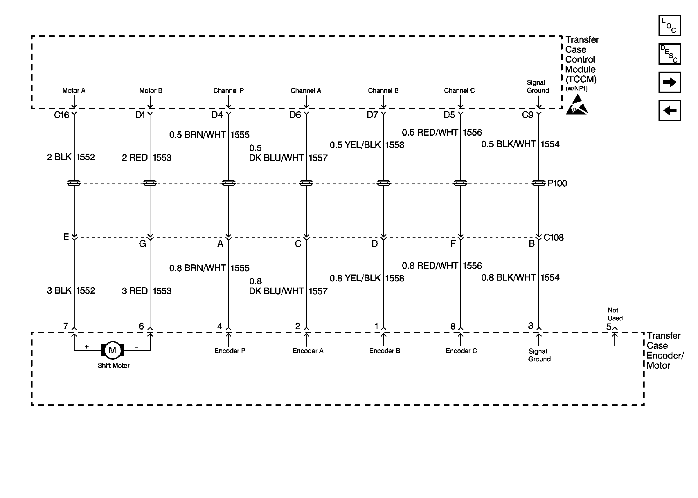
Electric Shift Control Module And Encoder
Handling Electrostatic Discharge Sensitive Parts Notice
Figure
2:
Electric Shift Control Module And Encoder
Handling Electrostatic Discharge Sensitive Parts Notice
Engine Electrical Components
Transfer Case Control Module Description
Electric Shift Control Switch
Electric Shift Power, Grounding, And Data Link
Figure
3:
Electric Shift Control Switch
Handling Electrostatic Discharge Sensitive Parts Notice
Handling Electrostatic Discharge Sensitive Parts Notice
Handling Electrostatic Discharge Sensitive Parts Notice
Engine Electrical Components
Transfer Case Control Module Description
Electric Shift Front Axle Switch
Electric Shift Control Module And Encoder
Figure
4:
Electric Shift Front Axle Switch
Vehicle Speed Outputs And Overhead Console Link
Handling Electrostatic Discharge Sensitive Parts Notice
Brake Control Module Power And Grounding
Handling Electrostatic Discharge Sensitive Parts Notice
Handling Electrostatic Discharge Sensitive Parts Notice
Engine Electrical Components
Transfer Case Control Module Description
Cell 38: Power, Ground, Motor Controls and Data Link
Electric Shift Control Switch