GM Service Manual Online
For 1990-2009 cars only
Makes
🢒
Chevrolet
🢒
1998
🢒
Blazer - 4WD
🢒
HVAC
🢒
HVAC Systems - Automatic
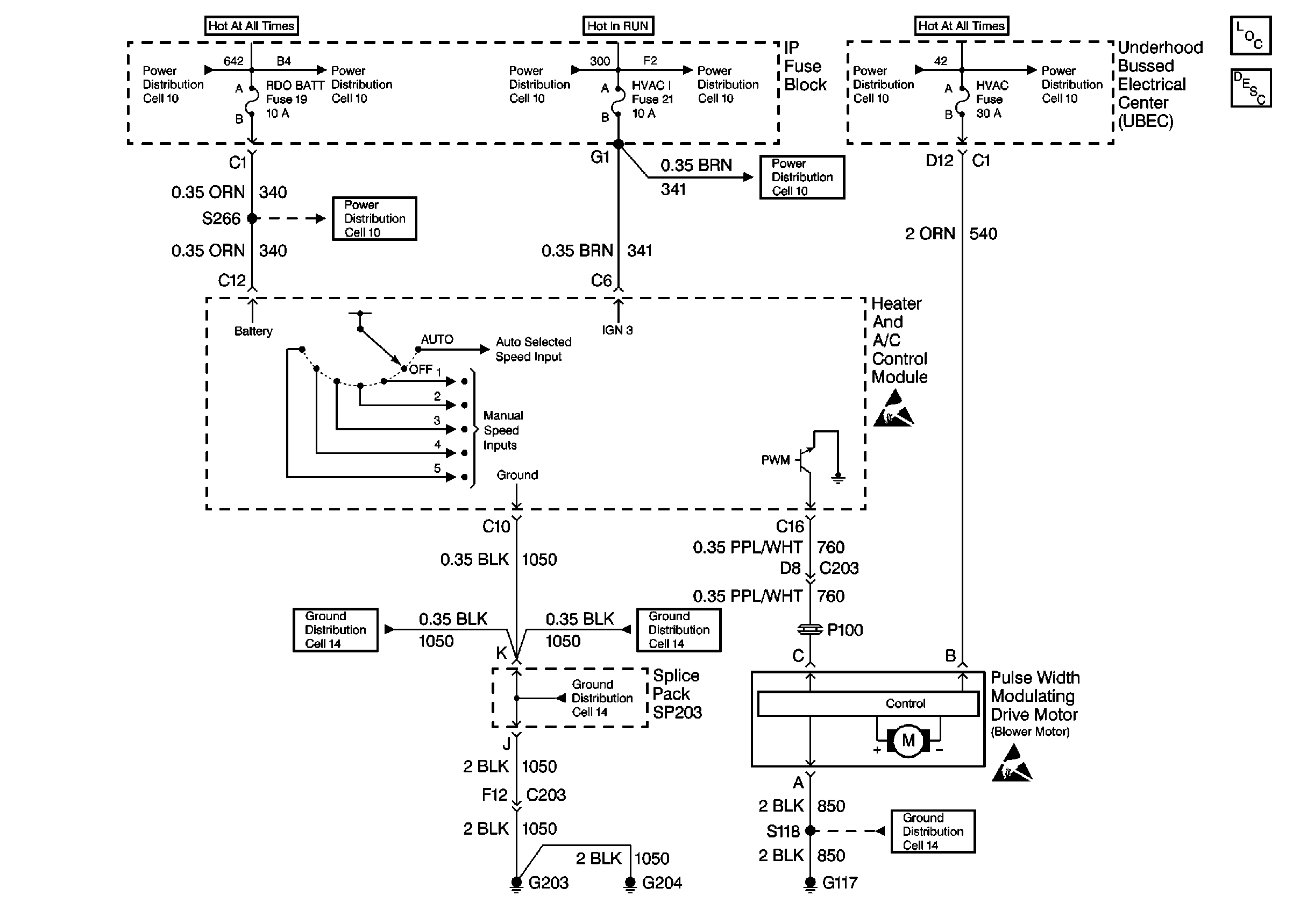
🢒 HVAC Blower Control Schematics
HVAC Components
Heater Blower Controls Circuit Description
Power Distribution Schematics
Power Distribution Schematics
Ground Distribution Schematics
Ground Distribution Schematics
Handling ESD Sensitive Parts Notice
Handling ESD Sensitive Parts Notice
Ground Distribution Schematics
Power Distribution Schematics
Power Distribution Schematics
Power Distribution Schematics
Power Distribution Schematics
Power Distribution Schematics