GM Service Manual Online
For 1990-2009 cars only
Makes
🢒
Chevrolet
🢒
1998
🢒
Blazer - 4WD
🢒
HVAC
🢒
HVAC Systems - Automatic
🢒 HVAC Air Delivery/Temperature Control Schematics
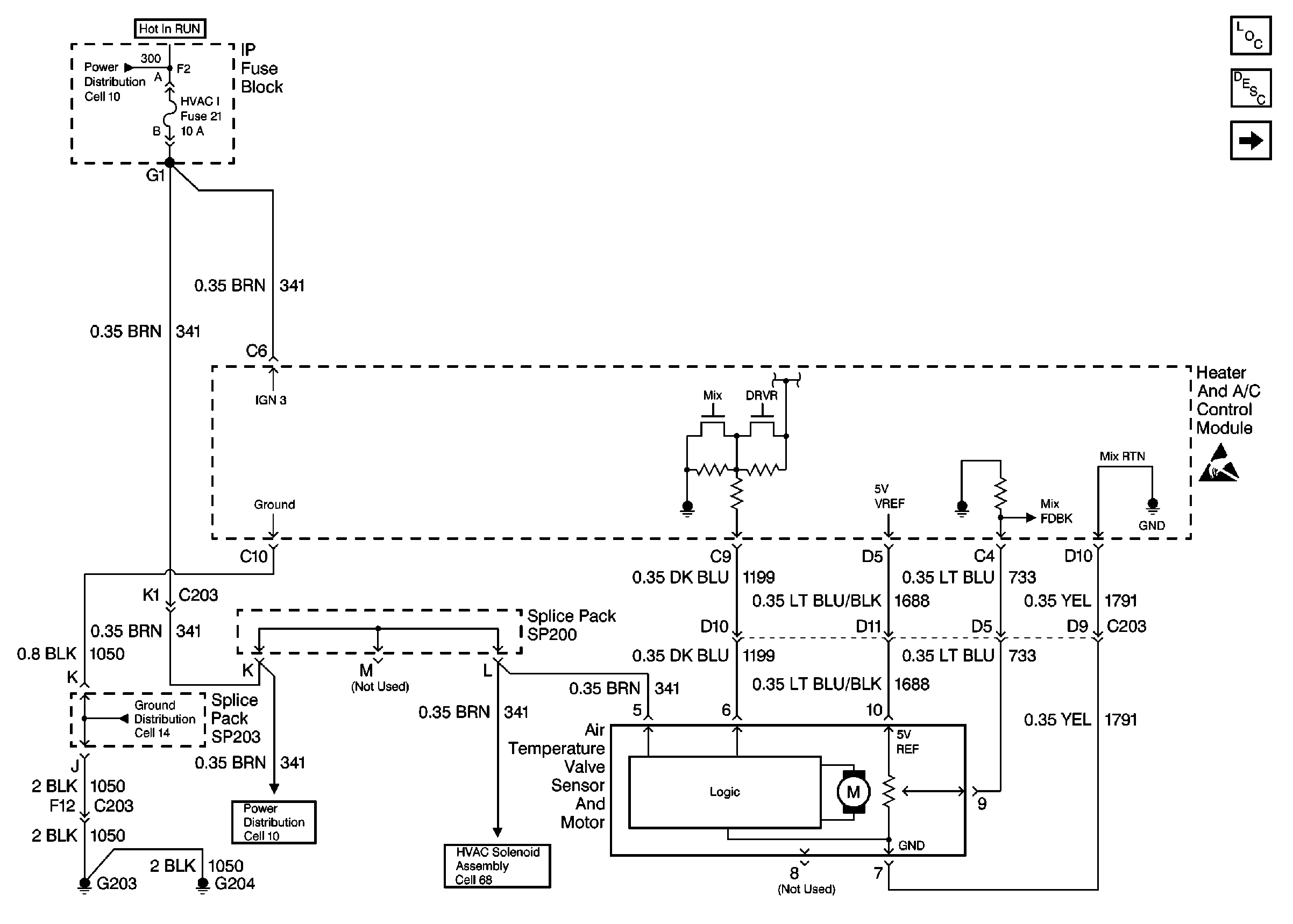
Figure
1:
Cell 68: Air Temperature Valve Sensor and Motor
Power Distribution Schematics
HVAC Components
Cell 68: HVAC Solenoid and ECC Module
Handling ESD Sensitive Parts Notice
Heater Blower Controls Schematics
Power Distribution Schematics
Ground Distribution Schematics
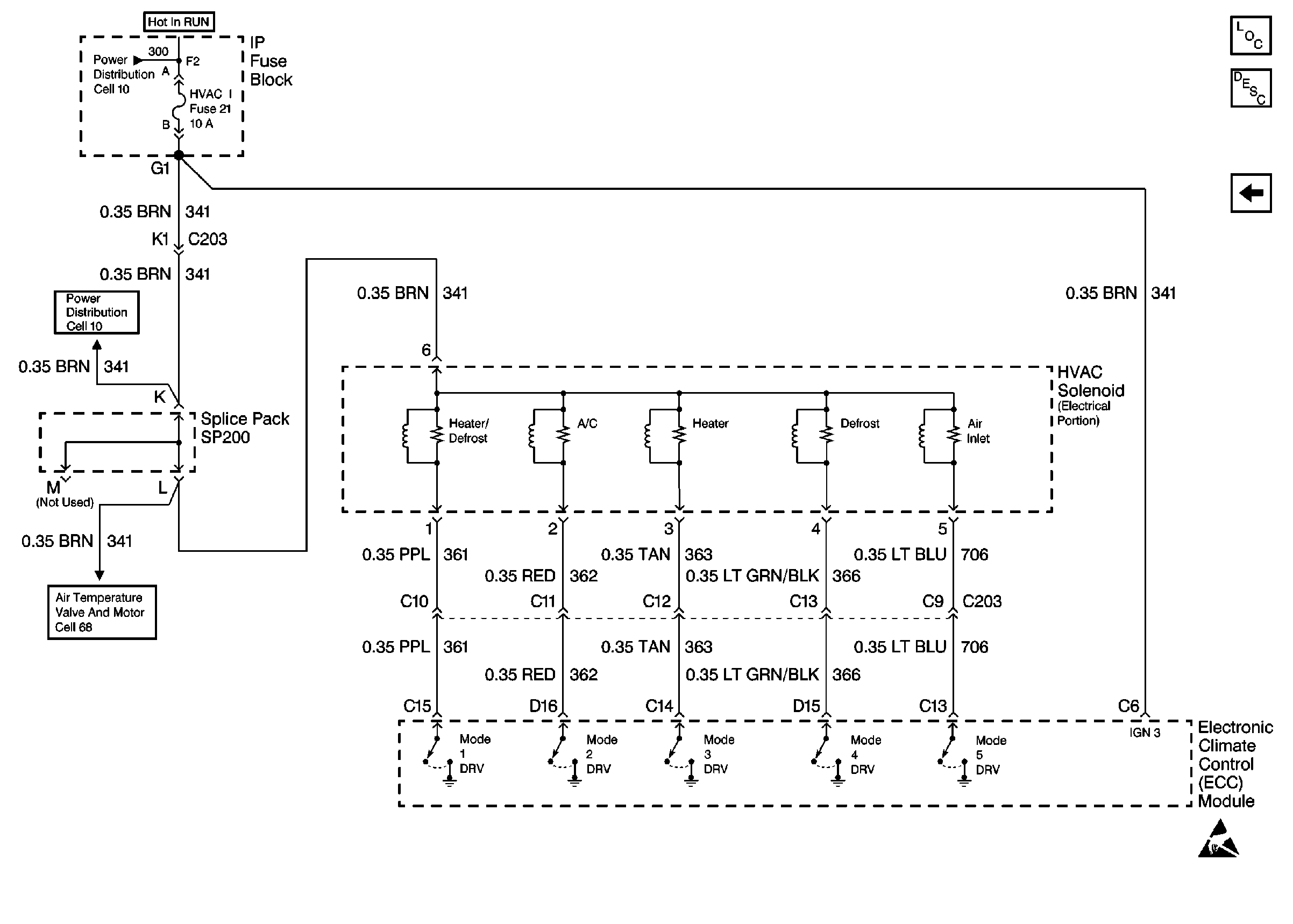
Figure
2:
Cell 68: HVAC Solenoid and ECC Module
HVAC Components
Cell 68: Air Temperature Valve Sensor and Motor
Handling ESD Sensitive Parts Notice
Power Distribution Schematics
HVAC Air Delivery/Temperature Control Schematics
Power Distribution Schematics
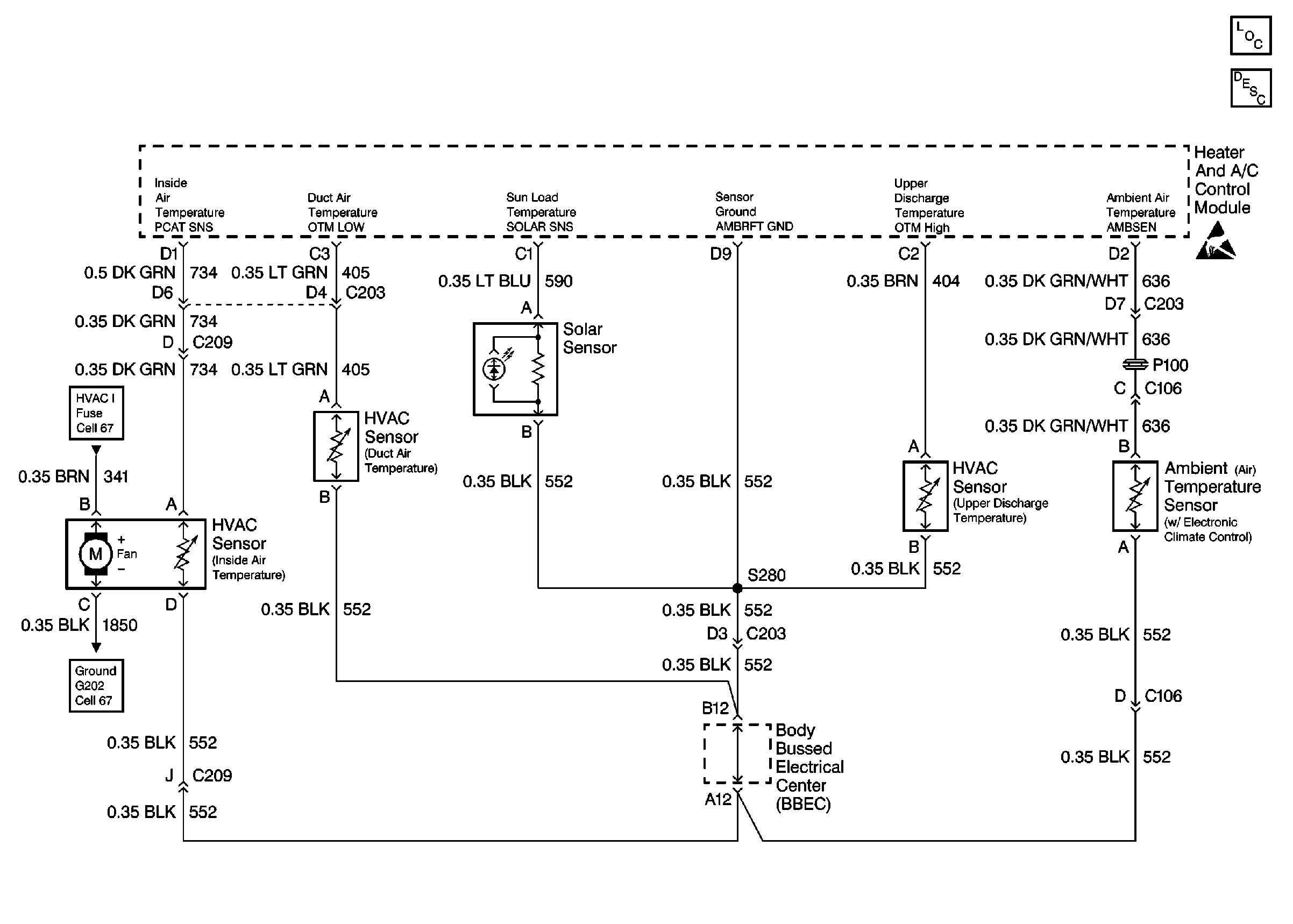
Figure
3:
Cell 68: HVAC Sensor, Solar Sensor, and Ambient Air Temperature Sensor
HVAC Components
Handling ESD Sensitive Parts Notice
Ground Distribution Schematics
Power Distribution Schematics